E Erikhusägare skrev:
Någon som har en idé om denna kopplingsbox skulle fungera att koppla mot? För i sådant fall kan man ju köpa ett nytt 400 volt med fast anslutning och sätta in.


[länk]
Klart enklast är att du köper ett nytt 400v-element från t.ex. Adax. Det kan du installera själv och kopplingsbox medföljer vill jag minnas. Det är precis som vilken elinstallation som helst, in med kablarna, fäst på väggen, klart. Har ersatt ett par stycken äldre här hemma med dessa redan.
 
  • Gilla
Mikael_L
  • Laddar…
N nillen50 skrev:
Enligt regelverket får man byta trasiga vägguttag, strömbrytare o dyl på befintlig installation om man har nödvändiga kunskaper. Allt annat kräver behörig installatör. Du skriver inledningsvis att du inte förstår dig på hur det är installerat och då är det bäst att överlåta jobbet till en elektriker. Det mest skrämmande är att du får förslag om nyinstallation av element utan skyddsjord. För att installera/koppla in utan skyddsjord skall apparaten vara dubbelisolerad. Sedan ger jag inte mycket för förslagen hur du ska felsöka utom det med multimeter för att klara ut spänningen i respektive tråd. Skriver detta då det handlar om elsäkerhet och det ansvar man har som fastighetsägare
Helt rätt!!!
 
  • Gilla
Festlund och 3 till
  • Laddar…
A
N nillen50 skrev:
Enligt regelverket får man byta trasiga vägguttag, strömbrytare o dyl på befintlig installation om man har nödvändiga kunskaper. Allt annat kräver behörig installatör. Du skriver inledningsvis att du inte förstår dig på hur det är installerat och då är det bäst att överlåta jobbet till en elektriker. Det mest skrämmande är att du får förslag om nyinstallation av element utan skyddsjord. För att installera/koppla in utan skyddsjord skall apparaten vara dubbelisolerad. Sedan ger jag inte mycket för förslagen hur du ska felsöka utom det med multimeter för att klara ut spänningen i respektive tråd. Skriver detta då det handlar om elsäkerhet och det ansvar man har som fastighetsägare
Skyddsjord är ett av undantagen i Elsäkerhetsverkets föreskrift 2022:1 som blir gällande vid nyinstallation av element. Där skriver man följande:

"vid utvidgning av en lågspänningsanläggning inom ett befintligt torrt rum i bostäder med isolerande golv behöver de utsatta delarna inte skyddsjordas, om de redan befintliga utsatta delarna inte är skyddsjordade och anläggningen är utförd före den 1 januari 1994,"

Så i detta fallet är det ett helt riktigt och rätt råd förutsatt att rummet är av sådan typ och att skyddsåtgärden är helt funktionelll utan brister. Men du har rätt i det övriga.
 
  • Gilla
Karrie och 7 till
  • Laddar…
Ring... En... Elektriker...
 
  • Gilla
  • Älska
Roth666 och 5 till
  • Laddar…
E Erikhusägare skrev:
Hej!

Ska byta ut ett element med direktverkande el i mitt hem. Termostaten är trasig och det är så gammalt att jag inte hittar någon reservdel. Problemet är att elen här är dragen på ett sett som jag inte riktigt behärskar eller förstår.

Huset är från 1969 och säljaren var elektriker så känns lite som bagarens barn. Det går ut två kablar ur väggen bägge ser ut att vara svarta, se bild där jag även kopplat på skravuttag för att slippa ha lösa kablar och slippa skaka hand med Zeus igen. Elementet är på 380 volt, se bild. Är kopplat med två kablar som jag tror är 2-fas.

Har redan råkat få en kyss av kablarna när jag tog bort elementet för att måla om eftersom jag då inte hittade hur jag kunde stäng av strömmen hit. Vill med alla medel undvika att få en kyss igen då det var väldigt obehagligt, men har även svårt att hitta proppen som går till uttaget, se bild av proppskåpet. Någon som tror sig veta?

Vad är era tips kan man koppla in ett 400 volt element? Finns ju inget jord. Har ett vanlig eluttag nära så skulle kunna dra sladden på golvlisten och sätta ett 230 volt element här istället bara. Lutar mot det för att slippa att anlita en elektriker. Förutsatt att jag lyckas göra kablarna icke strömförande då.

Mvh
En ångestriden husägare
Jag är inte elektriker, men kan en del om el som fysiklärare och gör själv sådant jag förstår mig på, men ... är jag minsta osäker så blir det elektriker.
Kunskap är också att förstå sina begränsningar.

Av kommentarerna här, så verkar inte TS eller kommentarerna fatta något om elektricitet.
-"Jag tror det är 380 V".
Det går inte att tro!!!

Bara en sådan sak att en del tror att det räcker med att kolla om det finns ström med en "penna".
Mät med en voltmeter!!!
400 V behöver ingen nolla.
Är det två faser och 400 V eller är det en fas och en nolla och 230 V?

Förstår man inte grundläggande kunskaper, så ska man inte själv syssla med elektricitet.
Anlita en elektriker!!!
 
Redigerat:
  • Gilla
  • Älska
Dilato och 12 till
  • Laddar…
För att krångla till det för dig lite mer så har troligen nytt element inbyggd termostat som kräver att Nollan är ansluten för att det ska fungera. (Så var det för mig när jag bytte element i badrummet)
Låt en elektriker installera jord och nolla för nytt element.
 
  • Gilla
Legere
  • Laddar…
J J-banan skrev:
Nej aldrig lita på sådan elpenna. Man skall ha en spänningsprovare
Absolut inga problem med "elpenna" av god kvalitet om man snabbt vill kolla om man har spänning. Tex om en propp har gått och man inte ser vilken det är.
 
Hammarskallen Hammarskallen skrev:
Absolut inga problem med "elpenna" av god kvalitet om man snabbt vill kolla om man har spänning. Tex om en propp har gått och man inte ser vilken det är.
Enda gången den är duglig, även där funkar även spänningsprovare bättre då det oftast finns testhål i propphuv och att den inte störs av andra spänningar omkring
 
  • Gilla
Dilato och 1 till
  • Laddar…
Göran Sten Göran Sten skrev:
Jag är inte elektriker, men kan en del om el som fysiklärare och gör själv sådant jag förstår mig på, men ... är jag minsta osäker så blir det elektriker.
Kunskap är också att förstå sina begränsningar.

Av kommentarerna här, så verkar inte TS eller kommentarerna fatta något om elektricitet.


Bara en sådan sak att en del tror att det räcker med att kolla om det finns ström med en "penna".
Mät med en voltmeter!!!
Det märks att du inte är elektriker! Förmodligen akademiker med tummen mitt i handen? Om du hade läst tråden från början istället för att dra dina egna slutsatser hade du kanske förstått bättre.
Att mäta med penna går alldeles utmärkt om man bara vill söka efter vilken säkring som bryter den aktuella gruppen. mvh elektriker sedan 1990
 
  • Gilla
Gnist
  • Laddar…
SSSS
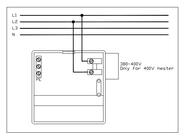
Jag hade köpt ett 400V dubbelisolerat element (förutsatt att du har 400V), t.ex. Adax NEO Wifi. Där medföljer det en kopplingsbox där endast två faser ska anslutas. Sedan ansluts elementet med en stickpropp till denna (sitter redan monterad på kabeln från elementet).

https://adax.no/se/produkt/neo-radiator-med-wi-fi/

OBS: Jag är ingen elektriker.

Kopplingsschema för ett 400V element, visar anslutningar för två faser (L1 och L2) och nollledare (N) med märkspänning 380-400V.
Inloggade ser högupplösta bilder
Skapa konto
Gratis och tar endast 30 sekunder
 
  • Gilla
Dilato och 4 till
  • Laddar…
E Erikhusägare skrev:
Hej!

Ska byta ut ett element med direktverkande el i mitt hem. Termostaten är trasig och det är så gammalt att jag inte hittar någon reservdel. Problemet är att elen här är dragen på ett sett som jag inte riktigt behärskar eller förstår.

Huset är från 1969 och säljaren var elektriker så känns lite som bagarens barn. Det går ut två kablar ur väggen bägge ser ut att vara svarta, se bild där jag även kopplat på skravuttag för att slippa ha lösa kablar och slippa skaka hand med Zeus igen. Elementet är på 380 volt, se bild. Är kopplat med två kablar som jag tror är 2-fas.

Har redan råkat få en kyss av kablarna när jag tog bort elementet för att måla om eftersom jag då inte hittade hur jag kunde stäng av strömmen hit. Vill med alla medel undvika att få en kyss igen då det var väldigt obehagligt, men har även svårt att hitta proppen som går till uttaget, se bild av proppskåpet. Någon som tror sig veta?

Vad är era tips kan man koppla in ett 400 volt element? Finns ju inget jord. Har ett vanlig eluttag nära så skulle kunna dra sladden på golvlisten och sätta ett 230 volt element här istället bara. Lutar mot det för att slippa att anlita en elektriker. Förutsatt att jag lyckas göra kablarna icke strömförande då.

Mvh
En ångestriden husägare
Om elen är dragen på ett som sätt som du inte riktigt behärskar eller förstår skall du ge fan i att pilla med det, punkt..
 
  • Gilla
Hybro och 1 till
  • Laddar…
rotbackarn rotbackarn skrev:
Kan tipsa om en bättre spänningsprovare än multimeter. Inkluderar spänningsprovare.
Säker för ev 400V. Och för överkurs i 400V visar den fasföljd.

[länk]
Hade en sån som backup, inte den bästa precis, slutade bara funka trodde batteriet var slut men den hade bara givit upp helt och hållet
 
rotbackarn rotbackarn skrev:
Troligen har du 3 säkringar som matar detta via en tre-fas grupp där olika element använder två faser ur denna. Så även om du tar ur de två säkringarna som matar detta så kan du ha kvar spänning via ett annat element med den tredje fasen.

Sen borde där väl finnas en skyddsjord om du vill ha ett nytt 400V element.
När den installationen gjordes så räknades boningsrum som isolerade utrymmen ( icke ledande golv, tak, väggar ) och därmed skyddsjordades varken vägguttag, lamputtag och elradiatorer. Om rummen är byggmässigt oförändrade så behövs ingen skyddsjordning av radiatorerna. En del radiator fabrikat har dubbel isolerat utförande, t.ex. vissa Adax radiatorer och skall alltså inte skyddsjordas oavsett var dom installeras. Om det förekommer t.ex. skyddsjordade vägguttag mm. i rummet, så skall radiatorn också skyddsjordas, såvida tillverkaren föreskriver det.
 
  • Gilla
hosselompan
  • Laddar…
TRJBerg
Hammarskallen Hammarskallen skrev:
Det märks att du inte är elektriker! Förmodligen akademiker med tummen mitt i handen? Om du hade läst tråden från början istället för att dra dina egna slutsatser hade du kanske förstått bättre.
Att mäta med penna går alldeles utmärkt om man bara vill söka efter vilken säkring som bryter den aktuella gruppen. mvh elektriker sedan 1990
Lägg av.
 
Vi vill skicka notiser för ämnen du bevakar och händelser som berör dig.