7 082 läst ·
37 svar
7k läst
37 svar
nytt värmesystem flis,,ved
Okej då har man slösat bort halva dan med snöskottning.
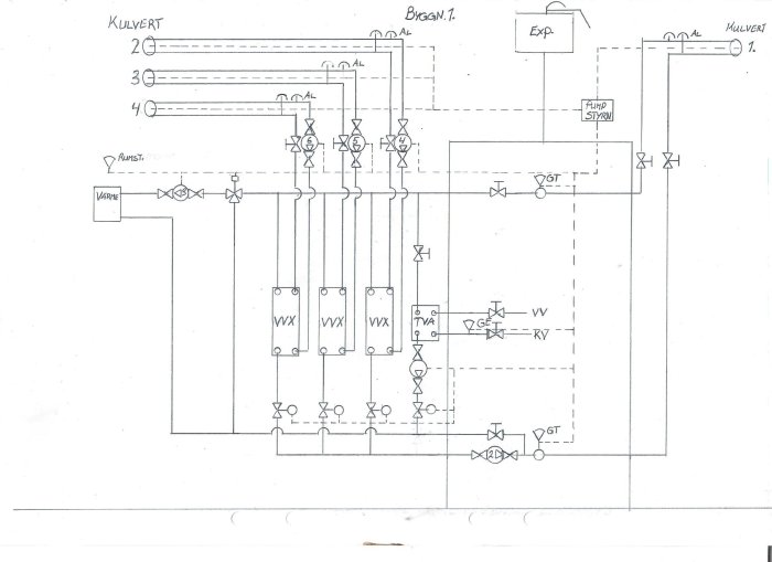
Nu har jag gjort en första skiss på hur jag har tänkt mitt system,
jag har bara ritat in byggnad 1 o 4, byggnad 3 blir nog samma som 4.
När det gäller byggnad 2 som är mitt boningshus så vet jag inte riktigt hur jag skall göra,
jag kan docka in kulverten direkt på värmepumpen i ingångarna avsedda för yttre värmare.
Men jag vet inte hur värmepumpen reagerar på 95 gradigt vatten o jag hittar inget i manualen om det,
om det inte är bra med så hett vatten kan jag ju shunta ner kulvert 2 i byggnad 1.
Eller så kan jag sätta en tekniktank i huset låta kulverten gå dit
o antingen shunta in i värmepumpen därifrån eller koppla husets värme parallellt med pump o tank o då välja vilken jag kör på.
Kommentarer o förslag välkomnas, nu har jag inte hunnit tänka igenom denna skiss så mycket så peka gärna ut fel o dumheter
Nu har jag gjort en första skiss på hur jag har tänkt mitt system,
jag har bara ritat in byggnad 1 o 4, byggnad 3 blir nog samma som 4.
När det gäller byggnad 2 som är mitt boningshus så vet jag inte riktigt hur jag skall göra,
jag kan docka in kulverten direkt på värmepumpen i ingångarna avsedda för yttre värmare.
Men jag vet inte hur värmepumpen reagerar på 95 gradigt vatten o jag hittar inget i manualen om det,
om det inte är bra med så hett vatten kan jag ju shunta ner kulvert 2 i byggnad 1.
Eller så kan jag sätta en tekniktank i huset låta kulverten gå dit
o antingen shunta in i värmepumpen därifrån eller koppla husets värme parallellt med pump o tank o då välja vilken jag kör på.
Kommentarer o förslag välkomnas, nu har jag inte hunnit tänka igenom denna skiss så mycket så peka gärna ut fel o dumheter
Inloggade ser högupplösta bilder
Logga in
Skapa konto
Gratis och tar endast 30 sekunder
Många som läser men inte så många som har några synpunkter, nåväl jag har några funderingar till.
Om jag gör laddomat funktionen av en elstyrd shunt, har ni några förslag på hur?.
Sen har jag suttit o gått igenom systemet o räknat på vad jag behöver beställa för prylar,
o jag gjorde ett räkneexempel på att dra ett rörsystem för radiatorer o kom fram till att om jag drar det med kopparrör o löder ihop det skulle det kosta 17090kr
medans om jag använder blåa rör o skruvar ihop det skulle samma system hamna på 9750kr det skulle bli ganska mycket på tre byggnader o jag vet inte om kopparrören skulle vara värt det, idag använder man ju mest koppar o pex men det beror nog mycket på installations kostnaden.
Jag lutar nog åt att det blir koppar i stugan men blå rör i maskinhallen o snickeriet.
Om jag gör laddomat funktionen av en elstyrd shunt, har ni några förslag på hur?.
Sen har jag suttit o gått igenom systemet o räknat på vad jag behöver beställa för prylar,
o jag gjorde ett räkneexempel på att dra ett rörsystem för radiatorer o kom fram till att om jag drar det med kopparrör o löder ihop det skulle det kosta 17090kr
medans om jag använder blåa rör o skruvar ihop det skulle samma system hamna på 9750kr det skulle bli ganska mycket på tre byggnader o jag vet inte om kopparrören skulle vara värt det, idag använder man ju mest koppar o pex men det beror nog mycket på installations kostnaden.
Jag lutar nog åt att det blir koppar i stugan men blå rör i maskinhallen o snickeriet.
Jag har haft så fullt upp så jag har inte hunnit med detta nu men har nästan färdig att beställa prylar,
jag har kollat på en shunt o styrning till pannan o lutar åt en Esbe VGR131 o CRA111 det hade varit en färdig o enkel lösning på det
Är det nån som provat dessa?
Inne i huset så blir det nog en 500l tank helst om jag kan hitta en med slingor för vv
jag har kollat på en shunt o styrning till pannan o lutar åt en Esbe VGR131 o CRA111 det hade varit en färdig o enkel lösning på det
Är det nån som provat dessa?
Inne i huset så blir det nog en 500l tank helst om jag kan hitta en med slingor för vv
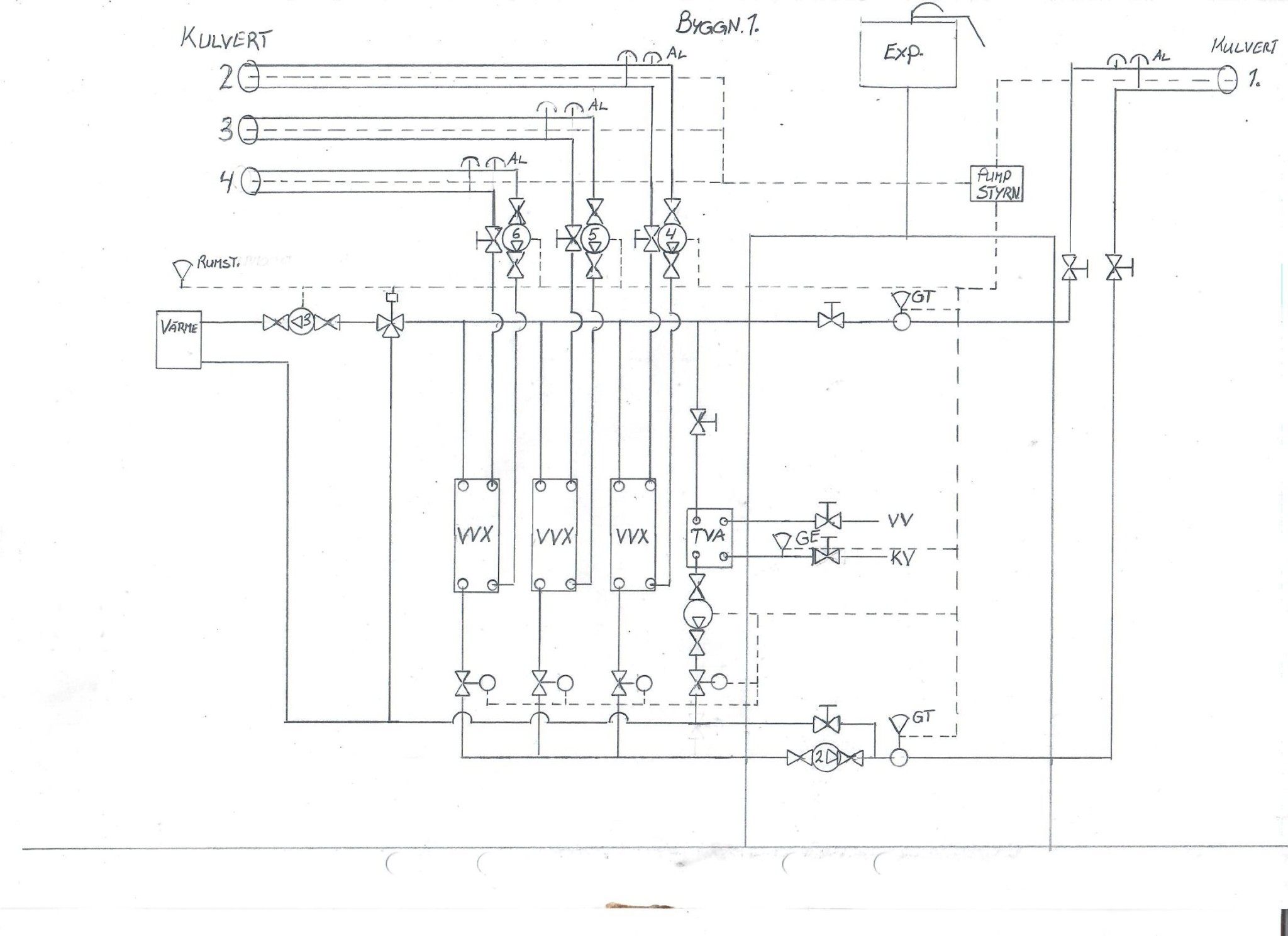
Nu har jag en ny variant som jag funderar på, gärna lite åsikter på denna.
Det jag inte vet är hur jag skall räkna ut dimensioneringen av värmeväxlarna, är det någon som kan på ett begripligt sätt förklara hur jag gör detta.
Sen funderade jag på pump 2 skulle detta fungera om jag använde mej av en pump typ alpha 2.
Om man förutsätter att jag matar in minst 75 gradigt i vvx , flödet vet jag ej men det får man väl anpassa inom rimliga gränser
Kulvert 2 bostads hus klarar sig på en 8kw värmepump utom om det är -30 eller kallare i 3 dagar eller mer
Kulvert 3 stuga 60 m2 skall hålla botstads temp
Kulvert 4 maskinhall/verkstad 450m2 25*30m båghall som är ca 7m hög i mitten skall hålla ca 15 grader.
Vad tror ni om detta
Det jag inte vet är hur jag skall räkna ut dimensioneringen av värmeväxlarna, är det någon som kan på ett begripligt sätt förklara hur jag gör detta.
Sen funderade jag på pump 2 skulle detta fungera om jag använde mej av en pump typ alpha 2.
Om man förutsätter att jag matar in minst 75 gradigt i vvx , flödet vet jag ej men det får man väl anpassa inom rimliga gränser
Kulvert 2 bostads hus klarar sig på en 8kw värmepump utom om det är -30 eller kallare i 3 dagar eller mer
Kulvert 3 stuga 60 m2 skall hålla botstads temp
Kulvert 4 maskinhall/verkstad 450m2 25*30m båghall som är ca 7m hög i mitten skall hålla ca 15 grader.
Vad tror ni om detta
Inloggade ser högupplösta bilder
Logga in
Skapa konto
Gratis och tar endast 30 sekunder
Varför har du tänkt dig VVX nu? Det går givetvis fint men nu börjar det bli väldigt mycket grejer som inte självklart tillför så mycket.
Och om du tänker dig VVX behöver du inte fundera så mycket kring dimensionering se bara till att de ligger i överkant de blir i praktiken aldrig för stora. Man går på effektangivelser för olika difftemp på primär och sekundärsidan och väljer man med stor effekt blir det positivt för hur man kan välja driva den sett till temperaturer och flöden. Och priset har ganska högt insteg på växlare så om man sen väljer lite större påverkar det inte så mycket.
Och om du tänker dig VVX behöver du inte fundera så mycket kring dimensionering se bara till att de ligger i överkant de blir i praktiken aldrig för stora. Man går på effektangivelser för olika difftemp på primär och sekundärsidan och väljer man med stor effekt blir det positivt för hur man kan välja driva den sett till temperaturer och flöden. Och priset har ganska högt insteg på växlare så om man sen väljer lite större påverkar det inte så mycket.
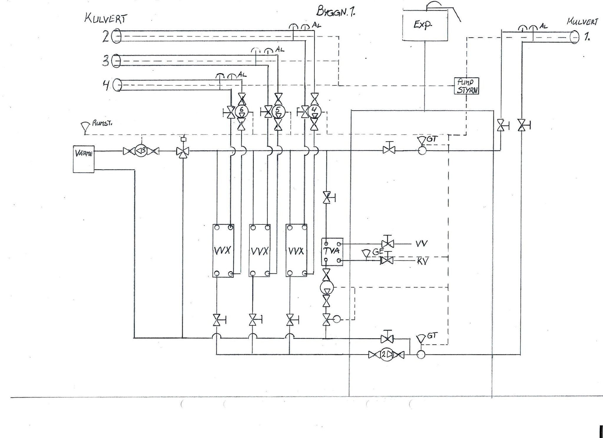
Hej igen nu har det gått nästan ett år sen sist o tyvärr har det inte hänt så mycket mer, lite mer rördragning fram till tankar o kulvertar har jag gjort men sen har det tagit stopp.
Jag har nu haft värme i byggnad 1 samma byggnad som första tanken finns i "fördelningstanken" den har jag hållit varm med 2st 3kw aerotemprar,
byggnad 2 håller jag varm med en 7kw värmepump "jag skrev tidigare att den var på 8kw men det stämmer inte" den byggnaden har tidigare värmts av en 6 kw elpatron,
byggnad 3 håller jag varm med en 5kw aerotemper
byggnad 4 finns inte än men den borde klara sig på 15kw
Så frågan kvarstår är det någon som vet hur stora värmeväxlare jag behöver till detta, eller hur räknar jag ut detta.
Jag tror att man kan förutsätta att ingående temp i vvx kommer aldrig att gå under 65gr.
jag fick tidigare svaret att det är bara att ta till med storleken på vvx??
men vad är det 25kw 90kw 350 kw??
Jag har nu haft värme i byggnad 1 samma byggnad som första tanken finns i "fördelningstanken" den har jag hållit varm med 2st 3kw aerotemprar,
byggnad 2 håller jag varm med en 7kw värmepump "jag skrev tidigare att den var på 8kw men det stämmer inte" den byggnaden har tidigare värmts av en 6 kw elpatron,
byggnad 3 håller jag varm med en 5kw aerotemper
byggnad 4 finns inte än men den borde klara sig på 15kw
Så frågan kvarstår är det någon som vet hur stora värmeväxlare jag behöver till detta, eller hur räknar jag ut detta.
Jag tror att man kan förutsätta att ingående temp i vvx kommer aldrig att gå under 65gr.
jag fick tidigare svaret att det är bara att ta till med storleken på vvx??
men vad är det 25kw 90kw 350 kw??
Klicka här för att svara

