49 693 läst ·
155 svar
50k läst
155 svar
Moddad Orlan 40..
Hej allihopa!
Efter att ha eldat med pellets i min orlan super 40 i styvt ett år så är det nu dags att gå över till ved igen tänkte jag. Pellets e dyrt!
Slutade elda pga att min styrning pajjade. Har nu programmerat en DUC till att sköta jobbet. Den kommer att ha en timme på sig att komma upp till låt säga 60 grader sen vet den att pannan tuffar o går, fläkten kommer sedan att stanna vid låt säga 94 grader för att sen starta igen vid 80 grader. om sen tempen sjunker under 78 grader så har den 30 minuter på sig att komma över 82 grader. Hela proceduren startas av en tryckknapp på en digital ingång på ducen och stängs av med en annan knapp på digital ingång. Just nu så styr jag laddomaten men min rökgastermostat men den är otroligt lätt att lägga på en digital utgång i ducen som jag sedan bestämmer temp intervallet med.
Har även lagt in så att jag har möjlighet att styra fläkthastigheten linjärt med panntempen med en analog utgång (0 - 10v) på ducen. Kommer att grejja vidare med detta nu till helgen då det blir ombyggnad av pannan så att både primär och sekundär luft blir snabbjusterbara från utsidan av pannan. Återkommer snart med bilder på detta. Skall även tillverka en liknande slutförbrännings uta som Åskar har gjort och se hur det funkar eftersom mina nya stenar sprack efter ett par veckor trots att dessa hade stått i pannrummet i nästan 2 månader innnan användande. Om någon har några nya saker att tilläga eller ide på styrning så vore det kul om dessa kom upp här på forumet.
/Jesper
Efter att ha eldat med pellets i min orlan super 40 i styvt ett år så är det nu dags att gå över till ved igen tänkte jag. Pellets e dyrt!
Har även lagt in så att jag har möjlighet att styra fläkthastigheten linjärt med panntempen med en analog utgång (0 - 10v) på ducen. Kommer att grejja vidare med detta nu till helgen då det blir ombyggnad av pannan så att både primär och sekundär luft blir snabbjusterbara från utsidan av pannan. Återkommer snart med bilder på detta. Skall även tillverka en liknande slutförbrännings uta som Åskar har gjort och se hur det funkar eftersom mina nya stenar sprack efter ett par veckor trots att dessa hade stått i pannrummet i nästan 2 månader innnan användande. Om någon har några nya saker att tilläga eller ide på styrning så vore det kul om dessa kom upp här på forumet.
/Jesper
Medlem
· Västerbotten
· 88 inlägg
Kul att tråden vaknat upp!
Vore intressant att se någon klurig lösning på att ersätta tallrikarna på sekundärluften.
Vet inte hur det ser ut på era pannor, men den som svetsat runt primärluft-kanalerna (2st på 60kw-modellen) på min panna verkar inte ha de rätta anlagen för att uttrycka mig snällt.
Därför skulle jag helst vilja kapa bort de utstickande rörstumparna och helsvetsa runt dem, samt slipa svetsarna jämnt med pannkroppen.
Min tanke var sedan att göra ett horisontellt skjutspjäll över kanalerna. Det hade dock varit optimalt om man lyckas få öppningsarean proportionell mot spjällets rörelse på nåt vis...
Vore intressant att se någon klurig lösning på att ersätta tallrikarna på sekundärluften.
Vet inte hur det ser ut på era pannor, men den som svetsat runt primärluft-kanalerna (2st på 60kw-modellen) på min panna verkar inte ha de rätta anlagen för att uttrycka mig snällt.
Därför skulle jag helst vilja kapa bort de utstickande rörstumparna och helsvetsa runt dem, samt slipa svetsarna jämnt med pannkroppen.
Min tanke var sedan att göra ett horisontellt skjutspjäll över kanalerna. Det hade dock varit optimalt om man lyckas få öppningsarean proportionell mot spjällets rörelse på nåt vis...
Har börjat rota i den här eländes pannan. (40kW Orlan Super).
Detaljgranskar man konstruktionen så ser man att upphovsmannen till denna panna inte vetat mycket om mekanik, förbränningsteknik eller verkstadsteknik. Den stackare som sedan har byggt ihop det hela har dels haft problem med delarna men sedan själv inte varit någon licenssvetsare precis.
Hur sjutton kan man som montör tillåta sig att dunka ner ett av de där vridna plattjärn i de vertikala rökrören, plattjärn som ska gå lätt för att rensa rökrören - men som nästan kräver en slägghammare för att få ner.
Har nästan brutit av spaken på sidan som ska dra spiraljärnen up och ner och detta bara på grund av att kretinen som skulle vrida plattjärnet gjorde något helt annat än att tillverka en koncentriskt vriden järnbit.
Spaken med dess horisontella axel är placerad nästan precis mitt ovanför rökrören vilket är heltokigt om man ska dra spiralerna upp och ner med minsta möjliga friktion mot rökrörens sida, hävarmen på axeln sliter spiralerna ut mot ena sidan av rökrören.
Vidare har man inte vridit spiralerna tillräckligt mycket för att rensa effektivt. Slaglängden på rensanordningen är bara hälften av stigningen på spiralen vilket då gör att rökröret bara rensas halva stigningen. Fullständigt ogenomtänkt konstruktion!
Fortsätter man inspektionen så ser man att rökrören (sex st) mynnar ut endast 6-7 centimeter ovanför pannans botten och i en ficka som är gjord för ändamålet. Sotar man inte denna ficka varannan dag eller så täpps nedre änden av rökrören till av den ökande askmängden. Vet man detta så får man också förklaringen till varför draget genom pannan ibland blir nästa noll - när asknivån under rökrören har stigit tillräckligt. Bara detta ökar starkt risken för 'bakpuffar' (=gasexplosioner) i pannan vilka sprättar loss skruvarna som håller frontplåten på plats.
Nästa kortslutning som har inträffat för tillverkaren är de där keramiska U-formade turbulatorerna som står i botten på pannan. De utsätts för mycket höga temperaturer när pannan går för fullt men när pannan svalnar mellan brasorna så spricker de mer och mer. För att aska rökrörens nedre del som är utspridda längs pannans bortre kortsida så måste man ta ut turbulatorerna (det är två tunga klumpar). Nu har tillverkaren i sin oändliga visdom gett sjutton i att armera de här cement/keramikblocken och den ena av dem påminner numera mest om en grushög.
Luckornas tätningsremsor komprimeras efterhand och det är då lämpligt att efterjustera dem. Piece of cake tror man - ända tills dess man ser hur utomordentligt smart man har varit när man monterat luckorna. Den gängade gångjärnstappen har en mutter på ömse sidor om fästplattan i pannan och det hade varit - just det - jättelätt att justera om inte licenssvetsaren hade SVETSAT FAST den bakre muttern.
Men gasexplosionerna i pannan beror till ännu större del på att man blåser in förbränningsluften UPPTILL i pannan. Med torr o fin ved får man då lätt en övertändning i pannan och hela vedförrådet tar eld. Men utloppet klarar inte denna superbrasa och trycket i pannan stiger tvärt när alla rökgaserna upptill i pannan tar eld. Det blir en dov och mäktig smäll och frontplåten kupar sig utåt, fläkten som sitter där får en kraftig spasm och pannans utandning tränger ut i springor och skarvar. Pannan själv öppnar då också i ren självbevarelsedrift direktspjället ut i skorstenen för att utjämna trycket.
Röken från pannans gasexplosioner försöker man förstås vädra ut men en så långvarig vädring går inte att effektuera vintertid så nu luktar det rök i hela huset.
Gäster som bor i hus med fjärrvärme reagerar på röklukten när de kommer på besök och rekommenderar en annnan/ny/ingen panna alls.
Ännu har inte tandläkare eller andra personer som man har tämligen nära kontakt med kommenterat att man luktar som en uteliggare som kokar kaffet över öppen eld. Men det är väl bara en tidsfråga.
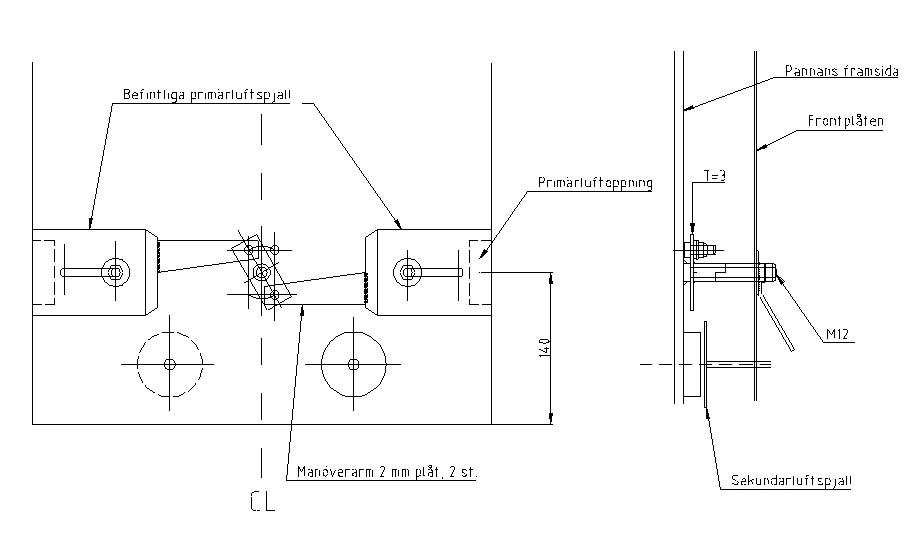
För att öka justeringsmöjligheterna så byggdes primärluftregleringen om så att luften nu kan justeras från 0% till 100% med ett externt handtag på frontplåten. Det visade sig gå riktigt bra att fixa till och pannan har nu en kort hängande spak nedanför fläkten på framsidan av pannan.
Bifogar bild på framsidan av pannan.
Lyckas jag så ska jag ladda upp bilden på ombyggnaden av primärluftregleringen, det är en bild från mitt CAD-program.
Avslutningsvis i den här tiraden så har min svåger en jordvärmepump som skulle passa väldigt bra här ner i källaren i stället för den gamla pumpen som kraschade i fjol somras. När den nya pumpen är ansluten till jordslingorna och allt är provkört så blir det inte en vedpinne till Orlanpannan igen. I alla fall inte förrän den är ombyggd med tipsen från alla snälla och vänliga medlemmar här på forumet.
Däremot så kan det hända att en bra o billig pelletsbrännare kommer att monteras i den här pannan. Mest bara för att se om det går att göra...
Detaljgranskar man konstruktionen så ser man att upphovsmannen till denna panna inte vetat mycket om mekanik, förbränningsteknik eller verkstadsteknik. Den stackare som sedan har byggt ihop det hela har dels haft problem med delarna men sedan själv inte varit någon licenssvetsare precis.
Hur sjutton kan man som montör tillåta sig att dunka ner ett av de där vridna plattjärn i de vertikala rökrören, plattjärn som ska gå lätt för att rensa rökrören - men som nästan kräver en slägghammare för att få ner.
Har nästan brutit av spaken på sidan som ska dra spiraljärnen up och ner och detta bara på grund av att kretinen som skulle vrida plattjärnet gjorde något helt annat än att tillverka en koncentriskt vriden järnbit.
Spaken med dess horisontella axel är placerad nästan precis mitt ovanför rökrören vilket är heltokigt om man ska dra spiralerna upp och ner med minsta möjliga friktion mot rökrörens sida, hävarmen på axeln sliter spiralerna ut mot ena sidan av rökrören.
Vidare har man inte vridit spiralerna tillräckligt mycket för att rensa effektivt. Slaglängden på rensanordningen är bara hälften av stigningen på spiralen vilket då gör att rökröret bara rensas halva stigningen. Fullständigt ogenomtänkt konstruktion!
Fortsätter man inspektionen så ser man att rökrören (sex st) mynnar ut endast 6-7 centimeter ovanför pannans botten och i en ficka som är gjord för ändamålet. Sotar man inte denna ficka varannan dag eller så täpps nedre änden av rökrören till av den ökande askmängden. Vet man detta så får man också förklaringen till varför draget genom pannan ibland blir nästa noll - när asknivån under rökrören har stigit tillräckligt. Bara detta ökar starkt risken för 'bakpuffar' (=gasexplosioner) i pannan vilka sprättar loss skruvarna som håller frontplåten på plats.
Nästa kortslutning som har inträffat för tillverkaren är de där keramiska U-formade turbulatorerna som står i botten på pannan. De utsätts för mycket höga temperaturer när pannan går för fullt men när pannan svalnar mellan brasorna så spricker de mer och mer. För att aska rökrörens nedre del som är utspridda längs pannans bortre kortsida så måste man ta ut turbulatorerna (det är två tunga klumpar). Nu har tillverkaren i sin oändliga visdom gett sjutton i att armera de här cement/keramikblocken och den ena av dem påminner numera mest om en grushög.
Luckornas tätningsremsor komprimeras efterhand och det är då lämpligt att efterjustera dem. Piece of cake tror man - ända tills dess man ser hur utomordentligt smart man har varit när man monterat luckorna. Den gängade gångjärnstappen har en mutter på ömse sidor om fästplattan i pannan och det hade varit - just det - jättelätt att justera om inte licenssvetsaren hade SVETSAT FAST den bakre muttern.
Men gasexplosionerna i pannan beror till ännu större del på att man blåser in förbränningsluften UPPTILL i pannan. Med torr o fin ved får man då lätt en övertändning i pannan och hela vedförrådet tar eld. Men utloppet klarar inte denna superbrasa och trycket i pannan stiger tvärt när alla rökgaserna upptill i pannan tar eld. Det blir en dov och mäktig smäll och frontplåten kupar sig utåt, fläkten som sitter där får en kraftig spasm och pannans utandning tränger ut i springor och skarvar. Pannan själv öppnar då också i ren självbevarelsedrift direktspjället ut i skorstenen för att utjämna trycket.
Röken från pannans gasexplosioner försöker man förstås vädra ut men en så långvarig vädring går inte att effektuera vintertid så nu luktar det rök i hela huset.
Gäster som bor i hus med fjärrvärme reagerar på röklukten när de kommer på besök och rekommenderar en annnan/ny/ingen panna alls.
Ännu har inte tandläkare eller andra personer som man har tämligen nära kontakt med kommenterat att man luktar som en uteliggare som kokar kaffet över öppen eld. Men det är väl bara en tidsfråga.
För att öka justeringsmöjligheterna så byggdes primärluftregleringen om så att luften nu kan justeras från 0% till 100% med ett externt handtag på frontplåten. Det visade sig gå riktigt bra att fixa till och pannan har nu en kort hängande spak nedanför fläkten på framsidan av pannan.
Bifogar bild på framsidan av pannan.
Lyckas jag så ska jag ladda upp bilden på ombyggnaden av primärluftregleringen, det är en bild från mitt CAD-program.
Avslutningsvis i den här tiraden så har min svåger en jordvärmepump som skulle passa väldigt bra här ner i källaren i stället för den gamla pumpen som kraschade i fjol somras. När den nya pumpen är ansluten till jordslingorna och allt är provkört så blir det inte en vedpinne till Orlanpannan igen. I alla fall inte förrän den är ombyggd med tipsen från alla snälla och vänliga medlemmar här på forumet.
Däremot så kan det hända att en bra o billig pelletsbrännare kommer att monteras i den här pannan. Mest bara för att se om det går att göra...
Inloggade ser högupplösta bilder
Logga in
Skapa konto
Gratis och tar endast 30 sekunder
Inloggade ser högupplösta bilder
Logga in
Skapa konto
Gratis och tar endast 30 sekunder
http://www.electrokit.com/syren-10-regenerativ-motorstyrning.45055jakeelee skrev:
[url]http://www.electrokit.com/easydriver-v4-stegmotordrivare.45650
[/URL]
Redigerat:
Ska det behövas justeras hela tiden?
Jag har ställt in min orlan 25 med
9mm primär
Ett halvt varv öppen sekundär.
Pannan fungerar utan problem, kan bli någon enstaka puff då jag eldar torrgran. Men det ska fixas i sommar genom att flytta ner insläppen.
Det där att fronten flyger loss måste vara för att ni kör utan frontplåten "gallret"?
När jag har min plåt kvar så kan jag inte få loss den utan att öppna båda luckorna då dom håller fast den.
Men ni kanske justerar pannan under tiden den brinner?
Mvh Jonny
Jag har ställt in min orlan 25 med
9mm primär
Ett halvt varv öppen sekundär.
Pannan fungerar utan problem, kan bli någon enstaka puff då jag eldar torrgran. Men det ska fixas i sommar genom att flytta ner insläppen.
Det där att fronten flyger loss måste vara för att ni kör utan frontplåten "gallret"?
När jag har min plåt kvar så kan jag inte få loss den utan att öppna båda luckorna då dom håller fast den.
Men ni kanske justerar pannan under tiden den brinner?
Mvh Jonny
Nej spjällen ska nog inte justeras hela tiden, bara tills dess man hittar det läge där pannan fungerar bra. Något sånt läge har jag inte hittat. Ännu.
Frontplåten måste sitta kvar på pannan då fläkten sitter fast i den. Men plåten böjer sig och blir otät och måste då riktas innan man sätter tillbaka den.
Däremot är kåpan över fläkten borttagen då den kolliderade med den nya spaken för primärluften. Nu tror jag inte den kåpan har någon inverkan på pannans funktion, det är nog bara en kosmetisk grej.
Medan pannan brinner kan man prova ut olika inställningar och det är då mycket opraktiskt att ställa in sekundärluften med skruvmejsel.
Ska fundera vidare på om det inte går att reglera sekundärluften på ett liknande sätt - med spjäll - och det gör inställningen betydligt enklare och snabbare.
Men det som kanske är nog så viktigt är att enkelt kunna sot ur askan vid de sex rökrörens nedre ändar för att underlätta rökens väg. Blir det för mycket aska där så kan inte röken från pannans övertändning komma ut fort nog och då exploderar gaserna. Med känt resultat.
Ytterligare en förbättring är att kunna sota rökrören på ett effektivt sätt. Andra pannor har en ganska tätlindad spiralfjäder av fyrkanttråd som dras upp och ner. Slaglängden behöver då inte bli så stor med en tämligen tätlindad fjäder. Det lutar åt att investera i sex sådana där fjädrar - som egentligen skulle ha suttit där från början. Men nu har inte Orlan sådana där fjädrar så det blir att gå till en annan panntillverkare för att köpa.
Tänk om man vetat sådant här från början...
Frontplåten måste sitta kvar på pannan då fläkten sitter fast i den. Men plåten böjer sig och blir otät och måste då riktas innan man sätter tillbaka den.
Däremot är kåpan över fläkten borttagen då den kolliderade med den nya spaken för primärluften. Nu tror jag inte den kåpan har någon inverkan på pannans funktion, det är nog bara en kosmetisk grej.
Medan pannan brinner kan man prova ut olika inställningar och det är då mycket opraktiskt att ställa in sekundärluften med skruvmejsel.
Ska fundera vidare på om det inte går att reglera sekundärluften på ett liknande sätt - med spjäll - och det gör inställningen betydligt enklare och snabbare.
Men det som kanske är nog så viktigt är att enkelt kunna sot ur askan vid de sex rökrörens nedre ändar för att underlätta rökens väg. Blir det för mycket aska där så kan inte röken från pannans övertändning komma ut fort nog och då exploderar gaserna. Med känt resultat.
Ytterligare en förbättring är att kunna sota rökrören på ett effektivt sätt. Andra pannor har en ganska tätlindad spiralfjäder av fyrkanttråd som dras upp och ner. Slaglängden behöver då inte bli så stor med en tämligen tätlindad fjäder. Det lutar åt att investera i sex sådana där fjädrar - som egentligen skulle ha suttit där från början. Men nu har inte Orlan sådana där fjädrar så det blir att gå till en annan panntillverkare för att köpa.
Tänk om man vetat sådant här från början...
Den fyrkantiga gröna yttre fläktkåpan sitter bara påträdd på fyra stycken stift som i sin tur sitter fast i frontplåten. Denna fläktkåpa har ingen som helst funktion annat än kosmetisk. Den påverkar inte pannans funktion.
Frontplåten sitter bara med plåtskruv och det är inga problem att skjuta loss skruvarna har det visat sig.
Har precis nu varit ner i pannrummet för att kontrollera att den senast bakpuffen (gasexplosionen) inte tände eld på vedförrådet i pannrummet.
Svåger no2 som satt i vardagsrummet ovanför pannrummet kände att golvet höjde sig vid smällen och trodde att det var någon slags jordbävning. Fönstren i pannrummet blåstes ut och det var ren tur att jag inte fick eldkvasten i ansiktet när luckan slog upp igen när jag skulle stänga den.
Damerna uppe i köket upplevde smällen som otäck och det lär nu aldrig i livet gå att få bätterhälften att gå ner i pannrummet och elda i den där pannan. Och jag förstår henne.
Ska ringa svåger no1 och höra om vi inte kan montera värmepumpen på en gång, det törs f-n inte elda i den där pannan nån fler gång.
Vi får köra med elektriska element tills vidare.
Namnet Orlan har plötsligt fått ett makalöst dåligt rykte och betyget är dessvärre troligtvis permanent.
Tvättmaskinen lär gå varm den närmaste tiden när alla kläder ska tvättas (som är möjliga att tvätta) resten får vi försöka vädra så gott det går. Kan man få en ozonbehandling av huset betald av försäkringsbolaget så får man väl lägga ut alla textiler inomhus innan man flyttar in på hotell.
Vilken jäkla smäll alltså...
Frontplåten sitter bara med plåtskruv och det är inga problem att skjuta loss skruvarna har det visat sig.
Har precis nu varit ner i pannrummet för att kontrollera att den senast bakpuffen (gasexplosionen) inte tände eld på vedförrådet i pannrummet.
Svåger no2 som satt i vardagsrummet ovanför pannrummet kände att golvet höjde sig vid smällen och trodde att det var någon slags jordbävning. Fönstren i pannrummet blåstes ut och det var ren tur att jag inte fick eldkvasten i ansiktet när luckan slog upp igen när jag skulle stänga den.
Damerna uppe i köket upplevde smällen som otäck och det lär nu aldrig i livet gå att få bätterhälften att gå ner i pannrummet och elda i den där pannan. Och jag förstår henne.
Ska ringa svåger no1 och höra om vi inte kan montera värmepumpen på en gång, det törs f-n inte elda i den där pannan nån fler gång.
Vi får köra med elektriska element tills vidare.
Namnet Orlan har plötsligt fått ett makalöst dåligt rykte och betyget är dessvärre troligtvis permanent.
Tvättmaskinen lär gå varm den närmaste tiden när alla kläder ska tvättas (som är möjliga att tvätta) resten får vi försöka vädra så gott det går. Kan man få en ozonbehandling av huset betald av försäkringsbolaget så får man väl lägga ut alla textiler inomhus innan man flyttar in på hotell.
Vilken jäkla smäll alltså...
Verkar vara ett jäkla drag i din panna, vad har du för inställningar?
Var själv med om en sådan smäll engång när jag skulle fylla på med ved.
Dock var inställningarna helt galen efter tidigare ägare. Både sek/primär var helt öppen.
Sen efter jag tänkt tillbaka vad som hände den gången, jag hade glömt att öppna bypassen. Så jag slog av fläkten väntade 5sek och sen öppnade luckan till ett utrymme fullt med gengas, som antände när syret kom in i en hast.
Då vart det sån smäll att fönstren skallrade och det vart en stor boll med rök vid skorsten.
Var själv med om en sådan smäll engång när jag skulle fylla på med ved.
Dock var inställningarna helt galen efter tidigare ägare. Både sek/primär var helt öppen.
Sen efter jag tänkt tillbaka vad som hände den gången, jag hade glömt att öppna bypassen. Så jag slog av fläkten väntade 5sek och sen öppnade luckan till ett utrymme fullt med gengas, som antände när syret kom in i en hast.
Då vart det sån smäll att fönstren skallrade och det vart en stor boll med rök vid skorsten.
Håller på att kolla inställningarna och att jag hade dragit ner fläkten till 30% hade jag glömt, trodde det var 50% men nu ser jag att det är fabriksinställningen som är 50%.
Fläktens mekaniska spjäll står på 50% också så då blir det totalt sett, få se nu, 25% av max. Teoretiskt i alla fall.
Sekundärluften 40%, primärluft 3 varv på båda skruvarna.
Pratade med svåger no1 igen och han föreslog att sätta in en sugande fläkt bakom pannan. Den skulle man sedan kunna ge ström till via en egen matning genom en liten varvtalsregulator. Electrokit har lite grejor för detta.
Men problemet med askan nedanför rökrörens nedre ände (inuti pannan) kvarstår. Man skulle kunna lägga in ett rostfritt rör in till det lilla rackarns ytrymmet där rökrören mynnar ut nertill och innan man eldar så startar man fläktarna och blåser sedan bort askan med hjälp av tryckluft genom små hål längs röret.
Sotningen av de sex rökrören får bli manuellt så länge. Men där finns ju möjligheten med 'spiralfjädrarna', ska i så fall bara göra en användbar hissanordning för dem.
Fläktens mekaniska spjäll står på 50% också så då blir det totalt sett, få se nu, 25% av max. Teoretiskt i alla fall.
Sekundärluften 40%, primärluft 3 varv på båda skruvarna.
Pratade med svåger no1 igen och han föreslog att sätta in en sugande fläkt bakom pannan. Den skulle man sedan kunna ge ström till via en egen matning genom en liten varvtalsregulator. Electrokit har lite grejor för detta.
Men problemet med askan nedanför rökrörens nedre ände (inuti pannan) kvarstår. Man skulle kunna lägga in ett rostfritt rör in till det lilla rackarns ytrymmet där rökrören mynnar ut nertill och innan man eldar så startar man fläktarna och blåser sedan bort askan med hjälp av tryckluft genom små hål längs röret.
Sotningen av de sex rökrören får bli manuellt så länge. Men där finns ju möjligheten med 'spiralfjädrarna', ska i så fall bara göra en användbar hissanordning för dem.
Sotarn informerades vid sitt besök nyss om Orlanpannans egenheter och han skrattade rakt ut när jag visade de fastsvetsade justermuttrarna för luckorna på pannan.
Men de där sex rökrören som nu är rensade från spiralerna sotade han med en viska, ingen diskussion, han bara lyfte loss ytterkåpan, skruvade loss de två muttrarna som håller den lilla luckan över rörkrören och fixade sotningen.
Men de där rören måste sotas oftare än den enda gång per år som han kommer så det blir nog i alla fall nödvändigt att hitta på nåt bra för att sota rören med hjälp av den spak som redan finns där för ändamålet.
Den sugande fläkten som är på förslag gillade inte sotaren. Då ställs det helt andra krav på skorstenens täthet sa han. Men den befintliga tryckande fläkten kan faktiskt i värsta fall också orsaka ett övertryck i skorstenen och balanserar man de båda fläktarna förändras inga tryck i skorstenen så det var nog inte helt övertänkt av sotaren.
Men de där sex rökrören som nu är rensade från spiralerna sotade han med en viska, ingen diskussion, han bara lyfte loss ytterkåpan, skruvade loss de två muttrarna som håller den lilla luckan över rörkrören och fixade sotningen.
Men de där rören måste sotas oftare än den enda gång per år som han kommer så det blir nog i alla fall nödvändigt att hitta på nåt bra för att sota rören med hjälp av den spak som redan finns där för ändamålet.
Den sugande fläkten som är på förslag gillade inte sotaren. Då ställs det helt andra krav på skorstenens täthet sa han. Men den befintliga tryckande fläkten kan faktiskt i värsta fall också orsaka ett övertryck i skorstenen och balanserar man de båda fläktarna förändras inga tryck i skorstenen så det var nog inte helt övertänkt av sotaren.