96 431 läst ·
783 svar
96k läst
783 svar
Har ni koll på era jordfelsbrytare?
Hej AndersA Anders_Nilsson skrev:Inom bilvärlden körd det mest med open loop reglering. Motorn tillverkas inom så snäva toleranser att den vet att en viss kombination av spjälläge, varvtal, insprutad mängd, lufttemperatur och mycket mer ger ett visst vridmoment. Så maskinen vi talar om bör veta hur mycket fulel (övertoner, DC) den producerar. Det här får tillverkarna mäta upp i lab under utvecklingens gång.
Släpper bilarna ut för mycket vid till exempel besiktningen blir det recall. Dags att införa detta även för växelriktare med årlig besiktning där besiktningsbilen kopplar från utrustningen frånelnätet och kör den mot testbilen som kollar hur mycket DC som släps ut.
Du kan göra så, men jag tror ändå inte du uppnår det som åsyftas.
I elnätet är apparaterna hopkopplade på ett annat (stummare) sätt än om du jämför med hur bilmotorer är sammankopplade med luften omkring oss.
Elapparaterna delar snarare på elnätet som om det vore ett "slutet kommunicerande kärl" där utsläpp från en apparat i form av övertoner eller osymmetri direkt påverkar matningsspänningen (utgör matningsspänningen) till en annan apparat.
Lossar du apparaten från den kopplingen, elnätet (det slutna kommunicerande kärlet) och kopplar det till ett speciellt elnät för test då, ändras direkt t.ex. hur apparatens matningsspänning ser ut.
Och då missar du nog det du är ute efter.
Medlem
· Halland
· 4 435 inlägg
Jovisst, men min poäng är att om alla växelriktare i världen inte släpper ut DC eller överypnet i alla upptänkliga driftfall borde vi inte se DC eller övertoner på nätet. Jag bortser nu från övriga apparater.M Martin Lundmark skrev:Hej Anders
Du kan göra så, men jag tror ändå inte du uppnår det som åsyftas.
I elnätet är apparaterna hopkopplade på ett annat (stummare) sätt än om du jämför med hur bilmotorer är sammankopplade med luften omkring oss.
Elapparaterna delar snarare på elnätet som om det vore ett "slutet kommunicerande kärl" där utsläpp från en apparat i form av övertoner eller osymmetri direkt påverkar matningsspänningen (utgör matningsspänningen) till en annan apparat.
Lossar du apparaten från den kopplingen, elnätet (det slutna kommunicerande kärlet) och kopplar det till ett speciellt elnät för test då, ändras direkt t.ex. hur apparatens matningsspänning ser ut.
Och då missar du nog det du är ute efter.
Hej GK100GK100 skrev:
I DC-fallet gör du det onödigt svårt för oss och kanske dig också. Som du kanske såg när du kom in med din skiss där en trafo var lagd med ena anslutningen fel mot N och PE skrev jag någon kommentar/fråga där. Bland annat om man kan tillämpa superposition (och det kan man med fördel) och sätta in lite lämpliga resistanser och källor i näten.
Det som man får göra är lite mer kvalificerade mätningar av DC i olika anläggningar över tid så man har något att sätta in som realistiska källor. Nu är det åtminstone för mig inget okänt efter otaliga fältmätningar i elkraftsystem så går bra att skatta med rätt marginal för eget bruk. Det går då också bra att anta orimliga fall åt båda håll och med olika nät/förbrukare för att som du skrev tidigare hitta "väggarna".
Varje gång tråden vaknar passar jag på att fundera lite och bygga några nya scenarion. Och hittills håller jag fast vid att man får lite slå knut på sig för att lyckas skaka fram risker av lite allvarligare typ. Det hindrar ju inte hypotetiska fall nu orealistiska att komma i framtiden men även det för min del osannolikt.
För att ansluta till din skiss med trafon tycker jag du kan lägga till en brytare i fasen dvs vad man normalt har föt manövrering av grejer som din förstärkare osv. Tänk sen fallet med JFB transient vid tillslag med DC och magnetiseringsförloppet av trafon i olika faslägen på AC-sidan. Typiska data magnetiskt för summatrafon i JFB har tex jag skrivit om i några andra trådar här det går att använda för olika skattningar av mättning mm
Jag har full förståelse att många kan tycka att det blir komplicerat, när jag funderar hur jag själv skall försöka begripa ”väggarna” i problemställningen.
Men skall man förstå hur DC-komponenter uppstår, sprider sig och skall hanterats i ett elnät, då får man nog räkna med tusentals mantimmars arbete för att skapa en begriplig förståelse.
Jag arbetat på som jag gjorde på ABB och sedan på universitetet med supratonerna för att förstå sambanden och begränsningarna, vilka parametrar som var viktiga, vilka som var osäkra etc. samtidigt som jag försökte skapa en modellbildning (en hypotes) hur saker hängde ihop, och kunde förstås.
Det finns mängder med elapparater och kretslösningar som bör gås igenom för att skapa en uppfattning hur DC-komponenter uppstår, sprider sig och skall hanterats i ett elnät.
När det gäller supratoner så inriktade vi oss bl.a. på belysning och senare alltmer på LED-lampor av olika typer och med olika kopplingsscheman, för att studera supratoner uppstår, sprider sig och skall hanterats.
När det gäller DC-komponenter blir det möjligen andra elapparater.
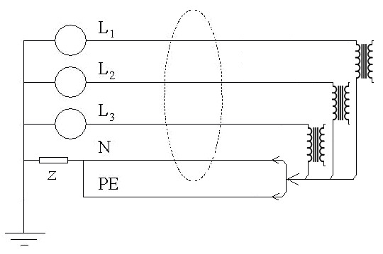
I mitt tankearbete har jag nu ”vandrat vidare” i förståelsen vad som eventuellt kan skapa besvärliga situationer gällande DC-ström i jordfelsbrytare. Jag har planerat för att stegvis komma till denna blid men visat enklare bilder för att om möjligt få fler andra att hänga med i samtalen.
En symmetrisk inkopplad trefaslast med de egenskaper som en transformator har, gällande stor skillnad mellan AC/DC impedans skulle se ut som i figuren nedan.
Inloggade ser högupplösta bilder
Logga in
Skapa konto
Gratis och tar endast 30 sekunder
Den Y-kopplade transformatorn har (idealt sett) ingen växelströmskomponent i punkten för kortslutning mellan PE och N. Däremot så släpper den igenom likströmskomponenten. Är det tre DC-strömmar med samma riktning i L1, L2 och L3 då summeras dessa genom jordfelsbrytarens mätkärna.
Naturligtvis så ”mår” de tre transformatorerna inte bra om de får stora DC-strömmar men i detta fall så räcker ett bidrag på drygt 4 mA i varje transformator för att nå upp till 12 mA i punkten för kortslutning mellan PE och N. Det innebär då en tredjedel av DC-spänningen i elnätet i den tabell som fanns i det enfasiga fallet som beskrevs i #381.
Hej AndersA Anders_Nilsson skrev:
Jag förstår att det är ett bra mål men är det lätt idag att ställa kravet att en bil inte skall ha några utsläpp överhuvudtaget?
Vad kostar den bilen och vilka egenskaper får man då snäppa på (sänka kraven på)?
Få solcellsanläggningar är lik någon annan. Även om det är samma antal solfångare och även identisk omriktare så kan taken kräva olika infästningar, placering av åskskydd, DC-frånskiljare, omriktare förläggning av kablar etc. som kan påverka både AC- och DC-läckström.
Bara genom att tillåta en transformator så skulle rimligen DC-strömmarna minska men då ökar priset och verkningsgraden sänks.
Det är inte bara solcellsanläggningar och billaddare som riskerar att släppa ut DC- komponenter. Dessa två är stora till eleffel´kt men vi kan ha mängder av elapparater som eventuellt kan vara mindra bra i denna aspekt.
Får du då alla med på förslaget så får du sedan baxa det genom alla normgrupper (ett normarbete tar normalt 8-20 år) och sedan får du vänta till alla bytt ut sina elapparater som du valt att ändra normerna på.
Förutom rimligen högre kostnader och sämre verkningsgrad så tillkommer troligen en provningsavgift alla skall påföras med jämna mellanrum.
Lycka till
En nätansluten apparat påverkas inte alls av vilka strömas som andra apparater skickar ut på elnätet. Det är enbart spänningen på nätet som är av intresse. Strömmen genom apparaten är beroende av spänningen och hur apparaten är konstruerad.M Martin Lundmark skrev:Hej Daniel 109
Nej, jag tror inte jag blandar ihop ström och spänning!
Om vi börjar med övertoner (upp till 2 kHz) så är det känt att huvuddelen av övertonsströmmar går mot elnätets matande transformator se figur nedan, där huvuddelen av övertonerna hittar den lägsta impedansen uppåt i elnätet. Mäter man i elnätet så hittar man att huvuddelen av övertonernas strömmar passerar överlämningspunkten (elmätaren, M i figuren) och strömmarna sluts i distributionstransformatorns lindningar och i överliggande nät.
En del av övertonströmmarna från utrustning A respektive från utrustning B kan man även hitta i utrustning C, en del av övertonströmmarna från utrustning B respektive från utrustning C kan man även hitta i utrustning A och en del av övertonströmmarna från utrustning A respektive från utrustning C kan man även hitta i utrustning B.
Det kan i det fallet utryckas att alla utrustningar genererar övertonströmmar men de kan ha olika fasläge och den ”impedans” som de då erbjuder varandra är lägre än vad distributionstransformatorn och överliggande nät erbjuder. Två övertoner med 180 graders fasförskjutning kan beskrivas som de har en ”negativ” impedans i förhållande till varandra. De ”sugs in” till varandra.
[bild]
Gör man en motsvarande beskrivning av utbredningen av supraharmonics (2–150 kHz) så ser man utbredningen i figuren nedan. Även huvdelen av supraharmonics strömmar går mot den punkt som erbjuder lägst impedans. Men det är oftast inte mot elnätets matande transformator som lägst impedans erbjuds utan den erbjuds mot annan utrustning som också genererar supraharmonics.
[bild]
Även där så kan man motivera det att strömmar vid enskilda frekvenser inom supraharmonics söker sig till andra källor för supraharmonics som har samma frekvenser men annat fasläge på strömmen på samma sätt som övertoner.
Till detta kommer dessutom att till exempel kondensatorer vid höga frekvenser enkelt kan erbjuda lägre impedanser än t.ex. det matande nätet Även detta innebär att strömmar vid enskilda frekvenser inom supraharmonics gärna går mellan utrustning
Detta att supraharmonics ström går in till en elapparat kallas sekundär emission av supraharmonics och det är idag etablerat som begreppsbild inom forskarvärlden.
När vi kommer till DC-strömmar i elnät så har vi ännu inte så mycket forskning som jag läst, men rimligen så kan samma begreppsvärld med sekundär emission användas där. Två AC strömmar (av samma frekvens) har oändligt med faslägen de kan inta till varandra För DC strömmar finns bara två faslägen (två riktningar). Men möter två likströmmar av olika polaritet varandra så kan de på samma sätt som med övertoner beskrivas att de ”sugs” till varandra.
Jämför med två bilbatterier som du antingen ansluter + till + och – till –, då går bara en liten utjämningsström mellan batterierna. Eller så ansluter + på respektive batteriet till – på andra batteriet då blir strömmen stor (begränsas bara av inre resistanser och ledningsresistanser.
Jämför man detta kopplingssätt med att koppla ett batteri till en resistiv last där batteriet med hjälp av spänningen, "trycker" in en ström i resistansen, så ”sugs” strömmen, i detta fallet, mellan batterierna. Batteriet som sitter där i ställer för en resistans hjälper till att driva en ström i kretsen.
Begreppet ”Super toner” tycker jag är väldigt konstigt. Vad är det som är super med de tonerna? Även engelskans ”super harmonics” är tveksam. Det handlar i allmänhet inte om övertoner, utan om störningar från switchregulatorer mm.
I det område min huvudsakliga erfarenhet kommer ifrån benämns störningar på dessa frekvenser som ljudfrekventa störningar. De högre frekvenserna radiofrekventa störningar.
Det finns tydliga krav på vad en apparat får släppa ut och vad den ska tåla att utsättas för.
Huvudsaken är väl att dom som "förorenar" (och tjänar pengar på sina "apparater") även löser dom problem som dom orsakar. Dom ska anpassa sig efter det nät som finns och vi ska inte anpassa våra "nät" efter deras behov. Det kan ju aldrig bli rätt om alla vi andra sa verka som städgummor bara för tillverkarna ska komma billigare undan.
Jag tycker att detta är intressant från en akademisk synvinkel. Men den här bilden visar ju något som är ännu mer orimligt att det skulle uppträda i ett hem. Om det rör sig om en trefastransformator blir det genast två problem. Man har inte trefastransformatorer i hemmet för det första. För det andra brukar inte en trefastransformator ha mittpunkten ansluten till nolla.M Martin Lundmark skrev:
Om det å andra sidan rör sig om tre enfastransformatorer så blir scenariot att de tre identiska transformatorerna som är belastade lika mycket är anslutna till varsin gren av en uppdelad trefasgrupp. Den gemensamma nollan i gruppen har sedan fått kontakt med jord. Ligger de tre transformatorerna på varsin fas på tre enfasgrupper så blir jordfelet på nollan inte lika signifikant på alla transformatorerna. Över huvud taget är ju järnkärnetransformatorer något som mer och mer tillhör det förflutna i hushållsapparater.
Detta med Y-kopplad trefasansluten utrustning är ju något som varit på tal tidigare i tråden. Det måste inte vara en transformator. Det kan vara mittpunkten i en elpatron som fått kontakt med jord också. Men jag har svårt att tro annat än att i alla normala situationer är faserna i husets elanläggning inte jämnt belastade. Obalansen mellan faserna kommer då att skapa en växelström i nollan som vida överskrider eventuella likströmmar i nätet. Och då försvinner förutsättningarna för att blockera jordfelsbrytaren.
Hej Daniel 109D Daniel 109 skrev:En nätansluten apparat påverkas inte alls av vilka strömas som andra apparater skickar ut på elnätet. Det är enbart spänningen på nätet som är av intresse. Strömmen genom apparaten är beroende av spänningen och hur apparaten är konstruerad.
Begreppet ”Super toner” tycker jag är väldigt konstigt. Vad är det som är super med de tonerna? Även engelskans ”super harmonics” är tveksam. Det handlar i allmänhet inte om övertoner, utan om störningar från switchregulatorer mm.
I det område min huvudsakliga erfarenhet kommer ifrån benämns störningar på dessa frekvenser som ljudfrekventa störningar. De högre frekvenserna radiofrekventa störningar.
Det finns tydliga krav på vad en apparat får släppa ut och vad den ska tåla att utsättas för.
Du må tycka att begreppet Supraharmonics (Betyder på engelska ”ovanför övertoner”) är ”väldigt konstigt” men det är ett internationellt vedertaget begrepp inom teknikområdet elkvalité.
Här en rapport; ”Propagation of Supraharmonics in the Low Voltage Grid 2 to 150 kHz” från den elkraftgrupp jag startade vid LTU i Skellefteå. Skriven av den Professor (Math Bollen) och den första kvinnliga doktorand (Sarah Rönnberg) som jag anställde till gruppen för att studera det ”bortglömda” frekvensområdet, 2 till 150 kHz i elnätet. Vi väntar fortfarande på produktnormer för Supraharmonics. Numera består forskargruppen LTU i Skellefteå av ca 20 personer. I rapportens referenslista hittar du flera intressanta artiklar.
https://energiforskmedia.blob.core....-voltage-grid-energiforskrapport-2017-461.pdf
”Supraharmonics in transmission and distribution networks”
https://www.ee.co.za/article/supraharmonics-transmission-distribution-networks.html
Sök på ”Supraharmonics” så hittar du mängder med information.
Hej AvemoA Avemo skrev:Jag tycker att detta är intressant från en akademisk synvinkel. Men den här bilden visar ju något som är ännu mer orimligt att det skulle uppträda i ett hem. Om det rör sig om en trefastransformator blir det genast två problem. Man har inte trefastransformatorer i hemmet för det första. För det andra brukar inte en trefastransformator ha mittpunkten ansluten till nolla.
Om det å andra sidan rör sig om tre enfastransformatorer så blir scenariot att de tre identiska transformatorerna som är belastade lika mycket är anslutna till varsin gren av en uppdelad trefasgrupp. Den gemensamma nollan i gruppen har sedan fått kontakt med jord. Ligger de tre transformatorerna på varsin fas på tre enfasgrupper så blir jordfelet på nollan inte lika signifikant på alla transformatorerna. Över huvud taget är ju järnkärnetransformatorer något som mer och mer tillhör det förflutna i hushållsapparater.
Detta med Y-kopplad trefasansluten utrustning är ju något som varit på tal tidigare i tråden. Det måste inte vara en transformator. Det kan vara mittpunkten i en elpatron som fått kontakt med jord också. Men jag har svårt att tro annat än att i alla normala situationer är faserna i husets elanläggning inte jämnt belastade. Obalansen mellan faserna kommer då att skapa en växelström i nollan som vida överskrider eventuella likströmmar i nätet. Och då försvinner förutsättningarna för att blockera jordfelsbrytaren.
Det är väl inte orimligt att det finns tre (eller t.o.m. fler) enfastransformatorer i ett hem i storlek från ca 10 W och uppåt fördelat på tre faser i ett hem?
Det jag beskriver är ju inte ett färdigt resultat, det kan dröja alltifrån månader till år (rimligen tusentals mantimmar) innan vi är där. Jag för ett stegvis resonemang. Några steg ”i den vandringen” kan ske i detta forum.
Jag beskriver (för den som är intresserad) hur jag stegvis resonerar mig fram för att finna ”väggarna” under vägen mot att identifiera hur DC- komponenter ”uppträder” i elnätet.
Du skriver ”Detta med Y-kopplad trefasansluten utrustning är ju något som varit på tal tidigare i tråden. Det måste inte vara en transformator”
Naturligtvis så finns andra trefaslaster, det är välkänt. Men en transformator har ett intressant förhållande mellan impedansen för AC och resistansen för DC. Och det är det vi bl.a. är intresserade av.
Har du verkligen studerat det enfasiga fallet som jag beskrev i #381 och den tabell som finns där?
Jag kräver inte att du läser vad jag skriver, men jag har uppmanats att ge mina synpunkter på DC-komponenter i elnät med tanke på jordfelsbrytare. Det försöker jag göra.
Men om forumet varken förstår (eller kan hitta på internet) vad supratoner är, eller kan följa ett resonemang. Så kanske jag skall stanna här.
E elmont skrev:Huvudsaken är väl att dom som "förorenar" (och tjänar pengar på sina "apparater") även löser dom problem som dom orsakar. Dom ska anpassa sig efter det nät som finns och vi ska inte anpassa våra "nät" efter deras behov. Det kan ju aldrig bli rätt om alla vi andra sa verka som städgummor bara för tillverkarna ska komma billigare undan.
Hej elmont
Samtidigt så är det vi som kunder som ofta väljer bort ”bättre” lösningar och väljer ”sämre” lösningar gällande det du tar upp. Vi vill ha små, lätta energisnåla och billiga apparater och väljer då bort de med ”bättre egenskaper” som du efterfrågar.
Jag beskrev tidigare att NFO som tillverkar i stort sett EMC-mässigt ”störningsfria frekvensomriktare” som ratas av kunder då de köper med ”plånboken”. Sjukhus, ladugårdar och försvaret har dock uppskattat de störningsfria egenskaperna.
Samma bekymmer hade danska Bang & Olufsen som enligt många hade väldigt bra och störningsfria nätdelar i sina multimediautrustningar. De fick sluta med dem i sina multimediautrustningar då det blev för dyra.
Medlem
· Halland
· 4 435 inlägg
Man får göra en beräkning av vad som är billigast.M Martin Lundmark skrev:Hej Anders
Jag förstår att det är ett bra mål men är det lätt idag att ställa kravet att en bil inte skall ha några utsläpp överhuvudtaget?
Vad kostar den bilen och vilka egenskaper får man då snäppa på (sänka kraven på)?
Få solcellsanläggningar är lik någon annan. Även om det är samma antal solfångare och även identisk omriktare så kan taken kräva olika infästningar, placering av åskskydd, DC-frånskiljare, omriktare förläggning av kablar etc. som kan påverka både AC- och DC-läckström.
Bara genom att tillåta en transformator så skulle rimligen DC-strömmarna minska men då ökar priset och verkningsgraden sänks.
Det är inte bara solcellsanläggningar och billaddare som riskerar att släppa ut DC- komponenter. Dessa två är stora till eleffel´kt men vi kan ha mängder av elapparater som eventuellt kan vara mindra bra i denna aspekt.
Får du då alla med på förslaget så får du sedan baxa det genom alla normgrupper (ett normarbete tar normalt 8-20 år) och sedan får du vänta till alla bytt ut sina elapparater som du valt att ändra normerna på.
Förutom rimligen högre kostnader och sämre verkningsgrad så tillkommer troligen en provningsavgift alla skall påföras med jämna mellanrum.
Lycka till![]()
En annan väg att gå som jag tycker kan vara intressant är att man lägger en skatt på växelriktare som täcker bytet av alla jfb till typ B. Troligen politiskt jobbigt eftersom vind och el utsetts till universallödnibgar på alla problem. Men en rättvis väg att gå. Kan även kombineras med kostnadskpntroll så att elfirmorna tvingas byta alla jfb i ett område samtidigt till ett lågt pris. Dvs självkostnadspris. Plus att man kan tillhandahålla statliga jfb typ B till lågt pris genom central upphandling.
Och då ska man lägga ansvaret på tillverkarna samt om dom inte klarar av att leva upp till "kraven" bör dom som reglerar "marknaden" se till att kraven uppfylls. Det kan ju ske på många vis tex med försäljningsförbud tunga viten mm.
Det är ju alltid betydligt "smartare" att undvika problem än att i efterhand lösa dom. Och just den ekonomiska biten blir ju för mig som slutkund troligen billigare om man ser till att inte problemen skapas, för i slutändan är det ju "jag" som får betala oavsett.
Så vad vi bör jobba för är att se till att man inte skräpar ner och inte att man städar.
Det är ju alltid betydligt "smartare" att undvika problem än att i efterhand lösa dom. Och just den ekonomiska biten blir ju för mig som slutkund troligen billigare om man ser till att inte problemen skapas, för i slutändan är det ju "jag" som får betala oavsett.
Så vad vi bör jobba för är att se till att man inte skräpar ner och inte att man städar.
Nej inte orimligt. Men det är ju inte det enda kravet. Jag har många spänningsdelar till diverse apparater hemma. Men jag är inte säker på att någon av dem är en järnkärnetrafo längre. Det mesta är ju switchat nu. Och då passar de inte i scenariot. Sedan om de sitter på olika ställen i hemmet så kommer inte alla att i lika stor utsträckning leda DC till jordfelet. Och så fort en större enfaslast kopplas in i gruppen så kommer en växelström att adderas till jordfelet. Om toppvärdet av denna växelström är större än likströmmen så kommer resultatet att bli en obalanserad växelström snarare än en likström. Och då fungerar jordfelsbrytaren som den skall.M Martin Lundmark skrev:
Det är precis vad jag också försöker. Både att komma på hur DC-jordfel kan uppstå och hur troliga de föreslagna scenariona är.M Martin Lundmark skrev:Det jag beskriver är ju inte ett färdigt resultat, det kan dröja alltifrån månader till år (rimligen tusentals mantimmar) innan vi är där. Jag för ett stegvis resonemang. Några steg ”i den vandringen” kan ske i detta forum.
Jag beskriver (för den som är intresserad) hur jag stegvis resonerar mig fram för att finna ”väggarna” under vägen mot att identifiera hur DC- komponenter ”uppträder” i elnätet.
Jag har studerat det med intresse vilket jag också skrivit om tidigare. Transformatorn blir ju i det fallet ett lågpassfilter med precis den efterfrågade egenskapen att lättare leda DC till jord än AC. Men när jag tittar på siffrorna får jag det ändå till att det blir svårt att spärra jordfelsbrytaren på det sättet. Tomgångsströmmen på den mindre transformatorn anges till 0,426ARMS. Det innebär en toppström på 0,6A. För att det skall bli ett DC-jordfel utan nollgenomgångar måste alltså likströmmen i jordfelet överskrida 600 ma.M Martin Lundmark skrev:
Jag läser gärna vad du skriver om möjliga DC-jordfel. Och jag ifrågasätter det jag inte håller med om. I bästa fall lär vi oss båda något.M Martin Lundmark skrev:
Japp.M Martin Lundmark skrev:
Och så är det. Det är fullständigt kristallklart att så är, efter detta långa inlägg.
Jag står om dagarna och försöker förmå kunder att investera i en JFB, det saknas nämligen JFB i ungefär 2,5 miljoner hushåll i Sverige.
Så jag kan säga, "Nu när elen till köket görs om när du investerar i ett nytt kök, ska vi inte passa på och sätta in en JFB?"
"Det vore kanske en bra idé, vad kostar det?"
"Ca 2000:-"
"Jaha, jag får väl fundera på det då ..."
Och inte skulle det bli lättare ifall jag sa att det kommer kosta 7000:-
Och tänk om vi sätter in JFB B i alla hushåll i onödan (dessutom en onödigt komplicerad produkt som oftare kommer sluta fungera) så kommer det kosta samhället 12 miljarder.
Ska vi dessutom byta ut i alla befintliga hushåll blir det 12 miljarder till.
Sen har vi kvar alla andra lokaler, vilket troligen kommer innebära ytterligare ca 10 miljarder.
Och allt är av allt att döma helt i onödan.
Jag ser lite mer i "min" verklighet. Jag ser elektriker som meddelar kunderna att de måste sätta in en JFB typ B (eller byta till en), och de vet inte riktigt varför. Men de har läst det i tidningen Elinstallatören.
Tycker du det är en bra ordning?
Så helt klart ser vi två rätt olika delar av verkligheten.
Dessutom diskuterar vi helt olika saker i denna tråd.
Jag diskuterar själva trådens ämne, det som kom i första inlägget - Fredriks utspel, samt att han har totalt fel, i alla fall vet han inget och kan inget berätta om varför han kom på idén.
Du diskuterar stora generella och esoteriska effekter på övergripande systemnivå.
Det är helt OK för mig, men supratoner och elmätare som inte kan kommunicera har inget med det som togs upp i första posten, att göra.
Om du vill diskutera mer ingående det som tråden handlar om, hjälp mig med det jag skrev i #440.
Medlem
· Halland
· 4 435 inlägg
Varför kostar en jfb typ B så mycket. Vad är det för alien science som den innehåller? Borde gå att få ner priset om staten gör gruppinköp från Kina.
