96 429 läst ·
783 svar
96k läst
783 svar
Har ni koll på era jordfelsbrytare?
Medlem
· Halland
· 4 435 inlägg
Är det samfällighet? I så fall får ju samfälligheten besluta om vad som gäller. Lite som man beslutar om renhållning av gemensamma utrymmen och att plocka upp hundbajs. Min kommentar gällde enskilda villor vilket torde vara normalfallet. Jag har faktiskt aldrig sett gemensamma elskåp på villor. I vilket fall som helst torde det finnas enskilda mätare och centraler för varje villa.M Martin Lundmark skrev:Hej Anders
Du skriver ”Det som flera inklusive jag protesterat mot är att många villaägare runt omkring en sådan anläggning skall tvingas installera en sådan för egen bekostnad.”
I samma elskåp som mitt hus är anslutet finns en villa med solceller och en elbil är beställd. I samma elskåp finns även en annan villa med en elhybrid som laddas.
Är jag tvungen att ”installera en sådan för egen bekostnad”?
Eller är det frivilligt?
Fortfarande gäller min åsikt - jag skall inte behöva ta en kostnad för att andra skitar ner. Villan med solceller kan ju bekosta din nya jfb typ B.
Jo 2-3 ggr dyrare dvs max 2000 kr vore mer rimligt. Sedan är givetvis installationen en extra kostnad.E El-Löken66 skrev:
p'n'p är ju en jättebra idé - om EU standardiserar basen i elcentralen kan man sedan bara byta själva jordfelsbrytaren själv, ungefär som en glödlampa. Lär behövas när nya standarder typ Euro 5, 6, 7 kommer i framtiden.
Hej AndersA Anders_Nilsson skrev:Är det samfällighet? I så fall får ju samfälligheten besluta om vad som gäller. Lite som man beslutar om renhållning av gemensamma utrymmen och att plocka upp hundbajs. Min kommentar gällde enskilda villor vilket torde vara normalfallet. Jag har faktiskt aldrig sett gemensamma elskåp på villor. I vilket fall som helst torde det finnas enskilda mätare och centraler för varje villa.
Fortfarande gäller min åsikt - jag skall inte behöva ta en kostnad för att andra skitar ner. Villan med solceller kan ju bekosta din nya jfb typ B.
Ursäkta, jag utryckte mig otydligt.
Det är ett kabelskåp i gatan i ett villakvarter.
Villorna (som vi själva äger ) har egen elmätare.
Är jag tvungen att ”installera en sådan för egen bekostnad”?
Eller är det frivilligt?
Som icke-elektriker måste jag få fråga - nånstans för länge sen passerade ett inlägg som sa att det bara är att testa sin JFB (A) regelbundet för att se att den fungerar. Här tolkar jag det som att om det har installerats något i grannskapet som påverkat förutsättningarna för min JFB så skulle jag märka det vid en test. Har jag uppfattat det korrekt?
Om ovanstående är korrekt - borde man inte då rekommendera fastighetsägare i närheten av installationer av solcellsanläggningar eller annat som kan påverka situationen testa sina JFB före resp efter installationen? Eller är det att förenkla situationen?
Om det skulle vara korrekt skulle man också kunna tänka sig att vissa fastighetsägare skulle vilja föra över kostnaden för en JFB (B) på den fastighetsägare som installerar solcellsanläggningen
Om ovanstående är korrekt - borde man inte då rekommendera fastighetsägare i närheten av installationer av solcellsanläggningar eller annat som kan påverka situationen testa sina JFB före resp efter installationen? Eller är det att förenkla situationen?
Om det skulle vara korrekt skulle man också kunna tänka sig att vissa fastighetsägare skulle vilja föra över kostnaden för en JFB (B) på den fastighetsägare som installerar solcellsanläggningen
Hej AndersA Anders_Nilsson skrev:
Du skriver; ”Fortfarande gäller min åsikt - jag skall inte behöva ta en kostnad för att andra skitar ner. Villan med solceller kan ju bekosta din nya jfb typ B.”
Är det frivilligt eller ett myndighetskrav att jag måste byta jordfelsbrytare?
Om du och flera på detta forum kommit fram till att likströmskomponenter från grannarna (Granne A) omöjligen kan påverka en jordfelsbrytare typ A hos en annan granne (Granne B)
Varför behöver då Granne B ens fundera på bekymret med eventuellt byte till jordfelsbrytare typ B
Är det frivilligt och man tror (eller vet) att det inte är ett bekymmer, hur motiverar jag då att någon granne skall bekosta en investering jag vet att jag inte behöver?
Om vi skall få en logik i diskussionen om eventuella risker och åtgärder gällande DC-strömmar i elnät och dess eventuella påverkan på jordfelsbrytare. Då låter ett krav på att min granne skall bekosta en åtgärd i min elanläggning, som inte är ett myndighetskrav och som jag är övertygad att jag inte behöver, som mycket märklig.
Kan du förklara?
För att det inte skall missförstås att jag tog mitt eget hus som exempel.
Personligen så vet jag ännu inte hur DC-komponenter sprids i elnätet med avseende på en jordfelsbrytares funktion.
Redigerat:
Det gäller ju att hålla isär delar av diskussionen här. Det finn ett mycket stort om här. Om det som TS antyder i trådstarten stämmer så är det inte säkert att du skulle märka det genom att testa din jordfelsbrytare. Varför detta inte borde vara ett problem är för att ingen kan komma på ett rimligt scenario i vilket det som TS antyder i trådstarten kan inträffa.D Dublin skrev:Som icke-elektriker måste jag få fråga - nånstans för länge sen passerade ett inlägg som sa att det bara är att testa sin JFB (A) regelbundet för att se att den fungerar. Här tolkar jag det som att om det har installerats något i grannskapet som påverkat förutsättningarna för min JFB så skulle jag märka det vid en test. Har jag uppfattat det korrekt?
Mellan beskyllningar om att gå off topic, beskyllningar om personangrepp och ifrågasättande av folks påstått dolda agendor med att skriva i tråden pågår en diskussion om ifall det som TS antyder skulle vara åtminstone teoretiskt möjligt. Tyvärr deltar ha inte själv.
Det låter mycket rimligt. Men steg ett är att bevisa eller åtminstone göra det troligt att det är korrekt. Något som ingen lyckats med och TS inte ens försökt.D Dublin skrev:
Hej MikaelMikael_L skrev:
Japp.
Och så är det. Det är fullständigt kristallklart att så är, efter detta långa inlägg.
Jag står om dagarna och försöker förmå kunder att investera i en JFB, det saknas nämligen JFB i ungefär 2,5 miljoner hushåll i Sverige.
Så jag kan säga, "Nu när elen till köket görs om när du investerar i ett nytt kök, ska vi inte passa på och sätta in en JFB?"
"Det vore kanske en bra idé, vad kostar det?"
"Ca 2000:-"
"Jaha, jag får väl fundera på det då ..."
Och inte skulle det bli lättare ifall jag sa att det kommer kosta 7000:-
Och tänk om vi sätter in JFB B i alla hushåll i onödan (dessutom en onödigt komplicerad produkt som oftare kommer sluta fungera) så kommer det kosta samhället 12 miljarder.
Ska vi dessutom byta ut i alla befintliga hushåll blir det 12 miljarder till.
Sen har vi kvar alla andra lokaler, vilket troligen kommer innebära ytterligare ca 10 miljarder.
Och allt är av allt att döma helt i onödan.
Jag ser lite mer i "min" verklighet. Jag ser elektriker som meddelar kunderna att de måste sätta in en JFB typ B (eller byta till en), och de vet inte riktigt varför. Men de har läst det i tidningen Elinstallatören.
Tycker du det är en bra ordning?
Så helt klart ser vi två rätt olika delar av verkligheten.
Dessutom diskuterar vi helt olika saker i denna tråd.
Jag diskuterar själva trådens ämne, det som kom i första inlägget - Fredriks utspel, samt att han har totalt fel, i alla fall vet han inget och kan inget berätta om varför han kom på idén.
Du diskuterar stora generella och esoteriska effekter på övergripande systemnivå.
Det är helt OK för mig, men supratoner och elmätare som inte kan kommunicera har inget med det som togs upp i första posten, att göra.
Om du vill diskutera mer ingående det som tråden handlar om, hjälp mig med det jag skrev i #440.
I det jag skrev till dig berättade hur jag gjort och därmed även hur du kan göra. Förstod du inte det?
I mitt exempel handlade det om Supratoner och elnätskommunikation. I ditt fall om DC-komponenter i elnät och jordfelsbrytare.
Är du övertygad om din sak, att likströmmar hos Granne A inte kan blockera jordfelsbrytare hos Granne B då handlar du efter det, så länge inga andra regler hindrar dig.
Handlar andra annorlunda, så kan du inte lasta dig själv för det.
Gör ett bra jobb, även om du inte tycker att andra, gör ett bra jobb.
Jag var som du, irriterad över min hjälplöshet, men såg bara till att jag visste vad jag pratade om, när det gällde de tekniska frågorna, och undvek att klandra eller irritera andra även om de ifrågasatte min kompetens.
Hade jag fel eller rätt, skulle det visa sig så småningom.
Har du rätt eller fel, så visar det sig så småningom.
Men tro inte att du (eller jag) kan ”rädda hela världen”.
Inget mer än så.
Redigerat:
Martin hej, får medge att jag inte läst all din text eller satt upp exempel baserade på dessa men det är som så att var sak har sin tid och plats. Någon dag kanske intresset väcks, men det jag vill säga är att jag tycker att du för all del gärna ska fortsätta skriva här.M Martin Lundmark skrev:Hej Mikael
I det jag skrev till dig berättade hur jag gjort och därmed även hur du kan göra. Förstod du inte det?
I mitt exempel handlade det om Supratoner och elnätskommunikation. I ditt fall om DC-komponenter i elnät och jordfelsbrytare.
Är du övertygad om din sak, att likströmmar hos Granne A inte kan blockera jordfelsbrytare hos Granne B då handlar du efter det, så länge inga andra regler hindrar dig.
Handlar andra annorlunda, så kan du inte lasta dig själv för det.
Gör ett bra jobb, även om du inte tycker att andra, gör ett bra jobb.
Jag var som du, irriterad över min hjälplöshet, men såg bara till att jag visste vad jag pratade om, när det gällde de tekniska frågorna, och undvek att klandra eller irritera andra även om de ifrågasatte min kompetens.
Hade jag fel eller rätt, skulle det visa sig så småningom.
Har du rätt eller fel, så visar det sig så småningom.
Men tro inte att du (eller jag) kan ”rädda hela världen”.
Inget mer än så.
Vissa här är riktiga retstickor, övriga troll, men det är tyvärr så det är på forum ibland.
FB är nog ännu värre.
Det spelar ingen roll ifall du jobbar med något dagligen och kan anses vara specialist inom ämnet. Någon snorunge vet alltid bättre. Google. JGI.
Sen finns notoriska RDK som backar upp varandra i vått och torrt men jag tycker mig märka en svag förbättring här.
Så kämpa på, spela gärna in någon video som TS då jag förstått att du är pedagog och tack för dina insatser, oavsett rätt eller fel.
Hej
Om det fortfarande finns någon som är intresserad vad jag vill förmedla, så kommer här en text,som hndlar om “POWER QUALITY AND EMC ISSUES WITH FUTURE ELECTRICITY NETWORKS”
http://cired.net/uploads/default/files/final-report-C4.24-CIRED.pdf
När ni har läst fram till sid 71 (av 215 sidor)
hittar ni i kapitel 4.3.12 lite text om ”DC components” i elnätet. Jag klipper in textavsnittet här.
"4.3.12 DC components.
DC injection can be generally divided into short-term injection during events, e.g. during the inrush effect of transformer switching or during faults and continuous injection, e.g. caused by the operation of power electronics. This section is only focused on the continuous injection.
Further studies are needed on the dc injection during events, where one of the issues to be addressed is how to define the apparent paradox between events (being short duration) and dc components (remaining the same forever)
Up to now only little research exists about the topic. Papers [90] and [91] contain comprehensive discussions about causes and effects of DC currents. Typical mentioned effects are: saturation of network elements with magnetic cores (e.g. transformers), increasing corrosion and malfunctions of protection devices. DC injection from inverter-based equipment is mainly caused by asymmetries in manufacturing or faults inside the inverter. Particular attention has to be paid to devices with higher power rating and transformer-less topologies. Common examples for such devices are PV inverters, EV chargers, inverters in storage systems or active frontends for drives.
Consistent emission limits do not yet exist, but increasing attention is paid to continuous DC components by the standardization bodies. A comprehensive overview of emission limits for dispersed generation in LV networks, which are presently applied in different countries, is provided in [159]. The technical report also indicates the importance of limiting DC injection from inverter-based generation.
Most publications about measurements of DC currents are dedicated to PV inverters. In [160] the measured DC current of five different inverters with rated power between 2kW and 5kW varies between 2.4mA and 180mA. [161] has found for 12 inverters with power ratings between 2.3kW and 5kW a DC current in the range of 60mA and 225mA. At TU Dresden, the DC component resulting from spectrum analysis of three PV inverters (rated power between 5kW and 10kW) has been measured in the range between 40mA and 100mA. Furthermore, in the same laboratory the DC current of eight different EV chargers (single phase, 3.7kW) has been measured with magnitudes between 20mA and 200mA.
Further research in this field is strongly needed, particularly towards consistent measurement methods as well as propagation and aggregation of DC currents. As a result, reasonable and appropriate emission limits need to be developed."
Vi vet alldeles för lite om källor och konsekvenser av ”DC injection” i elnät. Eftersom problematiken ofta härrör ifrån att vi (elanvändare) föredrar att använda "smart" kraftelektronik men vill undvika (isolerande) transformatorer, så är det möjligt att ”DC injection” i elnät har en ökande tendens.
De flesta publikationer som arbetsgruppen hittat gäller "PV inverters". Men de är nog inte de enda som kan orsaka ”DC injection”.
Om det fortfarande finns någon som är intresserad vad jag vill förmedla, så kommer här en text,som hndlar om “POWER QUALITY AND EMC ISSUES WITH FUTURE ELECTRICITY NETWORKS”
http://cired.net/uploads/default/files/final-report-C4.24-CIRED.pdf
När ni har läst fram till sid 71 (av 215 sidor)
"4.3.12 DC components.
DC injection can be generally divided into short-term injection during events, e.g. during the inrush effect of transformer switching or during faults and continuous injection, e.g. caused by the operation of power electronics. This section is only focused on the continuous injection.
Further studies are needed on the dc injection during events, where one of the issues to be addressed is how to define the apparent paradox between events (being short duration) and dc components (remaining the same forever)
Up to now only little research exists about the topic. Papers [90] and [91] contain comprehensive discussions about causes and effects of DC currents. Typical mentioned effects are: saturation of network elements with magnetic cores (e.g. transformers), increasing corrosion and malfunctions of protection devices. DC injection from inverter-based equipment is mainly caused by asymmetries in manufacturing or faults inside the inverter. Particular attention has to be paid to devices with higher power rating and transformer-less topologies. Common examples for such devices are PV inverters, EV chargers, inverters in storage systems or active frontends for drives.
Consistent emission limits do not yet exist, but increasing attention is paid to continuous DC components by the standardization bodies. A comprehensive overview of emission limits for dispersed generation in LV networks, which are presently applied in different countries, is provided in [159]. The technical report also indicates the importance of limiting DC injection from inverter-based generation.
Most publications about measurements of DC currents are dedicated to PV inverters. In [160] the measured DC current of five different inverters with rated power between 2kW and 5kW varies between 2.4mA and 180mA. [161] has found for 12 inverters with power ratings between 2.3kW and 5kW a DC current in the range of 60mA and 225mA. At TU Dresden, the DC component resulting from spectrum analysis of three PV inverters (rated power between 5kW and 10kW) has been measured in the range between 40mA and 100mA. Furthermore, in the same laboratory the DC current of eight different EV chargers (single phase, 3.7kW) has been measured with magnitudes between 20mA and 200mA.
Further research in this field is strongly needed, particularly towards consistent measurement methods as well as propagation and aggregation of DC currents. As a result, reasonable and appropriate emission limits need to be developed."
Vi vet alldeles för lite om källor och konsekvenser av ”DC injection” i elnät. Eftersom problematiken ofta härrör ifrån att vi (elanvändare) föredrar att använda "smart" kraftelektronik men vill undvika (isolerande) transformatorer, så är det möjligt att ”DC injection” i elnät har en ökande tendens.
De flesta publikationer som arbetsgruppen hittat gäller "PV inverters". Men de är nog inte de enda som kan orsaka ”DC injection”.
Redigerat:
Hej
När jag söker vidare, hittar jag några mätningar av ” DC current injection” från "Laptop", "Desktop PC "och "fluorescent lighting load". I dokumentet “DC Current Injection Into the Network from PV Grid Inverters” (rererens 161 I förra dokumentet se inlägg #488) under rubriken ”SOURCES OF DC INJECTION”
“There are numerous potential sources of direct current, namely: power supplies computer, network faults, geomagnetic phenomena, cycloconverters, lighting circuits/dimmers, embedded generators, AC and DC drives…and PV grid inverters.
Measurements have been performanced of some sources. For examples, measurements were taken from computer power supplies, [8], monitoring the DC levels.
Thus, from a Laptop 0.04 A DC (7.7% of rms current) was measured as well as 0.03 A DC (11.2 % of rms current) from a Desktop PC. Also, the reference [9] reports 0.34 A DC (0.53 % of rms current) from a fluorescent lighting load. However, up now measurements of DC current injection from PV grid inverter have not been made. Theoretically, two of the three types of inverter inverters, HF transformer and transformerless inverters, are candidates to DC current injection.”
På sid 17-18 i dokumentet ” Industry Consultation on Grid Connection of Small PV systems”
https://www.osti.gov/etdeweb/servlets/purl/20094044
hittar man några mätningar på DC nivån redovisad som referens [8] i dokumentet “DC Current Injection Into the Network from PV Grid Inverters”.
Det ser ut som att vi när vi undviker att ha transformatorer i elnätet så så minskar vikten vilymen och kostnaden för elapparater. Men samtidigt så ökar förekomsten av supratoner (supraharmonics) och DC-komponenter.
När jag söker vidare, hittar jag några mätningar av ” DC current injection” från "Laptop", "Desktop PC "och "fluorescent lighting load". I dokumentet “DC Current Injection Into the Network from PV Grid Inverters” (rererens 161 I förra dokumentet se inlägg #488) under rubriken ”SOURCES OF DC INJECTION”
“There are numerous potential sources of direct current, namely: power supplies computer, network faults, geomagnetic phenomena, cycloconverters, lighting circuits/dimmers, embedded generators, AC and DC drives…and PV grid inverters.
Measurements have been performanced of some sources. For examples, measurements were taken from computer power supplies, [8], monitoring the DC levels.
Thus, from a Laptop 0.04 A DC (7.7% of rms current) was measured as well as 0.03 A DC (11.2 % of rms current) from a Desktop PC. Also, the reference [9] reports 0.34 A DC (0.53 % of rms current) from a fluorescent lighting load. However, up now measurements of DC current injection from PV grid inverter have not been made. Theoretically, two of the three types of inverter inverters, HF transformer and transformerless inverters, are candidates to DC current injection.”
På sid 17-18 i dokumentet ” Industry Consultation on Grid Connection of Small PV systems”
https://www.osti.gov/etdeweb/servlets/purl/20094044
hittar man några mätningar på DC nivån redovisad som referens [8] i dokumentet “DC Current Injection Into the Network from PV Grid Inverters”.
Det ser ut som att vi när vi undviker att ha transformatorer i elnätet så så minskar vikten vilymen och kostnaden för elapparater. Men samtidigt så ökar förekomsten av supratoner (supraharmonics) och DC-komponenter.
Redigerat:
Om jag förstår dig rätt så vill du förmedla att supratoner och DC-strömmar är ett problem som riskerar att växa och vi bör studera detta närmare. Men de problem som nämns har ju ingenting med jordfelsbrytare att göra. Vi vet att DC-strömmar i elnätet förekommer. Vi vet att de riskerar att öka. Vi vet också att ett DC-jordfel kan få en jordfelsbrytare typ A att blockeras. Men än så länge saknas länken hur DC-strömmar i nätet vid ett realistiskt scenario skall kunna generera ett rent DC-jordfel. Jag kommenterade ditt scenario enligt inlägg #381 i mitt inlägg #463. Det skulle vara intressant med lite återkoppling.M Martin Lundmark skrev:
Det blir enahanda när responsen är nära noll från TS i grundfrågan och Martin i stora stycken kör envägs och gärna lagom vid sidan av och sällan svar på någon mer direkt kommentar/fråga.
Om jag får lite tid framöver ska jag skapa en ny tråd med lite mer tekniskt relevant innehåll. Kanske de som varit med här med skisser, idéer osv kan renodla lite där utan allt brus. Vi kan också titta lite på olika mätningar från mitt arkiv från en mängd skilda fall både svåra elmiljöer och mer likt det tråden startade med.
Om jag får lite tid framöver ska jag skapa en ny tråd med lite mer tekniskt relevant innehåll. Kanske de som varit med här med skisser, idéer osv kan renodla lite där utan allt brus. Vi kan också titta lite på olika mätningar från mitt arkiv från en mängd skilda fall både svåra elmiljöer och mer likt det tråden startade med.
Alltid mycket bra och uppskattade inlägg med inslag från verkligheten.GK100 skrev:
Det blir enahanda när responsen är nära noll från TS i grundfrågan och Martin i stora stycken kör envägs och gärna lagom vid sidan av och sällan svar på någon mer direkt kommentar/fråga.
Om jag får lite tid framöver ska jag skapa en ny tråd med lite mer tekniskt relevant innehåll. Kanske de som varit med här med skisser, idéer osv kan renodla lite där utan allt brus. Vi kan också titta lite på olika mätningar från mitt arkiv från en mängd skilda fall både svåra elmiljöer och mer likt det tråden startade med.
Tid handlar bara om prioritering.
Hobbyelektriker
· Värmland, Molkom
· 26 155 inlägg
Intressant att läsa vilka nivåer på DC som solcellsväxelriktare ger. Men det är alltså L-N, ingen felström.
Hej AvemoA Avemo skrev:Nej inte orimligt. Men det är ju inte det enda kravet. Jag har många spänningsdelar till diverse apparater hemma. Men jag är inte säker på att någon av dem är en järnkärnetrafo längre. Det mesta är ju switchat nu. Och då passar de inte i scenariot. Sedan om de sitter på olika ställen i hemmet så kommer inte alla att i lika stor utsträckning leda DC till jordfelet. Och så fort en större enfaslast kopplas in i gruppen så kommer en växelström att adderas till jordfelet. Om toppvärdet av denna växelström är större än likströmmen så kommer resultatet att bli en obalanserad växelström snarare än en likström. Och då fungerar jordfelsbrytaren som den skall.
Som du ser, bl.a. av det jag hänvisade till, så vet, både vi här på forumet så även forskarvärlden, väldigt lite om hur i vilken omfattning DC-komponenter uppstår och sprids i våra elnät.
Det tydligaste jag har mött DC-komponenter i elnät är att personer haft bekymmer med DC strömmar i sina transformatorer och sökt efter (ibland dyra) lösningar på detta.
Av den anledningen studerade jag orsaken till att just transformatorer har blivit så utpekade. Jag delade med mig om hur jag studerade ”väggarna” för transformatorers betydelse för att vara en part i problematiken. Transformatorer som kan sitta spridda hos alla elabonnenter under en distributionstransformator.
Jag ville med exemplet illustrera en delmängd i problematiken. T.ex. hur ”DC current injection” i fasledare kan spridas till noll och jordledare som sedan innebär att dessa DC-komponenter likt DC-läckström återfinns vagabonderande även utanför elsystemet.
Inloggade ser högupplösta bilder
Logga in
Skapa konto
Gratis och tar endast 30 sekunder
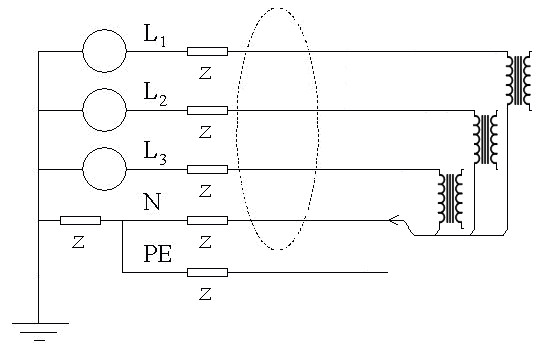
De transformatorer ni ser i figuren ovan är för enkelhetens skull inritade hos en elanvändare, men kan naturligtvis tänkas att vara utspridda över alla elanvändare anslutna till samma distributionstransformator
Blir ”DC current injection” förflyttad till DC-läckström så kan det, i kombination med annan DC-läckström (addition eller subtraktion med tanke på strömriktning) påverka hur jordfelsbrytare och jordfelsövervakning agerar vid t.ex ett fel i en elektronikbestyckad aopparat utan transformator.
Tar vi bort transformatorer i våra nätdelar så försvinner en ”barriär” för supraharmonics och DC komponenter att uppkomma och spridas i våra elnät t.ex. vid vissa fei i apparaten.
Hur mycket DC-Komponenter riskerar det att finnas i våra elnät, genom att vi nu har switchade nätdelar utan transformatorer?
Finns det typer av fel i dessa nätdelar som ger upphov DC-Komponenter i felströmmen?
Är DC-Komponenter i felströmmenstora nog stor att blokera en jordfelsbrytare typ A?
Vilken betydelse har det, i så fall hur mycket ”DC current injection” som finns i övriga elnätet från grannar?
Vilken betydelse har det om denna ”DC current injection” återfinns i både fasledare nolledare och sedan i skyddsjord och vagabonderande i elanläggningen liknande en DC läckström?
Kan det bli samma resultat vid DC-komponenter som gällande sekundäremission vid supratoner så att DC-strömmar som ursprungligen uppstod som ”DC current injection” en apparat hos mig eller grannen kommer att ”sugas in” och öka läckström mot jord vid t.ex. ett fel på en apparat i mitt hem. Dvs att DC komponenten i strömmen blir större och "mer slät" då en extern ström ”driver på” ?
Om jag (om vi) skall svara på frågan hur förekomsten av DC-komponenter i elnätet från våra grannar kan påverka valet av jordfelsbrytare hos oss. Då kräver det en mängd funderingar och exempel. Så agerar forskare som söker svar på frågor (bekräfta eller förkasta hypoteser).
Vill ni att jag deltager i den funderingen, då behöver jag agera på det sätt jag alltid gjort inom elkraftområdet. Vända och vrida på olika delproblem studera väggarna (begränsningarna) på varje område och sedan succesivt lägga samman delmängder till ett mer samlat system. Naturligtvis så måste man dessutom försöka att testa både hypoteser och slutsatser i praktiska prov, etc.
Redigerat:
