K
Det var en tråd om en liknande grund här för inte så länge sedan. Tror att den samlade kompetensen här på forumet kom fram till att det inte var överdimensionerat med 200 mm betong och extra armering eftersom plattan ansågs fribärande mellan pålarna.
 
  • Gilla
nissenhj
  • Laddar…
Hej

Hur mycket isolering? Vi la 400mm i plattan, och kändes nästan i underkant...
 
Husqvarna220Ac skrev:
Hej

Hur mycket isolering? Vi la 400mm i plattan, och kändes nästan i underkant...
Mer än 300 mm gör ingen större skillnad bortkastade pengar.
 
  • Gilla
Thomas Buskhagen
  • Laddar…
Det var rejält det där men blåst vill jag nog inte påstå. Ingen risk för sprickor och sättningsskador iaf och det kan vara värt en del.
 
  • Gilla
RoBo
  • Laddar…
300 mm är det.
Kalle
 
  • Gilla
RoBo
  • Laddar…
Om du har pålat så behöver det inte alls vara överdimensionerat. Skulle din KA och grundläggande vilja ta över konstruktionsansvaret för grunden?
 
  • Gilla
nissenhj
  • Laddar…
Konstruktören var dyr, jag betalade 5000:- för en större grund.

Kalle_Kiander skrev:
Nog blir den bra alltid, men extra arbetstimmar samt extra armering och extra betong gick på 100.000 kr. Jag hade budgeterat med 50.000 kr. Dessutom önskar konstruktören 24.000 kr för grundritningen, vilket också var mer än dubbelt upp mot vad jag budgeterat. Har nu inga marginaler kvar. :confused:
 
Vem säger att mer än 300mm är bortkastade pengar? Ingen större kostnad, men har inte hört nåt som tilläggsisolerat grunden..."blink.."
 
Mikael_L
f91jsw skrev:
Den andra delen är att grunden verkar överdimensionerad för en villa. 100 mm betong är standard och sedan förstärker man voter och under bärande väggar så mycket det behövs (normalt 200 mm betong och extra armering).
Ja, en vanlig platta som vilar på (tillräckligt) fast mark.

Nu är detta en pålad platta, dvs typ en bro som vilar på lite pålar här och där.
Det borde vara anledningen till att den är dubbelarmerad med rejäla dimensioner på järnen.

Jag har inte en susning ifall detta är normalt eller för mycket, men jag känner mig ganska övertygad att det inte duger med en standard 100mm betonggjutning med ett 5150-nät som sprickarmering.
 
  • Gilla
nissenhj
  • Laddar…
K
Det var TS själv som skapade tråden jag yrade om tidigare:

https://www.byggahus.se/forum/grund-markarbeten/285496-20-cm-betongplatta-vanligt-vid-palning.html

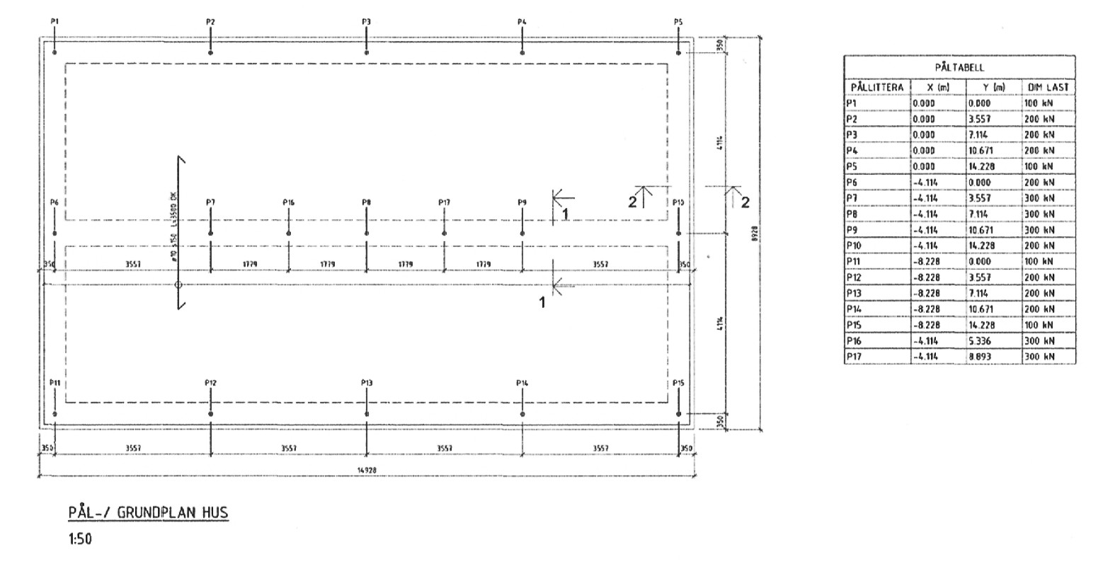
I första inlägget har han postat en lista med laster på stolparna. Om de lasterna är i närheten av verkliga dimensionerade brukslaster är INTE plattan överdimensionerad. Å andra sidan skulle hela huset kunna vila på en eller få av stolparna.. Men det är väl så det fungerar med pålning?

Ritning på grundplan för hus med dimensioner och lasttabell för stolpar.
Inloggade ser högupplösta bilder
Skapa konto
Gratis och tar endast 30 sekunder
 
Snailman
K
Snailman skrev:
Min grund är ribbdäck - som på denna blogg [länk] jag har 8150 armeringsnät är pga att marken är dålig, men slapp påla.
Intressant. Men även den merkostnaden måste blivit väldigt stor jämfört med en traditionell grund?
 
Snailman
Kallebo skrev:
Intressant. Men även den merkostnaden måste blivit väldigt stor jämfört med en traditionell grund?
Vet inte hur mycket det kostade extra i material, gjorde allt jobbet själv utom själva gjutningen, gick ju åt mer betong också då det är ett rutnät med betongbalkar 25cm breda och 30cm höga med c/c 1450mm för balkarna, sen låg det två 12or armeringsjärn på botten i varje balk.

man fick alltså såga till en himla massa frigolitfyrkanter 1200x1200mm och placera med 25cm mellanrum åt alla håll.
 
  • Gilla
Kallebo
  • Laddar…
Nu är jag inte expert på geoteknik men eftersom du valt att påla så antar jag att marken har dålig bärighet och då är det nog inte så dumt med en rejäl grund.
 
  • Gilla
nissenhj
  • Laddar…
Otroligt stor skillnad på armering i en vanlig platta på mark och en pålad, många som svarat i denna tråd vet nog inte ett dugg om vad dom snackar om. Visst kan en del vara lite överdimensionerat men gärna det än tvärtom.
 
  • Gilla
HenFre och 4 till
  • Laddar…
Vi vill skicka notiser för ämnen du bevakar och händelser som berör dig.