16 266 läst ·
45 svar
16k läst
45 svar
Ersätta bärande stålbalk med en kraftigare för längre spännvidd?
Jag fick tips av en forummedlem att kontrollera om den befintliga balken "hänger" pga lasten idag för att få en indikering av dimensionering. Jag tog ett långpass och testade på mitten under balken (där jag förväntar mig mest "häng") och det går inte med långpasset (1,8 eller 2m) finna tillstymmelse till "häng". Skall se om jag inte kan få tag på en laser så jag kan titta på hela sträckan.
Jag lånad en finfin nivelleringslaser av en snickarkompis och testade. Jag är tämligen säker på att jag skulle upptäckt om den böjt sig med mer än 1mm och jag kan inte se att den är böjd överhuvudtaget.
Detta gör mig (fel eller inte?) rätt säker på att jag inte behöver öka dimensionen om jag förlänger 1m (från 5,1m till 6,1m). Jag vet inte vad som anses acceptabelt, men enligt spännvidd/400 så skulle 1,2cm nedböjning vara acceptabelt med nuvarande balk.
Detta gör mig (fel eller inte?) rätt säker på att jag inte behöver öka dimensionen om jag förlänger 1m (från 5,1m till 6,1m). Jag vet inte vad som anses acceptabelt, men enligt spännvidd/400 så skulle 1,2cm nedböjning vara acceptabelt med nuvarande balk.
Låter otroligt att den inte har böjt ner något över huvudtaget. Då är det ju mer att plocka bort balken.
Skämt åsido. Det betyder att träbjälkarna klarar av att spänna från sida till sida utan nämnvärd nedböjning, eller har du en vägg som ligger längs med ovanpå balken som bär sig själv och som träbjälkarna hänger i? Värt att tänka på är att nedböjning (L/400 eller vad man nu strävar efter) är för ett fall där du har fullt med folk och tunga möbler i huset (200kg/m2). Tror säkert att du fortfarande klarar L/400 men tänk på detta. Innan du gör något tycker jag annars du ska försöka klura ut VARFÖR balken in böjer ner.
Jag håller med om att det är lite märkligt så jag kollade 2 gånger. Jag kan se att den lutar lite, men inte att den är böjd över huvudtaget. Ovan balken ligger golvreglarna som spänner 6,5m, cc 40cm och jag tror det är 220mm (x45mm antar jag). Finns ingen vägg ovan, rummet ovan är lika stort. Det är ju möblerat ovan, men det är klart att det är långt från 200kg/m2.
Tyvärr kan jag inte alls gissa vad som händer om man skulle belasta med 200kg/m2, jag antar att det är just det som proffsen kan.
Just nu tänker jag såhär, jag låter en riktig svetsare komma hit och förlänga den befintliga med 1m (har inte fått pris på jobbet, men jag antar att det är märkbart mindre än en ny balk och framförallt avsevärt mer hanterart jobb). Efter det så kontrollerar jag om balken fått "häng" pga ökade spännvidden. Har jag det så det "oroar" mig så sätter jag in en ny HEB180 bredvid den befintliga. I min värld skall det i alla fall totalt bli kraftigare än den befintliga.
Är jag dum? (linda gärna in det
).
Tyvärr kan jag inte alls gissa vad som händer om man skulle belasta med 200kg/m2, jag antar att det är just det som proffsen kan.
Just nu tänker jag såhär, jag låter en riktig svetsare komma hit och förlänga den befintliga med 1m (har inte fått pris på jobbet, men jag antar att det är märkbart mindre än en ny balk och framförallt avsevärt mer hanterart jobb). Efter det så kontrollerar jag om balken fått "häng" pga ökade spännvidden. Har jag det så det "oroar" mig så sätter jag in en ny HEB180 bredvid den befintliga. I min värld skall det i alla fall totalt bli kraftigare än den befintliga.
Är jag dum? (linda gärna in det
Kan inte svara på frågan om du är dum, eventuell partner/sambo kanske kan hjälpa dig med den frågan 
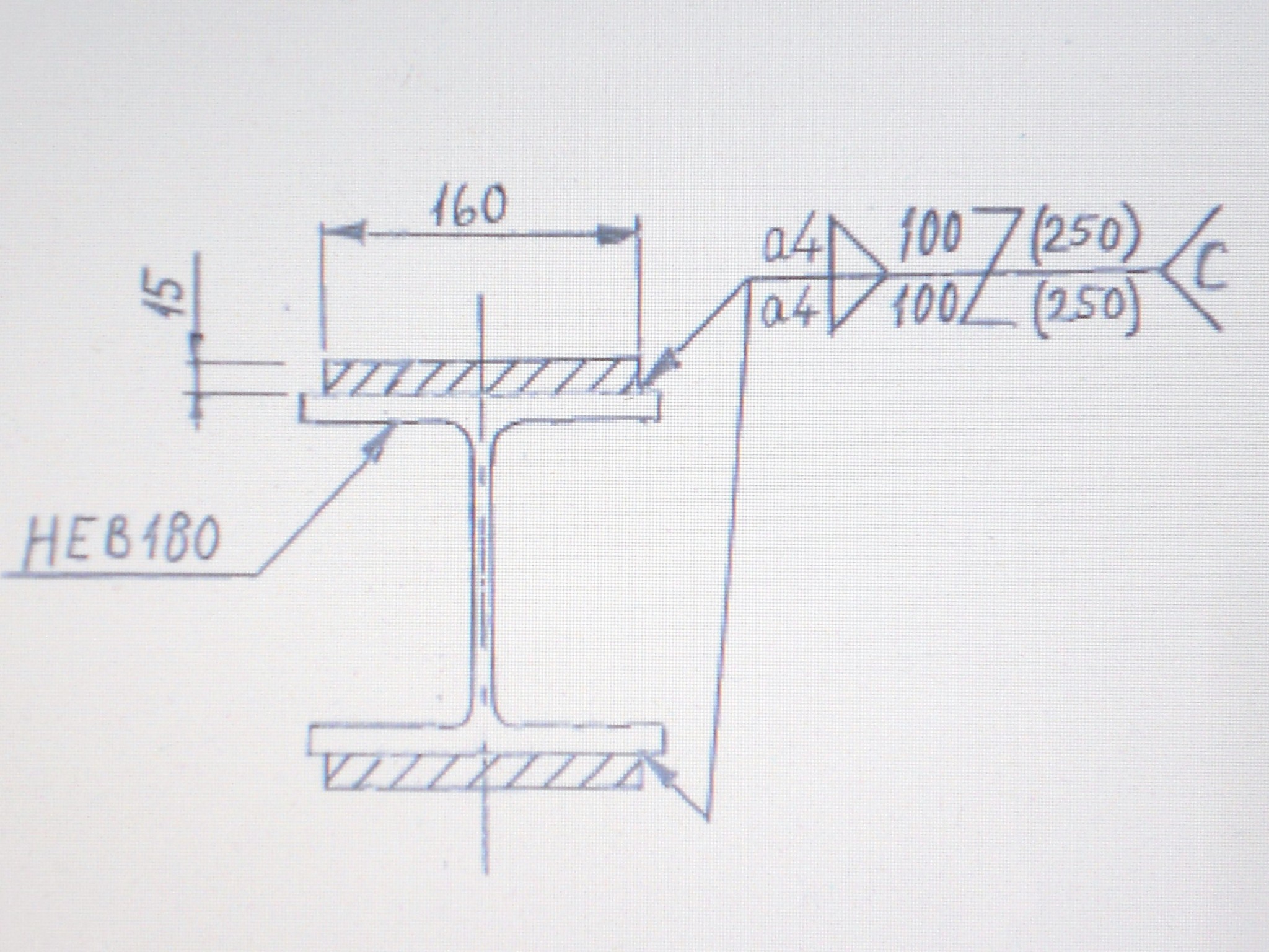
När det gäller balken så låter det som en bra idé att låta en riktig svetsare bygga på den befintliga balken. Jag föreslår att du också bygger på flänsarna, enligt bifogad skiss, längs hela balkens längd. Påbyggnaden av flänsarna gör att balken får en böjstyvhet motsvarande HEB220.
Balkens liv behöver du inte förstärka, det räcker gott och väl med HEB180-livet. Du har väl kollat att det verkligen är en HEB180 med flänstjocklek 14 mm och livtjocklek 8,5 mm? (Det är lätt att ta fel på HEA och HEB, de är snarlika).
Skissen finns som pdf-fil, jag kan maila den om du vill ha den. (Kunde inte lägga in pdf-fil här, så jag fick fota av pdfen på datorskärmen med digitalkameran för att få en jpeg-fil)
När det gäller balken så låter det som en bra idé att låta en riktig svetsare bygga på den befintliga balken. Jag föreslår att du också bygger på flänsarna, enligt bifogad skiss, längs hela balkens längd. Påbyggnaden av flänsarna gör att balken får en böjstyvhet motsvarande HEB220.
Balkens liv behöver du inte förstärka, det räcker gott och väl med HEB180-livet. Du har väl kollat att det verkligen är en HEB180 med flänstjocklek 14 mm och livtjocklek 8,5 mm? (Det är lätt att ta fel på HEA och HEB, de är snarlika).
Skissen finns som pdf-fil, jag kan maila den om du vill ha den. (Kunde inte lägga in pdf-fil här, så jag fick fota av pdfen på datorskärmen med digitalkameran för att få en jpeg-fil)
Redigerat:
Nu slumpar det sig att svetsarna var här igår och förlängde den. Och ja, jag hade mätt att det var en heb (och svetsarna förlängde med heb180 och det passar perfekt). Jättetack för iden att svetsa på flänsen, hade varit perfekt att göra för att vara på den säkra sidan. Faktum är att jag nog skall höra om jag kan få hit dem igen och förstärka enligt din ritning. Jag skall fundera på det.
Som sagt, stort tack för din input och ritning. En dag tidigare så hade jag fixat dit det direkt när de ändå var här.
Som sagt, stort tack för din input och ritning. En dag tidigare så hade jag fixat dit det direkt när de ändå var här.
Ojdå, synd att jag inte var lite snabbare med att skicka inlägget! Tanken var ju förstås att svetsgubbarna/gummorna bara skulle behöva komma dit en gång och att justeringar för den ändrade balkhöjden skulle göras i samma moment. Nu kanske det blir besvärligare med den saken. Hoppas du hittar en smidig lösning, nu har du något att fundera på iallafall 
Den undre förstärkningen måste inte gå ända fram till upplagen, vilket kanske underlättar.
Den övre förstärkningen är väl mest praktisk att låta gå hela vägen, antar du vill ha en slät ovansida på balken.
Hoppas du får dit förstärkningarna nu, så du inte behöver göra om jobbet senare när du tröttnat på en svajig balk.
Den undre förstärkningen måste inte gå ända fram till upplagen, vilket kanske underlättar.
Den övre förstärkningen är väl mest praktisk att låta gå hela vägen, antar du vill ha en slät ovansida på balken.
Hoppas du får dit förstärkningarna nu, så du inte behöver göra om jobbet senare när du tröttnat på en svajig balk.
Inget problem Granngubben, jag är bara glad för din input i alla fall som definitivt kommer till användning om det jobb som nu är utfört inte räcker till. Att lägga dit det du föreslår och få det svetsat är inte jättesvårt för mig i detta läge (eller inom de närmaste månaderna).
Nu är det ju fixat och balken förlängd. Jag och sambon testade frenetiskt svikten (nej, inte som ni tror
) och kan notera att hyllorna efter väggen rör sig nog nästan exakt lika mycket som innan vi förlängde. Och den rörelsen är mindre när man står direkt över balken än om man står närmare väggen dvs det är inte balken utan befintliga golvreglarna som sviktar. Rörelse i golv när man går över balken går inte att känna.
Jag skall låna en laser och se vad det är för nedböjning vi talar om.
Noterade imorse att jag fått en spricka på ytterväggen (25cm leca, med puts på utsidan) där balken förlängts(se bild). Undersökte inte noggrannare imorse om det är djupare än putsen men får kolla när jag kommer hem. Jag antar att det är för jag har flyttat bärpunkten utåt och därmed fått den (rätt kraftiga) sulan som ytterväggen står på att sätta sig lite längre ut än innan. Balken ligger ju på en lecavägg som står på samma sula som ytterväggen, det är ju en "tarm" gjuten innåt.
.
Nu är det ju fixat och balken förlängd. Jag och sambon testade frenetiskt svikten (nej, inte som ni tror
Jag skall låna en laser och se vad det är för nedböjning vi talar om.
Noterade imorse att jag fått en spricka på ytterväggen (25cm leca, med puts på utsidan) där balken förlängts(se bild). Undersökte inte noggrannare imorse om det är djupare än putsen men får kolla när jag kommer hem. Jag antar att det är för jag har flyttat bärpunkten utåt och därmed fått den (rätt kraftiga) sulan som ytterväggen står på att sätta sig lite längre ut än innan. Balken ligger ju på en lecavägg som står på samma sula som ytterväggen, det är ju en "tarm" gjuten innåt.
.
Inloggade ser högupplösta bilder
Logga in
Skapa konto
Gratis och tar endast 30 sekunder
Redigerat:
Vid lite undersökande så visar det sig att jag överskattat storleken på sprickan. Dels så går den inte över hela väggen, dels är det ju bara en nagel bred.
Jag tror den skapats av att byggarna används expanderbetong under balken på det nya upplägget och därmed så lyfte det allt lite grann och ändrade då belastningen.
Det hade tydligen varit ett snabbt och enkelt jobb för svetsarna då de kom åt från alla håll. De hade funderat på förband och liknande, men nu så var det bara snyggt ihopsytt runt om.
Jag tror den skapats av att byggarna används expanderbetong under balken på det nya upplägget och därmed så lyfte det allt lite grann och ändrade då belastningen.
Det hade tydligen varit ett snabbt och enkelt jobb för svetsarna då de kom åt från alla håll. De hade funderat på förband och liknande, men nu så var det bara snyggt ihopsytt runt om.
Som lite uppföljning så kollade jag med laser efter förlängningen och fann att även nu så har balken ingen synbar böjning. Och då ser man ju också att svetsarna gjort ett bra jobb med att få dit den extra metern rakt. Funderar man på om den böjer sig när någon går ovanför så kan man ju hänga i den, jag testade detta ovetenskapliga och kände mig rätt fånig när man inser att man är som en fluga för balken. Kraftiga grejer.
Nej, det blev det inte som tur ärraveper skrev:
När jag står och hopp/gungar ovanför så känns det ganska stabilt. Som innan förlängningen ungefär.
Jag börjar misstänka att bjälklaget ovan är rätt kraftigt. Jag såg att på den delen som fortfarande har bärande vägg så skymtade vad som såg ut att vara en limträbalk fram, jag undrar om det kan vara så att det sitter ett par limträbalkar även där jag tagit bort väggen. Det får jag se när jag byter ut det tryckta virke som håller upp trossbotten antar jag.
Jag vet faktiskt inte ännu vad det skulle kosta. Det var tydligen mycket enklare än de trodde så det tog inte så mycket tid, har inte fått fakturan ännu dock.Rappala skrev:
De kom åt att svetsa "delar" av balken ovanifrån, men inte helt ut.
Jag kollade inte licens (jag har inte ens träffat dem), utan de kom på initiativ från en byggare som hjälpte mig lite. Han hade jobbat med dem på många projekt. Det var tydligen grundaren till Bromma stål som gjorde jobbet och dessa har ju vad jag förstår ett gott rykte.
Min byggare var där och agerade brandvakt. De hade med sig släckare (vet inte vilken storlek) och jag hade dragit fram vattenslang (som de använde att blöta upp ovan balken dvs det brännbara).raveper skrev:

