Start
Bibliotek
Forum
Bilder
Shop
Avbryt
Bli medlem
Logga in
Start
Bibliotek
Forum
Bilder
Shop
Start
Bibliotek
Meny
Bibliotek
Altan & Uteplats
Badrum
Bygga nytt hus
Ekonomi & Juridik
Grund & Markarbete
Kök
Renovera
Tester
Trädgård & Utemiljö
Verktyg
VVS & Inomhusklimat
Forum
Meny
Forum
Index
Senaste
Obesvarat
Populärt
Mest gillat
Medlemmar
Forumsök
Regler
Bilder
Meny
Bilder
Utvalda bilder
Populära bilder
Forumbilder
Video
Shop
Meny
Shop
Bästsäljare
Verktyg & maskiner
Hus & bygg
Skruv & infästning
Trädgård & utemiljö
Jämförelser
Meny
Jämförelser
Jämför hustillverkare
Jämför boräntor
Jämför elförbrukning
Jämför bergvärmepump
Jämför luft-vattenvärmepump
Övrigt
Meny
Övrigt
Svarta listan
Fråga experten
Quiz
Ordlista
Information
Meny
Information
Om oss
Nyhetsbrev
Kontakta oss
Annonsera
Regler
Datapolicy
Cookies
A-Ö
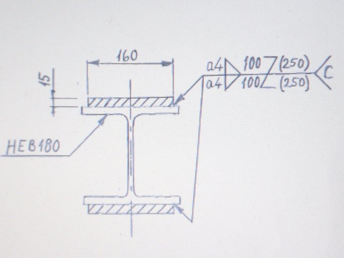
Tråd: Ersätta bärande stålbalk med en kraftigare för längre spännvidd?
Tråd: Ersätta bärande stålbalk med en kraftigare för längre spännvidd?
Vi vill skicka notiser för ämnen du bevakar och händelser som berör dig.
Nej tack
Tillåt