11 302 läst ·
51 svar
11k läst
51 svar
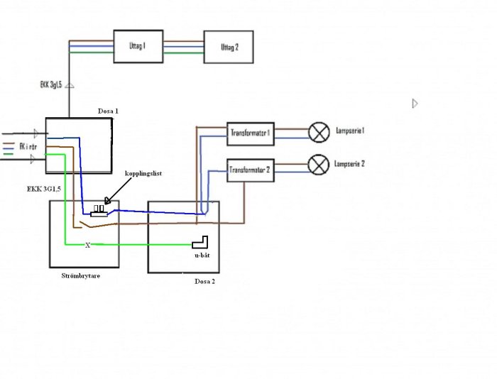
Strömkabel från fördragen flexrör till hörnuttag och belysning i kök.
Min kollega gick en elsäkerhetskurs för några månader sedan angående de nya reglerna och där sa t.o.m kursledare att blå INTE längre får användas till nåt annat än till neutralledare, oavsett förväxlingsrisken, nytt från i år. Men jag har mailat elsäkerhetsverkat, så hoppas på svar snart. Det är inte helt lätt att hålla sig uppdaterad på alla nya regler hela tiden, det ska gudarna veta...
Renoverare
· Gävleborg
· 8 193 inlägg
Norathgon, om du inte redan är det så kan jag tipsad dig om att bli medlem på Elforumet Fluxio. Där kan du starta en tråd om just detta och se om någon annan har mer att tillägga i saken. 
//Patrik
//Patrik
Det skulle du kunna tolka som att i kabel som endast går till tex en enpolig brytare finns ingen nolla därmed ok och ingen förväxlingsrisk heller. Skulle du däremot mata vidare och använda fyr-femledare vore det naturligtvis vansinne att inte ta blå till nollan. Simma du lugnt Patrik nån måtta på hårklyvningen får vi allt ha trots allt.Patrik_Hed skrev:Vänta lite nu, "där ingen neutralledare finns"??
Så då är det alltså inte tillåtet längre att vid t.ex. en vanlig tradionell utanpåliggande installation med en enpolig brytare och en lampa använda blå som tändtråd från brytaren till dosan och där byta färg till brun i kabeln som går till lampan? När kom denna ändringen, som garanterat väldigt få elektriker känner till??
//Patrik
I det fallet kan du tex tänka dig enklaste fallet med en dosa tre kablar matning, brytare, lampa. Följer du den gamla praktiken och sen ska någon komplettera blir det genast uppenbart att två blå ledare sammankopplade vinner kampen mot svart-blå eller brun-blå. Allt bygger givetvis på att man ursprungligen kopplar allt korrekt och kontrollerar att den funktion man önskar innehålls.
Ett fall däremot där det kursen varit inne på är tex anslutning av trefasmotor med 4Gx där försöker många minska användningen av blå som fas. Eller att använda fyrledare av tillräcklig area för TNC och i den använda blå som fas. Det är lite mer i såna fall man kan börja försöka vara mer strikt. Viktigt är även den vanliga passusen att det många kallar föreskrifter är standard och inte obönhörligt tvingande. Att ropa på Esv i såna här frågor är numera ganska udd och meningslöst, och har så varit i många år.
Ett fall däremot där det kursen varit inne på är tex anslutning av trefasmotor med 4Gx där försöker många minska användningen av blå som fas. Eller att använda fyrledare av tillräcklig area för TNC och i den använda blå som fas. Det är lite mer i såna fall man kan börja försöka vara mer strikt. Viktigt är även den vanliga passusen att det många kallar föreskrifter är standard och inte obönhörligt tvingande. Att ropa på Esv i såna här frågor är numera ganska udd och meningslöst, och har så varit i många år.
Jo men står det att man BÖR, ja då är det ju upp till var och en att göra en riskbedömning, men säger dom däremot att man SKALL eller att man INTE får göra si eller så, då är det inte så mycket att orda om längre.
Hobbyelektriker
· Värmland, Molkom
· 26 155 inlägg
Nu finns inget av orden bör eller skall i texten:
.
En tolkning av den understrukna texten måste ju göras för texten är inte exakt. Jag har tolkat den sista delen som att det är kabeln som avses i första hand, och när kabelns båda ändar är inom "synhåll", dvs att man förstår vad som finns i den andra änden.
Läser man gamla föreskrifter, guider och svar från experter så bygger detta med blå tändtråd mycket på att det är praxis för kablar till strömbrytare - det är alltså något som varje elektriker vet att han kan förvänta sig. Av samma anledning avråds användning av blå tändtråd i rör med FK (inkl fördragen slang) - det är inte praxis.
Men, jag säger ingenting om att du avråder från/undviker blå tändtråd, speciellt inte i detta fall då det är en dosa med upp till 6 kablar som dessutom är delvis dolda, utan välkomnar dig till forumet och hoppas på ditt kunnande i många frågor.
.
514.3.Z4: Användning av blå ledare för vissa tillämpningar.
I vissa tillämpningar, förutsatt att förväxling inte är möjlig och där ingen neutralledare finns, får en ledare som är färgmärkt blå användas för andra ändamål, dock inte som skyddsledare.
ANM - Detta kan vara fallet i en del av en krets, t.ex mellan en strömställare och strömförbrukande elmaterial.
Råd: Ledare med blå färgmärkning kan i dessa fall användas som, t.ex fasledare eller tändtråd till belysning.
I vissa tillämpningar, förutsatt att förväxling inte är möjlig och där ingen neutralledare finns, får en ledare som är färgmärkt blå användas för andra ändamål, dock inte som skyddsledare.
ANM - Detta kan vara fallet i en del av en krets, t.ex mellan en strömställare och strömförbrukande elmaterial.
Råd: Ledare med blå färgmärkning kan i dessa fall användas som, t.ex fasledare eller tändtråd till belysning.
En tolkning av den understrukna texten måste ju göras för texten är inte exakt. Jag har tolkat den sista delen som att det är kabeln som avses i första hand, och när kabelns båda ändar är inom "synhåll", dvs att man förstår vad som finns i den andra änden.
Läser man gamla föreskrifter, guider och svar från experter så bygger detta med blå tändtråd mycket på att det är praxis för kablar till strömbrytare - det är alltså något som varje elektriker vet att han kan förvänta sig. Av samma anledning avråds användning av blå tändtråd i rör med FK (inkl fördragen slang) - det är inte praxis.
Men, jag säger ingenting om att du avråder från/undviker blå tändtråd, speciellt inte i detta fall då det är en dosa med upp till 6 kablar som dessutom är delvis dolda, utan välkomnar dig till forumet och hoppas på ditt kunnande i många frågor.
Blå som tändtråd kan väl aldrig vara vettigt i fallet FK i rör/slang, man bör helt enkelt skippa den fördragna i det fallet. Den "nya"(nåja det har väl gått några år den den kom) oranga FK'n är snyggare som tändtråd tycker jag....
I fallet 3G EKK / EKLK / EKRK är det av naturliga skäl naturligare förstås...
I fallet 3G EKK / EKLK / EKRK är det av naturliga skäl naturligare förstås...
Tack för alla era svar! Det är rolig när en tråd "fylls på".
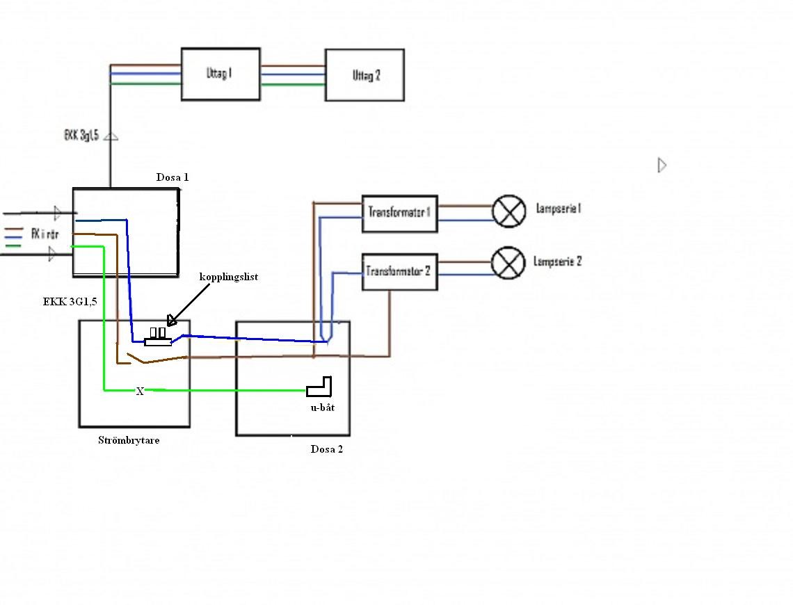
Har försökt baka ihop alla svar till ett nytt schema. Har jag förstått det rätt?
Vet inte riktigt vad jag ska göra mellan strömbrytaren och transformatordosan. Vad gör jag med kablarna som inte är tändtråd och fas. Ska jag sätta ubåtar? Alltså vad händer med ändarna? Ska de hänga löst?
MVH
Samuel
Har försökt baka ihop alla svar till ett nytt schema. Har jag förstått det rätt?
Inloggade ser högupplösta bilder
Logga in
Skapa konto
Gratis och tar endast 30 sekunder
Vet inte riktigt vad jag ska göra mellan strömbrytaren och transformatordosan. Vad gör jag med kablarna som inte är tändtråd och fas. Ska jag sätta ubåtar? Alltså vad händer med ändarna? Ska de hänga löst?
MVH
Samuel
Du ska sätta brytaren i bruna fastråden och inte i nollan. Använd samma kabel treledare överallt. I dosa ett kopplas allt färg mot färg och i strömbrytaren går brun genom den och jord, nolla skarvas bara vidare. Dosa två kopplar du även samman färg mot färg och vid trafona får du klippa jorden om den inte har anslutningsmöjlighet, brukar vara trångt nog i dem.
Väntar med spänning på pekpolisen och gläder mig åt att du kan lösa det med endast 3G1.5 kabel.
Väntar med spänning på pekpolisen och gläder mig åt att du kan lösa det med endast 3G1.5 kabel.
Det finns kabelkanaler, till exempel DMT ifrån Thorsman, som det är tillåtet att dra enkelisolerad FK inuti. Om det är godkända under ett köksskåp där det åtminstonde teoretiskt sett finns risk för lite vatten låter jag vara osagt. Men kanske kan vara ett alternativ om du inte vill hålla på och plottra med en massa olika kabelvarianter. Min erfarenhet är att de flesta elektriker bara har 3- och 5-ledare liggande i bilen och gladeligen använder dem oavsett om det bara behövs 2- eller 4-ledare. De må sitta här i forumet och jollra över vilka färger som får användas men i praktiken är det inte alls lika noga.
Inloggade ser högupplösta bilder
Logga in
Skapa konto
Gratis och tar endast 30 sekunder
Tack för svar!
En liten uppdatering.
Är det så att X i strömbrytaren användas som kopplingsplint för vidarekoppling av passerande jord? dvs jordens ändar kopplas till varsin X?
När du säger "skarva vidare", är det kopplingslist som används då? Borde finnas plats i strömbrytaren då det är en utanpåliggande?
Då trafona inte har jord avslutar jag väl den i dosa 2 med en ubåt? Så den kan användas i framtiden för annat?
MVH
Samuel
Redigerat:
Det kallas för en blindplint. Den är inte ansluten till något annat. Så har blindplinden 3 kopplingar kan du koppla ihop 3 valfria ledare där.sam820921 skrev:
Du kan använda vad du vill. Antingen en blindplint, en torix, en ubåt eller något mer modernt som en fjäderbelastad koppling typ Wago.sam820921 skrev:
Fjäderbelastad koppling som går att öppna enkelt:
http://www.clasohlson.com/se/Anslutningsklämma-Wago/Pr363051000
Fjäderbelastad koppling som inte går att öppna enkelt:
http://www.clasohlson.com/se/Toppklämma-Wago/Pr363049000
Vanlig äcklig ful och vedervärdig toppklämma a'la Torix-modell:
http://www.clasohlson.com/se/Toppklämma/Pr224891010
Kopplingslist även känd som "sockerbit":
http://www.clasohlson.com/se/Kopplingslist/Pr363417000
Toppklämma känd som "ubåt":
http://www.biltema.se/sv/Bygg/El/Fast-installation/Toppklamma-46258/
Precis som Steamboy nämner kan du använda X för att koppla vidare vad som helst i brytaren. För att du inte ska missuppfatta något där brukar det ofta endast vara möjligt att koppla två trådar per X-klämma och det är ju tillräckligt i de flesta fall. Finns två X-klämmor i din brytare är det lämpligt du använder dem för att skarva nolla och jord vidare. Utrymmet kan ibland vara ganska begränsat under kapslingen så att använda andra don för skarvning blir lite bökigare om man inte är van.
Du kan avsluta jorden med en ubåt i dosan eller som Alfredo skrev tidigare låta dem följa med till trafona och inte klippa där om det finns plats på ett vettigt sätt. Tror du är rätt nära nu.
Du kan avsluta jorden med en ubåt i dosan eller som Alfredo skrev tidigare låta dem följa med till trafona och inte klippa där om det finns plats på ett vettigt sätt. Tror du är rätt nära nu.
