13 045 läst ·
43 svar
13k läst
43 svar
Hjälp med inkoppling
Jag är inte säker på att jag förstår frågan riktigt, men jag svarar på det jag tror du menar.spikers_corner skrev:
Vattenrören går ju ut ifrån botten av kakelugnen och sedan går ju de ner underplattan i 22 mm plusprisol rör. I och med att de är issolerade så blir det ju inte så varmt.
Olof
Det var jag som inte skrev allt jag tänkte, eller jag antog att du lusläst tråden. Dåligt antagande av mig.
Jo jag undrar hur du har gjort för att inte hetvattnet från säkerhetsventilen på kakelugnspannan rinner ut på golvet. För jag antar att den står i vardagsrummet eller liknande. Och jag antar att det inte finns någon golvbrunn där.
Det är en säkerhetsventil som den på bilden jag tänker på, men du kanske har någon annan. (Rinkaby nr 2992)
Jo jag undrar hur du har gjort för att inte hetvattnet från säkerhetsventilen på kakelugnspannan rinner ut på golvet. För jag antar att den står i vardagsrummet eller liknande. Och jag antar att det inte finns någon golvbrunn där.
Det är en säkerhetsventil som den på bilden jag tänker på, men du kanske har någon annan. (Rinkaby nr 2992)
Okej,
jag har igentligen inte gjort någonting åt den, mer än att vänt utloppet mot skortsenen. Som förövrigt är toppansluten. Tanken bakom det är att vattnet skall förångas ifall något sker. Därimot tror jag inte att det är och blir några problem, eftersom jag har 120 liters expansionskärl. Detta blir inte särskilt varmt heller när temperaturen ökar i systemet, så jag hade säkert kunnat använt mig av ett mindre, men säkerheten räknas ju ganska högt, därav det stora kärlet.
jag har igentligen inte gjort någonting åt den, mer än att vänt utloppet mot skortsenen. Som förövrigt är toppansluten. Tanken bakom det är att vattnet skall förångas ifall något sker. Därimot tror jag inte att det är och blir några problem, eftersom jag har 120 liters expansionskärl. Detta blir inte särskilt varmt heller när temperaturen ökar i systemet, så jag hade säkert kunnat använt mig av ett mindre, men säkerheten räknas ju ganska högt, därav det stora kärlet.
Kanske inte svar på din fråga men varför köper du inte en tank med varmvattenslingor och solslinga istället?
Antagligen för att en pvv ger överlägsen varmvatten produktion,siktning
Test http://www.radron.se/templates/test____3718.asp
Test http://www.radron.se/templates/test____3718.asp
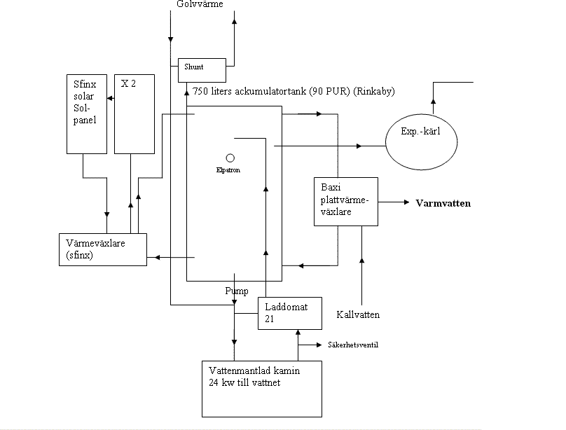
Jag ser inga större felaktigheter i den senaste skissen.
Men om accen bara är 750 liter skulle jag nog satsa på en enklare och billigare(?) lösning för solvärmen.
ladda med en slinga i botten och få samma önskvärda slutresultat som yttre växlare och dubbla pumpar, nämligen vv i kranen när solen lyser.
placeringen av uttaget till exp kan också kanske diskuteras närmare?
Men om accen bara är 750 liter skulle jag nog satsa på en enklare och billigare(?) lösning för solvärmen.
ladda med en slinga i botten och få samma önskvärda slutresultat som yttre växlare och dubbla pumpar, nämligen vv i kranen när solen lyser.
placeringen av uttaget till exp kan också kanske diskuteras närmare?
Ett argument för att ha säkerhetsventilen nära pannan är att man vill ha så fritt blås som möjligt, om pannan skulle komma i kraftig kokning av någon anledning, och därmed följande galopperande tryckökning.
Tack för kommentarerna.
Den här SYR-ventilen har jag inte riktigt förstått mig på. Hur ska man koppla den egentligen?
Den här SYR-ventilen har jag inte riktigt förstått mig på. Hur ska man koppla den egentligen?
Har man en panna med kylslinga kopplar man ventilen på kallvattenröret, kör in det i kylslingan och sedan returen ut från pannan till golvbrunnen.
Finns ingen kylslinga får man väl koppla den så den tappar ut varmvatten, skulle jag föreställa mig.
Finns ingen kylslinga får man väl koppla den så den tappar ut varmvatten, skulle jag föreställa mig.
Om man kör med en vattenmantlad eldstad (ved/pellets) så antar jag att det blir lite svårt att koppla syrventilen till själva eldstaden eftersom den varken har kylslinga eller vvb/varmvattenslinga? Jag gissar att man får nöja sig med en säkerhetsventil på eldstaden, eller vad säger Ni? Om den vattenmantlade eldstaden är kopplad till en ack (med vvb/varmvattenslinga) antar jag att man som ett säkerhetsarrangemang kan koppla syrventilen till acken så att det vid för hög temp i acken slopas in kallvatten i vvb/varmvattenslingan och spolar ur varmvatten ur vvb/varmvattenslingan? Har jag rätt? Frågan kommer att bli aktuell för mig också som funderar på ack, solvärme och vattenmantlad kamin.
Enligt uppgifter från en proffs i ett tyskspråkigt forum (http://bau.de/forum/kachelofen/243.htm) måste temperaturen för syrventilen kännas vid eldstadens/pannans vattenmantel. Annars kan det dröjer tills temperaturen i acktanken stiger så att eldstaden/pannan hinner att explodera. Tydligen finns det syrventiler med en 5m lång förbindelse till temperaturkännaren. Det ska inte gå att stänga av misstag flödet mellan syrventilen och pannan, inte heller kallvatten till ventilen.
Om man har egen brunn ska man egentligen har en extra behållare som kan levera kallvatten till ventilen.
Om man har egen brunn ska man egentligen har en extra behållare som kan levera kallvatten till ventilen.
OK, och var ska kallt vatten spolas in och varm ut om det inte går i eldstaden? På eldstaden sitter det ju en säkerhetsventil antar jag. Jag tänkte, i mitt fall, att en syrventil i acken skulle kunna vara ett säkerhetsarrangemang om man har sol kopplat till acken.
Solvärme kräver ingen syrventil eftersom pumpen i solkretsen stannar i händelse av strömavbrott eller pumphaveri. Dock kan man ju tänker sig att styrningen har ett fel som gör att den inte stannar vid hög temperatur i acktanken, dessutom kan stagnation och hög temperatur i solfångarna undvikas genom kylning av acktanken. Så din ide med syrventil på acktanken är bra för solvärmesystemet.
En eldstad/vedpanna kyls dock inte från en tillkopplad kyld acktank i händelse av strömavbrott eller pumphaveri, bortsett från eventuellt självcirculation. Manualen säger, att ventilen ska kopplas på varma ledningen till äldre pannor där det inte finns en särskilt anslutning direkt på vattenmanteln, antagligen ju närmare pannan, ju bättre (ursäkta, länken är till tyska manualen).
http://www.syr.de/index.asp?art=hei...type=6&ptool=false&pshow=true#anzeige
I parentes, DIN normen som tidigare nämd tråden hänvisar till, har emellertid ersatts av en europäiskt norm och där beskrivs bara mer allmänt vad ska göras. Man får avgöra själv vilken säkerhet man vill ha. Om himmlen skulla ramla på oss, så kan vi väl inte göra någonting i alla fall ...
En eldstad/vedpanna kyls dock inte från en tillkopplad kyld acktank i händelse av strömavbrott eller pumphaveri, bortsett från eventuellt självcirculation. Manualen säger, att ventilen ska kopplas på varma ledningen till äldre pannor där det inte finns en särskilt anslutning direkt på vattenmanteln, antagligen ju närmare pannan, ju bättre (ursäkta, länken är till tyska manualen).
http://www.syr.de/index.asp?art=hei...type=6&ptool=false&pshow=true#anzeige
I parentes, DIN normen som tidigare nämd tråden hänvisar till, har emellertid ersatts av en europäiskt norm och där beskrivs bara mer allmänt vad ska göras. Man får avgöra själv vilken säkerhet man vill ha. Om himmlen skulla ramla på oss, så kan vi väl inte göra någonting i alla fall ...
Klicka här för att svara

