7 561 läst ·
26 svar
8k läst
26 svar
Transformator husvagn ger 18v istället för 12v
Medlem
· Västerbottens län
· 18 024 inlägg
På bilden syns det ingen som helst glättning av strömmen från transformatorn och det gör att spänningen hoppar upp och ner mellan noll och ca 20 volt 100 gånger i sekunden. En smart TV nätdel vägrar starta. Ansluter du batteriet samtidigt så jämnar batteri ut den pulserande likströmmen så den blir helt jämn.
vad för ny ”transformator har du köpt.
Protte
vad för ny ”transformator har du köpt.
Protte
Spänningen ut är likström.
Med risk för att bli sågad jämns med fotknölarna så beställde jag följande 20a:
https://www.aliexpress.com/snapshot...rderId=3004110710259026&productId=33039794950
Har köpt ett par stycken liknande tidigare vilka fungerar bra.
Med risk för att bli sågad jämns med fotknölarna så beställde jag följande 20a:
https://www.aliexpress.com/snapshot...rderId=3004110710259026&productId=33039794950
Har köpt ett par stycken liknande tidigare vilka fungerar bra.
Medlem
· Västernorrland
· 11 695 inlägg
Det primära är ju att den ska ha en stabiliserad utspänning. Första trafon på bilden är ju inte bättre än enklaste möjliga batteriladdare och de beter sig också så här. Det brukar man lära sig om man spänningssätter känsliga saker med bara en enkel laddare.............En del kan ge väldigt många volt om de ej är anslutna mot en ackumulator.
Medlem
· Västerbottens län
· 18 024 inlägg
Jag skulle vara väldigt tveksam till en LEDdriver, det står output current 1~40 A.H hc77 skrev:
Har man otur kräver den en min belastning vilket är det normala om man ansluter LEDbelysning.
Varför köper du inte en konventionell strömförsörjning, finns även de på ali
Protte
Jag tror at det är "kinesium", dom skriver LED Driver för det säljer men det är det inte, eftersom en LED Driver normalt har en märkström och anpassar spänningen som behövs för att driva den strömmen.prototypen skrev:
Det här är ett typiskt switchat aggregat med stabil spänning upp till max ström, strömmen är ju beroende av vilken model du beställer.
Ser ju till och med ut som att det finns en spänningsjusterings-potentimeter, extra plus i min bok!
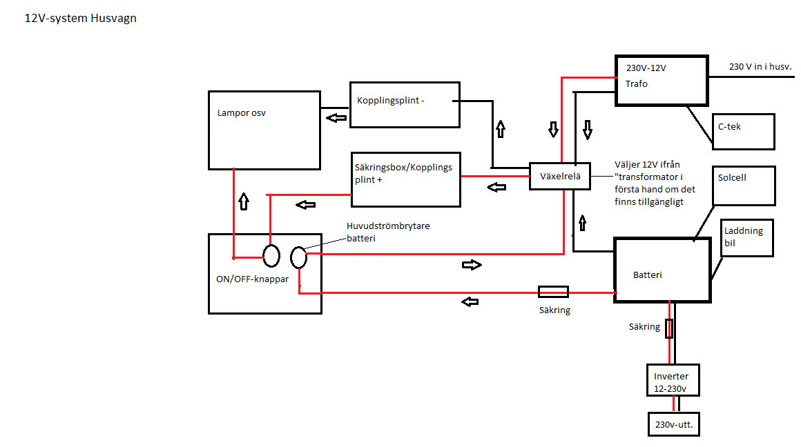
I väntan på att trafon kommer så skall jag försöka dra färdigt elsystemet. Gjorde en enkel skiss på hur jag tänkt det. Jag är novis på området så möjligtvis har jag tänkt helt fel men förslag och tillrättavisningar välkomnas gladeligen.
Inloggade ser högupplösta bilder
Logga in
Skapa konto
Gratis och tar endast 30 sekunder
Sparsamt med synpunkter på mitt el-schema, förhoppningsvis för att det ser någorlunda ok ut.
Har dock en fundering gällande jordningen. Idag är det jordkabel ifrån 230v i elcentralen till chassit som går att se på sista bilden i mitt första inlägg. 12V delen är dock inte jordad i chassit, bör även 12v vara jordat i chassit eller räcker det med att minus-kabel är ansluten till minus på batteriet. Idag är inte minus-polen på batteriet jordat i chassit.
Hur tycker ni man lämpligast "förgrenar" vidare 12v +matning ut till de olika förbrukarna. Har tjuvkikat lite på en annan vagn och där hade man byglat varje säkring i säkringshållaren (https://www.biltema.se/bil---mc/elsystem/sakringar/sakringshallare-2000031352) dvs byglat från ena stiftet till nästa osv. Eller är det bättre att först koppla via en kopplingsplint för at få rätt antal matningar och sedan till en säkringshållare?
Någon som har synpunkt/förslag på om det går använda växelrelä så som jag tänkt i el-schemat för att styra att 12v ifrån 230v-transformatorn prioriteras?
Har dock en fundering gällande jordningen. Idag är det jordkabel ifrån 230v i elcentralen till chassit som går att se på sista bilden i mitt första inlägg. 12V delen är dock inte jordad i chassit, bör även 12v vara jordat i chassit eller räcker det med att minus-kabel är ansluten till minus på batteriet. Idag är inte minus-polen på batteriet jordat i chassit.
Hur tycker ni man lämpligast "förgrenar" vidare 12v +matning ut till de olika förbrukarna. Har tjuvkikat lite på en annan vagn och där hade man byglat varje säkring i säkringshållaren (https://www.biltema.se/bil---mc/elsystem/sakringar/sakringshallare-2000031352) dvs byglat från ena stiftet till nästa osv. Eller är det bättre att först koppla via en kopplingsplint för at få rätt antal matningar och sedan till en säkringshållare?
Någon som har synpunkt/förslag på om det går använda växelrelä så som jag tänkt i el-schemat för att styra att 12v ifrån 230v-transformatorn prioriteras?
Det du beställt och kallar transformator är egentligen som någon redan konstaterat ett switchat nätaggregat och jämfört med den gamla 14V AC transformatorn ett ordentligt fall frammåt i utveckling, om det stämmer att utspänningen går att justera lite grann så kan du med fördel ställa det på ca 13,8-14,2V DC(om det går att justera så mycket). Ditt prioriteringsrelä kan du koppla så det kopplar bort nätagget på 12V sidan när det inte finns 230V in. (Enklast görs det med ett relä med spole som klarar 230V AC och 20A kapacitet över reläkontakterna), då är du helt säker på att det inte kan gå nån liten backström som drar ur batteriet eller att det drar ur batteriet vid ev. fel på nätagget. Kopplar du på detta sätt tillåts nätagget att ladda batteriet om förbrukarna drar mindre än ca 20A och Ceteken kan läggas undan tills det är dags för vinterförvaring eller liknande. Nätagget är inte lämpligt för underhållsladdning, men när vagnen används och batteriet får jobba så är det minst lika bra på att ladda batteri som t.ex bilens generator. Tänk bara på att det kan vara olämpligt att ha batteriet i bodelen om det laddas när folk är där.
Klicka här för att svara
Produkter som diskuteras i tråden