Hobbyelektriker
· Värmland, Molkom
· 26 149 inlägg
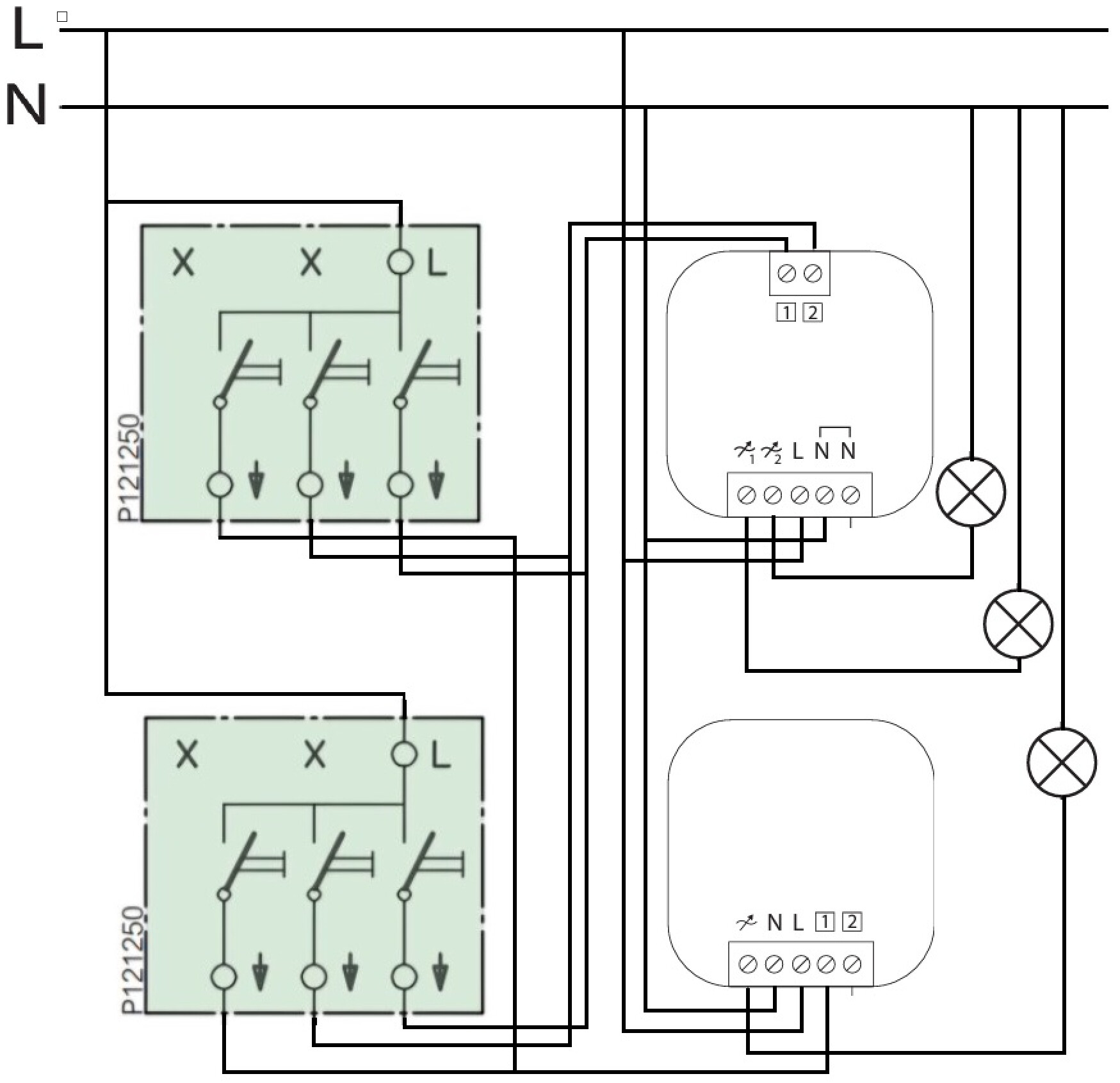
Jag tolkar dina bilder som att det är (tänkt att vara) kopplat så här:M MaryH skrev:
Inloggade ser högupplösta bilder
Logga in
Skapa konto
Gratis och tar endast 30 sekunder
Jag förstår inte vad du menar här, men jag tror inte det spelar roll.M MaryH skrev:
Vi pratar alltså om den sida som har en DIM-01. Den fungerar, från båda strömbrytarna, ok?M MaryH skrev:
Exakt vad lade ni till, exakt. Vad visar bilderna, före eller efter?M MaryH skrev:
Det är svårt att se, men det fins uppenbarligen en kopplingsdosa mellan dessa strömbrytare är trådarna byter färg så det de går inte att följa.M MaryH skrev:
Och till sist, vad är din fråga? Vad har du problem med? Att de två vipporna till vänster "inte fungerar"? Har du några symptom?
EDIT - Bo hann svara innan jag postade mitt inlägg, men om det finns någonting att skratta åt så bjuder jag på det.M MaryH skrev:
Jag är inte elektriker, men försöker agera tvättsvamp så snart någon delar med sig av sin kunskap på området. Jag har aldrig kommit i närheten av Plejds prylar (har bara använt Sonoff och Fibaro).
Jag är dock, eller kanske av just dessa skäl, otroligt "nyfiken" på hur det här är tänkt att funka.
Som jag förstår TS finns det tre takuttag i vardagsrummet.
I rummet finns 2 st 3x1 pol-strömställare med återfjädrande vippor (om jag inte misstolkar bilderna).
Det sitter en Plejd dim-01 bakom ena brytaren, och en dim-02 bakom den andra.
På något vis ska effekten av en "trippeltrapp" uppnås.
Om vi helt bortser från möjligheten att de uppgifter TS har lämnat är felaktiga (vilket de kan vara), ser då nedanstående rätt ut?
Tar inte illa vid mig av hån (kan ha fattat helt galet), men skulle föredra något lite mer konstruktivt. 😅
Ursäkta kladdet. Har använt "paint" och har noll vana av att försöka rita upp kopplingar på detta vis.
Om någon med koll på läget, kanske @etompau eller @Bo.Siltberg, kunde förklara hur det borde vara kopplat skulle jag (och kanske flera med mig) vara tacksam!
Inloggade ser högupplösta bilder
Logga in
Skapa konto
Gratis och tar endast 30 sekunder
Och ursäkta att jag kanske delvis drar fokus från TS problem.
Produkter som diskuteras: "paint"
Arbetsbelysning The Painter Rapid
Perfekt vid målning
371 kr inkl moms
Läs mer
Är det verkligen så?jonas_da skrev:
Blå ledare har inte använts som tändtråd. Det är bara perspektivet som kan lura en, om man tittar lite snabbt.jonas_da skrev:
Bilderna visar efter. Vi la till denna.Bo.Siltberg skrev:
Jag tolkar dina bilder som att det är (tänkt att vara) kopplat så här:
[bild]
Jag förstår inte vad du menar här, men jag tror inte det spelar roll.
Vi pratar alltså om den sida som har en DIM-01. Den fungerar, från båda strömbrytarna, ok?
Exakt vad lade ni till, exakt. Vad visar bilderna, före eller efter?
Det är svårt att se, men det fins uppenbarligen en kopplingsdosa mellan dessa strömbrytare är trådarna byter färg så det de går inte att följa.
Och till sist, vad är din fråga? Vad har du problem med? Att de två vipporna till vänster "inte fungerar"? Har du några symptom?
Hobbyelektriker
· Värmland, Molkom
· 26 149 inlägg
Ok, dessa fasledare har ingen betydelse. Att ni råkade se pucken i appen efter detta ser jag som en helt oberoende slump. Det låter som att ni bör kontrollera att DIM-02 har ström, fas och nolla.
Bo.Siltberg skrev:
Inloggade ser högupplösta bilder
Logga in
Skapa konto
Gratis och tar endast 30 sekunder
Om vi försöker översätta det vi ser till ditt kopplingsschema, blir det då (typ) såhär?
Vit (inritad av mig som grå) och svart ledare förbundna genom plint på strömställaren. Vit till "1" på DIM-2 och svart mot andra strömställaren.
Orange och svart ledare förbundna genom plint på strömställaren. Svart till "2" på DIM-2 och orange mot andra strömställaren.
Någonstans på vägen till andra strömställaren har vi ett byte av färg på åtminstone ena ledaren (orange/grå?).
Inloggade ser högupplösta bilder
Logga in
Skapa konto
Gratis och tar endast 30 sekunder
Om vi bortser från senare gjorda kopplingar (de gör ingen skada) borde väl det innebära att inkopplingen av strömställare och "puckarna" är ok? Givet att svart respektive orange ledare från ena strömställaren förbinds med antingen grå eller svart ledare från den andra. Eller tänker jag helt galet?
Att DIM-2 inte är synlig i appen indikerar att den saknar fas eller nolla, eller kanske att den är död/halvdöd.
Kontrollera därför att den har fas och nolla.
Inloggade ser högupplösta bilder
Logga in
Skapa konto
Gratis och tar endast 30 sekunder
Jag borde nog hålla mig till juridiken, för f.. vad jag fattar långsamt...
Edit - Detta forum är en enorm källa till ny kunskap, tack vare sådana som Bo, m.fl..
Oj. Då har jag kopplat mycket 3-fas till armaturer i sovrum och vardagsrum i min karriär. 😁jonas_da skrev:
Svart och grå går alldeles utmärkt att använda som tändtråd. Inget fel med det. Undantaget kan vara om anläggning är såpass gammal att svart är fas, då undviker även jag svart som tändtråd om det är möjligt.



