5 057 läst ·
26 svar
5k läst
26 svar
Diskmaskinspump tömmer ibland inte
Hmm, mysko. Ny pump monterad, kör igång diskprogrammet och pumpen står och hummar först, sedan påfyllning av vatten en stund, utpumpning och sedan stannar maskinen utan larm. Endast dioden på strömbrytaren lyser och programknapparna funkar inte.
Efter att ha ryckt strömmen och väntat en stund provade jag igen och då började den spola vatten i maskinen och stannade sedan.
Kan det vara någon nivåvakt som bråkar?
Har någon säkring gått nu? Vad är det som får pumpen att sluta? Är det någon därute som har ett kopplingsschema eller liknande?
Efter att ha ryckt strömmen och väntat en stund provade jag igen och då började den spola vatten i maskinen och stannade sedan.
Kan det vara någon nivåvakt som bråkar?
Har någon säkring gått nu? Vad är det som får pumpen att sluta? Är det någon därute som har ett kopplingsschema eller liknande?
Ok, så här är läget nu: Det gick att starta om maskinen på nytt program. Då pumpar den ut vatten, fyller på, börjar diska i några sekunder varpå pumpen surrar igång i någon sekund och maskinen stannar utan felkod.
Hmm, något elektriskt? De kontakter jag kan se ser fina ut, ingen ärg.
Något relä som spökar?
Tryckvakten? Vilka felsymptom brukar den ge?
Hmm, något elektriskt? De kontakter jag kan se ser fina ut, ingen ärg.
Något relä som spökar?
Tryckvakten? Vilka felsymptom brukar den ge?
såhär ser pressostaten ut.
Men nu när jag läser ditt inlägg igen så låter det som att det skulle kunna vara värmare eller circulationspumpen som tackat för kaffet. Eftersom du säger att den kör någon sekund, sen slår av, då låter det som att när värmaren slår på så stoppar den. Så igenkalkad värmare kanske, eller att den helt enkelt har gjort sitt efter alla år.
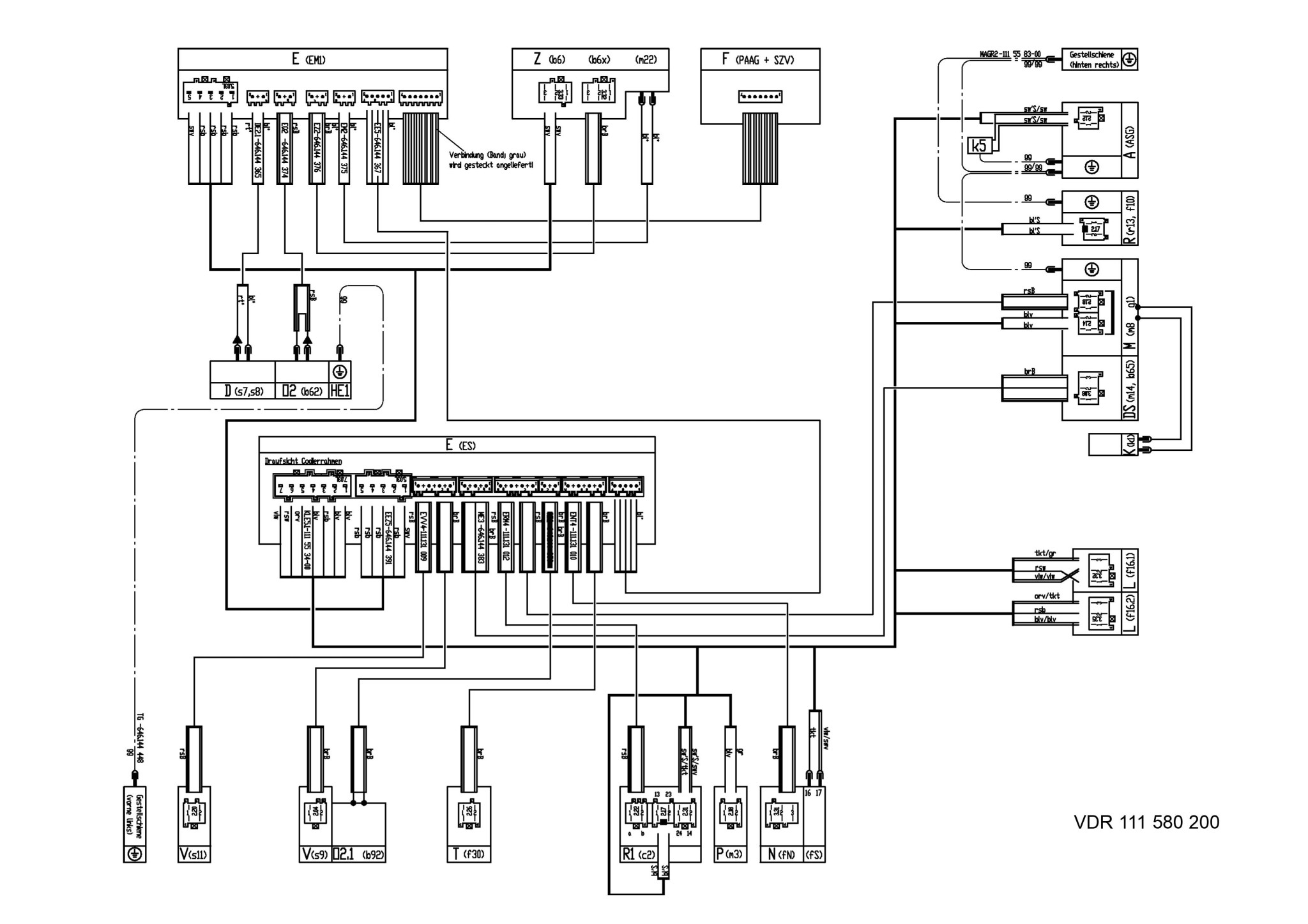
Slänger in ett schema jag hitta åt dig också, och lite teckenförklaringar.
Men nu när jag läser ditt inlägg igen så låter det som att det skulle kunna vara värmare eller circulationspumpen som tackat för kaffet. Eftersom du säger att den kör någon sekund, sen slår av, då låter det som att när värmaren slår på så stoppar den. Så igenkalkad värmare kanske, eller att den helt enkelt har gjort sitt efter alla år.
Slänger in ett schema jag hitta åt dig också, och lite teckenförklaringar.
Jag tror inte att den stannat utan mer att diskmotorn inte går igång du har inte råkat ta bort någon sladd från typ startkondensatornH Hempa69 skrev:Hmm, mysko. Ny pump monterad, kör igång diskprogrammet och pumpen står och hummar först, sedan påfyllning av vatten en stund, utpumpning och sedan stannar maskinen utan larm. Endast dioden på strömbrytaren lyser och programknapparna funkar inte.
Efter att ha ryckt strömmen och väntat en stund provade jag igen och då började den spola vatten i maskinen och stannade sedan.
Kan det vara någon nivåvakt som bråkar?
Har någon säkring gått nu? Vad är det som får pumpen att sluta? Är det någon därute som har ett kopplingsschema eller liknande?
Inget är omöjligt, jag kollar det. Men då skulle det kunna vara startkondensatorn som gett upp också? Jag hade en elgräsklippare där motorn bara hummade och det visade sig vara startkondensatorn som gett upp.electroluxaren skrev:
Produkter som diskuteras: "multimeter"
Multimetrar
Multimetrar är mångsidiga instrument som används inom elektronik och elteknik för att mäta olika parametrar som ström, spänning och resistans. De kan vara digitala eller analoga och är ett oumbärligt verktyg för alla som regelbundet
Läs mer
Hehe, ja annars blir det svårt. Om det inte är avstånd istället för motstånd man vill mäta!electroluxaren skrev:
Jag provade igen att starta maskinen efter att den varit utan ström i några timmar, och nu har den kommit till torkningsdelen i programmet utan att protestera. Strange.
den här modellen/plattformen höll man på med för 10-15 år sedan och jag minner mig om en maskin som inte diskmotorn gick på ibland, start kondensator byttes och tom motorn, tror inte att vi fick ordning på den.
kretskorten var annars den svaga punkten eller värme-reläet på dessa plattformar
kretskorten var annars den svaga punkten eller värme-reläet på dessa plattformar
Intressant. Överlag känns maskinen ganska gedigen och är tystlåten av sig. Om felet fortsätter att dyka upp då och då kan man ju anta att det är kretskortet eller relä, min ringa erfarenhet säger att intermittenta fel ofta hänger samman med elektronik.
Klicka här för att svara
Produkter som diskuteras i tråden
Liknande trådar
-
Smågrejer dyrt (och ibland även dyra grejer)
Övrigt Off Topic -
Kylfläkt på Electrolux spis går hela tiden, slutar ibland
Vitvaror -
Hur tömmer jag min gamla hydrofor helt på vatten?
Vatten & Avlopp -
ASKO DFI8547XXL Tömmer ibland. Ibland felkod F10/F11
Vitvaror -
Electrolux EWW1686HDW tömmer inte (ibland)
Vitvaror



