Egentligen en verktygsfråga, men då problemet antagligen är elrelaterat så lägger jag in det här.
Sågen jag köpte begagnad orkar ingenting. Och jag menar verkligen ingenting, klingan stannar en cm in i en 45 mm regel, hur sakta jag än försöker mata.
Jag kan tänka mig:
1. Trasig motor.
2. Överströmsskydd som löser vid fel nivå.
3. Konding som har pajat, med fel uF som följd.
4 .... ? tja ...
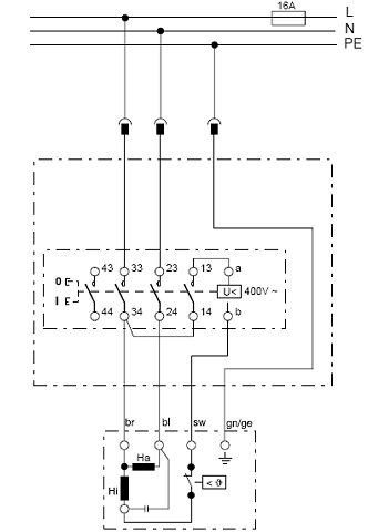
Jag bifogar schemat, är det ngn som har ett bra tips på var jag börjar?
Ska jag t.ex. mäta strömmen?
Jag brukar hålla på och fippla själv, med stor glädje. Men genom att fråga här hoppas jag kapa lite tid.
Är motorn en trefas egentligen?
Sågen jag köpte begagnad orkar ingenting. Och jag menar verkligen ingenting, klingan stannar en cm in i en 45 mm regel, hur sakta jag än försöker mata.
Jag kan tänka mig:
1. Trasig motor.
2. Överströmsskydd som löser vid fel nivå.
3. Konding som har pajat, med fel uF som följd.
4 .... ? tja ...
Jag bifogar schemat, är det ngn som har ett bra tips på var jag börjar?
Ska jag t.ex. mäta strömmen?
Jag brukar hålla på och fippla själv, med stor glädje. Men genom att fråga här hoppas jag kapa lite tid.
Är motorn en trefas egentligen?
Jag skulle testa att byta kondensator först, hjälper inte det får man nästan misstänka en trasig motor.
Motorn är inte en 3-fas utan en motor gjord för att gå med 1-fas + kondensator.
Motorn är inte en 3-fas utan en motor gjord för att gå med 1-fas + kondensator.
beläggningar på rotorn?
Dålig kontakt med kolen?
Dålig kontakt med kolen?
Mät lindningarna med när du ändå är på gång.
Vad står motorskyddet på och vilka data har du på motorn?
Går motorn jämnt och fint utan belastning?
/Kent.
Vad står motorskyddet på och vilka data har du på motorn?
Går motorn jämnt och fint utan belastning?
/Kent.
Det handlar om en enfasasynkronmotor om jag förstår det rätt. För att få den att snurra krävs en kondensator som skapar ett enda normalt roterande flöde. Efter att motorn startat har den en viss effekt oberoende av kondensatorn, denna har inte längre någon uppgift, möjligen tar den bort brummet.
Du använder en trefas kontaktor för till/från. Tolkar jag Din ritning rätt när jag tror mig förstå, att manövreringen sker manuellt, grön och röd knapp?
Hur stor effekt har egentligen Din motor? Den kanske helt enkelt är underdimensionerad. Kanske dags för ett byte till trefas?
per
Du använder en trefas kontaktor för till/från. Tolkar jag Din ritning rätt när jag tror mig förstå, att manövreringen sker manuellt, grön och röd knapp?
Hur stor effekt har egentligen Din motor? Den kanske helt enkelt är underdimensionerad. Kanske dags för ett byte till trefas?
per
Redigerat:
Om det är en ensam konding, används den i huvudsak för driften.pernitta skrev:Det handlar om en enfasasynkronmotor om jag förstår det rätt. För att få den att snurra krävs en kondensator som skapar ett enda normalt roterande flöde. Efter att motorn startat har den en viss effekt oberoende av kondensatorn, denna har inte längre någon uppgift, möjligen tar den bort brummet.
Du använder en trefas kontaktor för till/från. Tolkar jag Din ritning rätt när jag tror mig förstå, att manövreringen sker manuellt, grön och röd knapp?
Hur stor effekt har egentligen Din motor? Den kanske helt enkelt är underdimensionerad. Kanske dags för ett byte till trefas?
per
Motorer med separat startkonding brukar ha två kondingar, dessa motorer har mycket högre startmoment.
Redigerat:
Nu hjälper inte detta inlägg så mycket ....
Men Biltemas borscirkelsåg fungerar utmärkt (jag innehar en själv) mycket bra pris ca 1199 har jag för mig...
Men som sagt det hjälper ju inte felet på din förståss....
Men om den kostar kalsongerna att laga din ...så finns det en tröst i mörkret
Mvh
Men Biltemas borscirkelsåg fungerar utmärkt (jag innehar en själv) mycket bra pris ca 1199 har jag för mig...
Men som sagt det hjälper ju inte felet på din förståss....
Men om den kostar kalsongerna att laga din ...så finns det en tröst i mörkret
Mvh
Medlem
· Västerbottens län
· 18 024 inlägg
Mockajängen är ett övertempskydd men om kontaktorn drar så är den OK.
På kontaktorn står det 400V, men det är bara 230 som matning??
Om du har 230 mellan br och bl vid belastning så är det bara lindningarna och kondensatorn det kan vara fel på.
Hur startar den? sakta eller med ett ryck?.
Protte
På kontaktorn står det 400V, men det är bara 230 som matning??
Om du har 230 mellan br och bl vid belastning så är det bara lindningarna och kondensatorn det kan vara fel på.
Hur startar den? sakta eller med ett ryck?.
Protte

