11 385 läst ·
139 svar
11k läst
139 svar
Blandat med ojordat och jordat
Ja, så länge det är jord framdraget till dosan.B bygges skrev:
Så det är inte tillåtet att fixa problemet med blandning av jordade uttag och ej framdragen jord till vissa dosor i samma rum genom att byta de ojordade till Europauttag.
Men om det är uttag som både är och ser ojordade ut, då använder man skyddsjordade apparater med reservation och/eller utom räckhåll från varandra?Bo.Siltberg skrev:
Förstår inte hur du menar, menar du att det korrekta är framdragen jord till apparatdosan men som sedan ska lämnas i dosan medan neutral och fas kopplas in i Europauttaget?D dan_norstedt skrev:
Kan du länka källa på att en lös jordkabel måste ligga i apparatdosan?
I en nyinstallation måste jord finnas i alla anslutningspunkter, men jag har lite svårt att tro att det är "förbjudet" att installera europauttag i en äldre installation utan jord framme.B bygges skrev:
Stämmer.Fotografen skrev:
Men får man installerar ett/flera jordade uttag i ett rum samt byta ut ett/flera ojordade uttag till eurouttag utan att dra fram jord till dosan med eurouttaget?
Det finns inget sådant förbud, och jag vet inte vem som tror det.Fotografen skrev:
Vad som inte är tillåtet är att hoppa över jordledaren i dosan i en miljö som använder skyddsjordning.
Lägger man nytt hoppar man inte över jorden, men varför sätta ett lock i en äldre installation bara för att vara kantig, vad är skillnaden med en parkerad jord i dosan, eller inte?
D dan_norstedt skrev:
Kan du förklara vad det är du egentligen menar?D dan_norstedt skrev:
Normalt så fungerar allt och ingen risk. Det jag påpekade var att om murfy är framme ( lagen om alltings jävlighet ) så finns en risk om du får ett fel i datorn så att du får ut nätspänning på nätverksuttaget. Jag vet att det inte är ett vanligt fel, men går det att garantera att det inte kan inträffa?S sjoelund skrev:
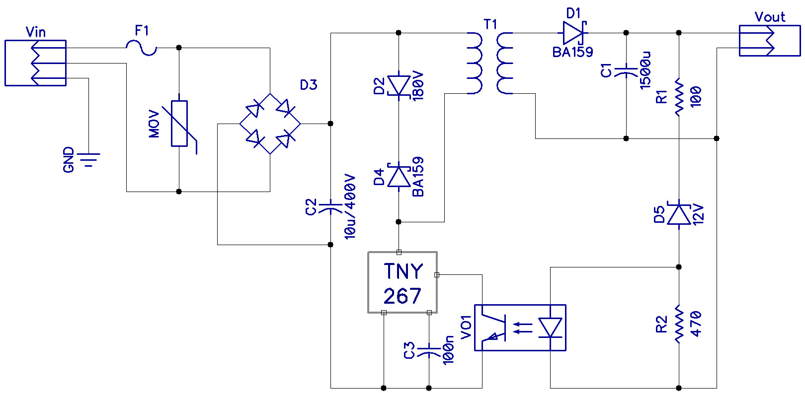
Ett switchat nätaggregat har ingen direkt kontakt mellan nät primärsida och sekundär likströms sida.H hjelmen 1 skrev:
Se T1 som isolerar de två sidorna.
VO1 är optisk isolation.
Om du har 230V inne i datorn har du nog större problem än så. Det är i princip bara likström efter nätaggregatet och om du fick 230V in i moderkortet (som ger ström till nätverkskortet) så lär allting brinna upp riktigt fort då det bara är ett fåtal volt som används.H hjelmen 1 skrev:Normalt så fungerar allt och ingen risk. Det jag påpekade var att om murfy är framme ( lagen om alltings jävlighet ) så finns en risk om du får ett fel i datorn så att du får ut nätspänning på nätverksuttaget. Jag vet att det inte är ett vanligt fel, men går det att garantera att det inte kan inträffa?
Borde vara samma med nätverksswitchar och annat. Det mesta går ju på likström så det vore otroligt att få in 230V i signalkablarna annat än precis då allting smäller.
Nu vill jag inte vara otrevlig, så försök inte provocera mig, jag vet hur en dator ser ut inuti och fungerar. Jag har byggt i hop åtskilliga i mina dagar. Det jag inte kan garantera och troligt vis inte du heller, det är hur en felsituation ser ut. Det kan vara allt från en åsksmäll så hela burken är som en svart klump till en lös sladd på primär sidan i nätaggregatet som ger överslag till lågspännings komponenterna. Det är ju inte när den fungerar som är problemetS sjoelund skrev:Om du har 230V inne i datorn har du nog större problem än så. Det är i princip bara likström efter nätaggregatet och om du fick 230V in i moderkortet (som ger ström till nätverkskortet) så lär allting brinna upp riktigt fort då det bara är ett fåtal volt som används.
Borde vara samma med nätverksswitchar och annat. Det mesta går ju på likström så det vore otroligt att få in 230V i signalkablarna annat än precis då allting smäller.
Jag skulle tippa på att åskan skulle kunna vara det som åstadkommer det problemet för ett nätaggregat. Men det skyddar du dig mot med överspänningsskydd. Jag tror inte något av de nätverk jag haft genom åren haft liknande problem heller.
Det finns så klart de som vill förstöra nätverk med flit och det är nog svårt att skydda sig mot:
Det finns så klart de som vill förstöra nätverk med flit och det är nog svårt att skydda sig mot:

