Elektriska skrönor och myter

Den här artikeln handlar om myter och skrönor inom det elektriska området; saker som ”alla har hört”, men som ingen riktigt kan belägga som sant eller falskt eller kan redogöra bakgrunden till varför det är så. Listan innehåller alltså både sanna och falska påståenden om saker som inte är speciellt originella, men ”myter” får duga som titel i alla fall.
Del i en elcentral.

Del i en elcentral. Foto: Medlemmen fideline

Alla frågor kommer inte att besvaras här, utan syftet är mer att lyfta de vanligaste påståendena som förekommer, med förhoppning om en givande diskussion kring dem i forumet utifrån faktiska erfarenheter. Kanske kan vi avliva någon myt eller dämpa någon skröna?

För somliga myter kan man misstänka att ursprunget var mer specificerat med avseende på omständigheter och villkor för att regeln skulle gälla. Men med tiden, från folkmun till folkmun, så har dessa villkor försvunnit och myten har blivit mer övergripande, och man har då förlorat kunskapen om skäl och syfte med regeln.

Sida 1 av 10

Färgerna på mina ledare betyder något

Färgade ledare

Foto: Från Byggahus.se

Inläggen är otaliga där folk beskriver vilka färger de har på sin ledare i en dosa och undrar hur deras dimmerpuck eller annat ska kopplas in, som om det fanns självklara och tydliga regler för vad olika färger används till. Varifrån kommer det? Kanske har det pratats om röd respektive grön/gul skyddsjord så pass att man tror att det finns och har funnits regler för alla slags ledare? Det är ju också väldigt lätt att tro att det skulle finnas tydliga och säkra regler.

Kanske handlar det inte alls om att folk tror färger har en entydig betydelse, utan det är helt enkelt bara ett sätt att beskriva vad som finns i en kopplingsdosa utan att man själv förstår vad som finns där. Många har kanske inte en  aning om vilka uppgifter som man behöver ta reda på när man ställs inför innehållet i en dosa. Branschen har kanske lyckats få folk att tro att en elektriker med gudomlig kraft kan knäppa med fingrarna och tala om precis hur det ligger till. Vad säger ni?

Sedan är det visst så att färger har betydelse, men inte så entydigt som många verkar tro. Regler för färger har funnits länge, men de har tyvärr också ändrats genom åren... Det vore ju bra om man kunde lita på att färgen hade en betydelse, men då det inte ens finns rutiner för att datera en anläggning så blir det ju svårt att gissa.

Sida 2 av 10

Problem med försäkringsbolaget om man bryter mot lagen om behörighet

Försäkringsproblem

Foto: econello.com

Alla verkar säkra på att det blir problem med försäkringsbolaget om man inte anlitar en elfirma som har alla behörigheter, pular själv eller inte har papper på att elinstallationen är okey. Det är så många som drar upp detta att det måste ha en grund, men ingen har kunnat presentera en sådan. Det verkar inte ens vara så att detta är något som folk har hört, utan något som de själva tror. Det borde vara världens enklaste sak att belägga med lite faktiska fall, men dessa lyser med sin frånvaro när detta diskuteras.

Försäkringsbolag brukar allmänt ha krav på att man följer lagar, regler och branschpraxis, men då syftar man på utförandet av en tillbyggnad eller renovering. En felaktig eller icke fackmannamässig elinstallation som konstaterats vara orsaken till skadan kan ju ge en nedsättning av ersättningen, detta oberoende av vem som utfört arbetet. Eventuellt kan skadeståndsanspråk i sin tur riktas mot någon annan än ägaren. Så det som gäller mot ett försäkringsbolag är ett korrekt arbete. Detta är ju generellt svårare att uppnå för en lekman än för ett proffs. Sedan finns alltid undantag då försäkringsbolagen är sin egen domstol.

Sida 3 av 10

Kopplingsdosor är inte tillåtna i badrum

Badrum

Får man ha en kopplingsdosa i badrum? Grafik: Emil Dervich

Ända sedan urminnes tider har ”alla” hört att kopplingsdosor inte får finnas i badrum, men källan till detta krav är okänd. Vidare så lär detta förbud ha försvunnit i slutet på 80-talet, likaså av oklar anledning, men många verkar fortfarande tro att förbudet finns kvar.

Det närmaste man kan komma detta förbud är kravet på kapslingsklassen IP21 som alltid har funnits. En infälld dosa håller IP20 så därför faller dessa bort, dock inte kapslade dosor. I slutet på 80-talet kom dock passande nog en regeländring som medgav IP20 för infällda takdosor.

Så man kan nog se detta som ett exempel på regel som folk totalt har glömt omständigheterna kring. Det är ju inte helt fel då man tolkat regeln åt ”rätt” håll. En (utanpåliggande) tät kopplingsdosa har aldrig varit förbjuden i våta utrymmen.

Sida 4 av 10

Man kan gå ned i area på en anslutningskabel

Anslutningskabel

Anslutningskabel RKK. Foto: Hornbach

Ja detta är helt korrekt, man kan gå ned ett snäpp i area, för det mesta... Men varför är det möjligt? Vilka villkor gäller för att kunna göra det? Hur många kan svara på det?

Frågan är egentligen lite för djup för att besvaras här då det handlar om vanlig ledningsdimensionering. En grundbult ligger i de tumregler vi har om förhållandet mellan säkringens märkström och arean på ledarna, 10 A / 1.5 mm2 och 16 A / 2.5 mm2. Dessa tumregler fungerar för alla normala förläggningssätt av en ledning och ger därför lite marginal för anslutningskablar. Varför? Berätta gärna er uppfattning i kommentarstråden.

Sida 5 av 10

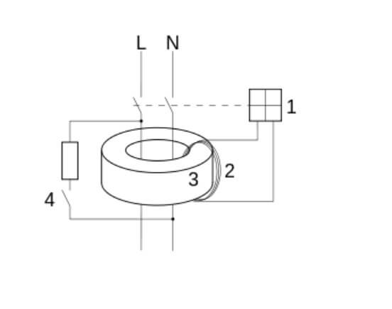
En jordfelsbrytare kräver jord för att fungera – de fungerar inte för ojordade uttag.

Jordfelsbrytare

Foto: Wikipedia

Detta påstående är både sant och falskt beroende på hur man ser det, men i huvudsak är påståendet falskt.

Om man spänner upp en JFB i labbänk så kan man lösa ut den genom att leda en del av strömmen förbi JFBn, vid sidan om den. Se nr ”4” i bilden ovan som symboliserar en krets som leder ström förbi JFBn (för att testa den). Det finns ingen jord här, det vill säga det behövs ingen jordpotential för att en JFB ska kunna lösa ut. Från JFBns synvinkel så vet den inte vad jord är, utan den ser enbart en obalans i de strömmar som går igenom JFBn, utan att bry sig om vilken väg strömmen tar förbi JFBn för att skapa denna obalans.

Den andra sidan av myntet är JFBns normala miljö där den verkar, i en elcentral i ett Svenskt hem som är matat med ett TN-system. Vid ett fel så går den allra vanligaste vägen förbi en JFB via jord eller via en skyddsledare. Det är svårt att tänka sig något felfall där jord inte är inblandad om man bortser ifrån rena felkopplingar vid installationen av en JFB.

Hur är det då med ojordade uttag? Får man skydd av JFBn vid ett isolationsfel i en apparat som är ansluten till ett ojordat uttag? Svar ja, jorden behöver inte komma från uttaget utan felströmmen kan gå via moder jord tillbaka till elcentralen, till exempel via vattenledningsrör. Finns det ingen sådan jord så blir det heller ingen farlig ström genom kroppen så JFBn behöver inte träda in. Men för apparater med jordad stickpropp fungerar JFBn betydligt bättre om apparaten ansluts till ett skyddsjordat uttag. Det var det korta svaret som får räcka tills vidare.

Sida 6 av 10

Det ska vara en egen jordfelsbrytare på kylen, för att skydda den

Gruppförteckning

Detta är en alldeles sann myt som det inte var något fel på, då. Skillnaden idag är att vi lärt oss mer och att JFBerna har blivit bättre. Myten hänger dock kvar än idag då den ofta nämns, det vill säga folk vill ha en separat JFB för kylen just för att ”skydda” den, för det har de ”hört”.

Rekommendationen om separat JFB för kylen är inte så gammal. Den härstammar troligen från 90-talet då JFBerna fortfarande var en nymodighet. Den tidens JFBer var betydligt känsligare för störningar och kunde faktiskt till synes tjyvlösa, det vill säga utan självklar anledning. 1995 kom en ny standard som gjorde JFBerna mer tåliga mot korta störningar. På den tiden fanns heller inte krav på JFB för uttag så jag minns att jag sett en officiell rekommendation om att lägga uttaget som kylen sitter i utanför alla JFBer. Kommer tyvärr inte ihåg källan, men det måste ha varit elsäkerhetsverket.

Idag har man dels insett att älgen i frysen inte värderas högre än människoliv så man undantar inte dessa uttag från en JFB (det är inte heller tillåtet i bostäder idag). Man har också insett att det är ganska lätt att identifiera riskgrupper, sådana som än idag riskerar att lösa en JFB vilket innefattar all elinstallation utomhus. Man har insett att det är inga problem att göra en mer jämn fördelning av belastningen över två JFBer där kyl och frys ligger på en av dem tillsammans med en stor del av huset.

Sida 7 av 10

Jag får dra lite el själv med nödig kännedom och låta elektriker kontrollera och koppla in

Installation

En installation som är helt emot alla vanliga "regler", enligt medlemmen PAF.

Ursprunget till denna vanliga skröna är okänd. Det har aldrig varit tillåtet att låta en elfirma slutföra det man själv påbörjat så det kan inte vara något som folk hört, inte från någon trovärdig källa i alla fall. Förhoppningsvis kan forumet hjälpa till med att nysta i troliga källor.

Det kan handla om ett missförstånd kring arbeten som inte är behörighetskrävande som till exempel byte av strömställare. Där fanns förr förmaningen att man skulle ha nödig kännedom för att få göra detta arbete. Någon elektriker behövde inte kontrollera något här.

Det är i och för sig naturligt att det skulle kunna gå till så här, en elfirma borde kunna kontrollera och koppla in. Så det är kanske lätt att tro att det skulle vara tillåtet.

Sida 8 av 10

Man förlorar garantin på tvättmaskinen om man klipper stickproppen

Klippa stickproppen

Anna-Karin84 behövde koppla in sin toppmatade tvättmaskin i den här dosan och fick klippa stickkontakten. Foto: Anna-Karin84

Här handlar det om upp till bevis. En tillverkare kan säkert vägra ett garantiärende eftersom man faktiskt gjort en viss åverkan på maskinen. Å andra sidan är det en åverkan som inte har någon betydelse för garantiärendet och dels en både vanlig och nödvändig åverkan på just tvättmaskiner. Man bör alltså kunna tjata till sig ett garantiåtagande här. Myten antyder att det skulle vara vanligt att man förlorade här. Vilka är era erfarenheter?

Man ska heller inte blanda ihop detta med CE-märkningen av maskinen. När elsäkerhetsverket pratar om att klippa bort stickproppen så pratar de om konsekvensen för CE-märkningen för det ligger liksom inom deras verksamhetsområde. De har inget intresse i tillverkarnas produktgarantier. Det kan nog vara så att CE-märkningen faller om man klipper bort stickproppen. Det innebär att man inte får sälja eller ens ge bort maskinen. Den får endast användas för eget bruk. Inget större problem.

Sida 9 av 10

Det kostar mer att tända ett lysrör än att låta det brinna

Lysrör

Lysrör i ett garage. Foto: Medlemmen Nidhögg

Detta är en kär gammal myt. Om man lämnar ett rum en kort stund, tjänar man på att släcka lysrören och tända igen när man kommer tillbaka

Vad kan man säga om denna myt då? Jo, den är gammal. Sedan behöver man ta hänsyn till vilken kostnad som avses. För den gamla tidens lysrör var den totala livscykelkostnaden högre än elkostnaden under drift, även om olika källor uppger att det gick åt ”mycket” energi förr för att tända ett lysrör.  Kanske är det så även idag. Även idag med moderna HF-don finns en rekommendation om att låta lysrören lysa åtminstone 15 minuter åt gången, dock utan att ange något skäl. Men det är ju uppenbart att man inte kan mena energiförbrukningen. Man kan ju fundera på hur hög effekt som ett lysrör behöver belasta med under uppstarten på några sekunder för att motsvara energin under 15 minuters drift. Däremot finns källor som pekar på kraftigt försämrad livslängd på de fina HF-armaturerna om de motioneras för ofta...

Sida 10 av 10

Flera ledare under samma klämma i elcentraler är förbjudet

Elcentral

Elcentral. Foto: Avemo

Detta är ännu ett exempel på en sann myt som inte längre är sann men som lever kvar än som om den fortfarande var sann. Det är också ett exempel på en myt, eller tumregel, som inte tar hänsyn till omständigheterna, det vill säga vilken typ av kopplingsklämma och vilken slags ledare det handlar om.

Det lär ha funnits ett allmänt förbud i tidiga föreskrifter mot flera ledare under samma kopplingsklämma som föranleddes av den gamla typen av skruvklämmor i diazedcentraler i form av en stor skruvskalle utan anhåll. Jag har dock inte hittat den paragrafen i gamla föreskrifter.

Däremot fanns det ett lite mer specifikt krav som levde en liten bit in på 2000-talet, att varje PEN-, PE- och N-ledare skulle ha varsin särskilda anslutningsterminal. Det ligger ju lite närmare i tiden och kan mycket väl ha tolkats lite bredare.

Ett närliggande krav som fortfarande finns kvar idag är att samhörigheten mellan fas-, neutral- och skyddsledare tydligt framgår för varje gruppledning. Nu pratar vi dock Svensk Standard, inte föreskrifter. Ska man uppfylla detta så landar man ju i separata klämmor. Det är ju också så man gör idag. Det finns idag ingen anledning till dubbla ledare då dagens normcentraler vanligen är utförda så att det finns plats.