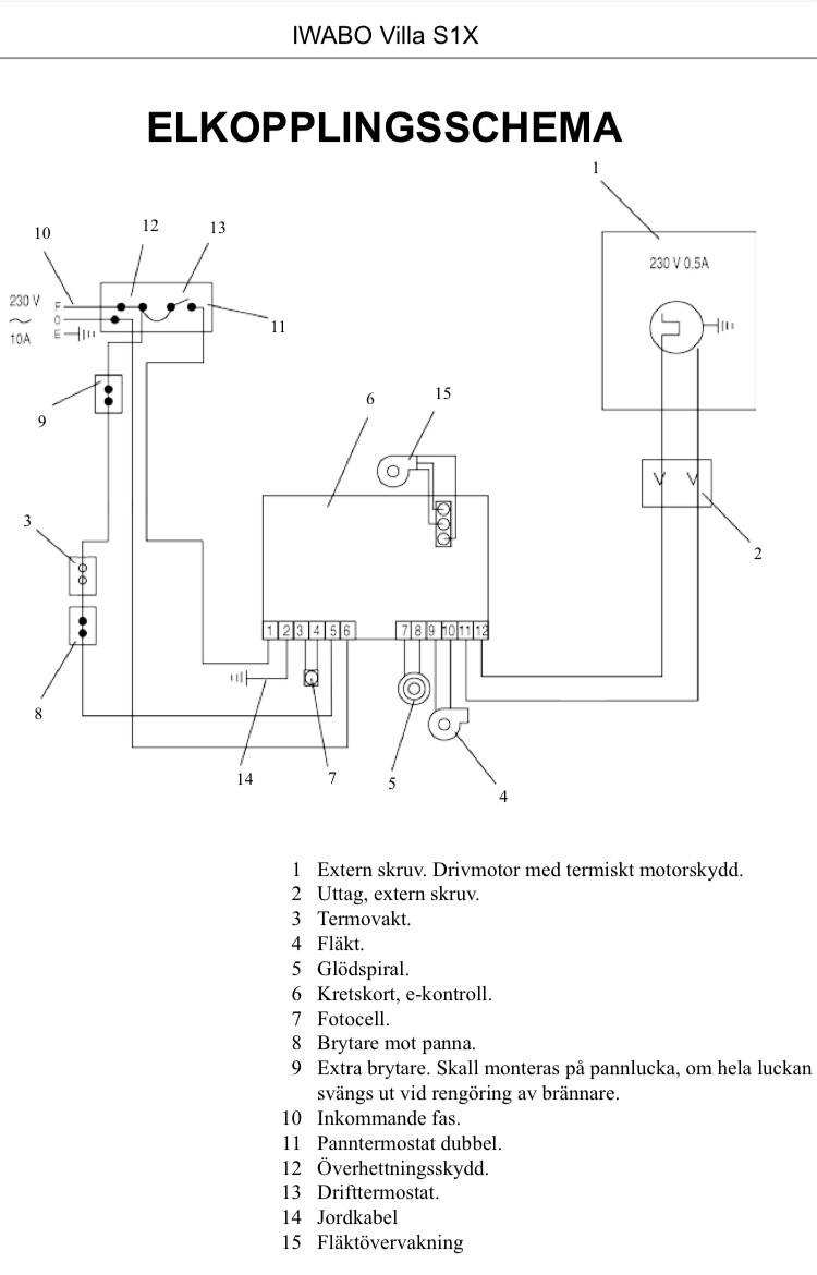
Tjo. jag hade en pelletsbrännare Iwabo villa S som fungerat kanon i många år, sen brann kretskortet! Nu hade jag turen att hitta en likadan begagnad å köpte den, men när jag kopplar in den så känner den inte av termostaten i pannan och bara fortsätter att bränna! Var tvungen att stänga ner den vid 95 gr fast termostaten är satt vid 80 gr! (den nya är några år nyare än den gamla)
Troddde i min enfald att det bara var att koppla som den gamla, men tji fick jag. Nån som har koll?
Troddde i min enfald att det bara var att koppla som den gamla, men tji fick jag. Nån som har koll?
Termostaten sitter på pannan sen går strömmen vidare till brännaren! Jag kan ha fattat allt fel och den termostaten är till för att starta brännaren när tempen går NER till satta temp! Å då är ju frågan hur jag justerar maxtemp i brännaren? Återkommer om brännaren går över 95 gr...
Jag är helt vilse när det kommer till sånt här
Jag är helt vilse när det kommer till sånt här
Klicka här för att svara
Liknande trådar
-
Varför kan jag inte ta ut fläktskivorna på fläkten Bejublad från IKEA?
Kök -
Hur många säkringar behövs och varför fungerar inte ugnen som den ska?
Vitvaror -
Varför finns inte denna rcbo i Sverige
El -
Automower 315 hittar inte laddstation, stannar på gräsmattan
Robotgräsklippare -
Varför stannar inte rökgasfläkten?
Värme allmänt
