Hej
Jag har idag en CTC V35 och två stycken 750L tankar kopplade av rörfirma som
inte kan ett dugg om att koppla in vedpannor.
Dom har inte satt någon avluftning och istället för en laddomat 21,
så satte dom en 4030 och shunten på pannan.
Som ni förstår så fungerar det inte alls bra, blir luft och 4030 orkar inte med att
ta hand om värmen, pannan stannar, det puffar och ryker och tjärar.
Har jag tur får jag upp knappt 80grader i hela tankarna efter många pannstopp.
Jag kommer dra om detta så fort det börjar bli lite varmare och vill göra det så bra och rätt som möjligt.
Jag vet här finns väldigt många med stor kunskap av just vedanläggningar och
skulle behöva er hjälp.
Har sökt flera kvällar här men inte hittat direkt hur det bästa sättet är.
Några frågor:
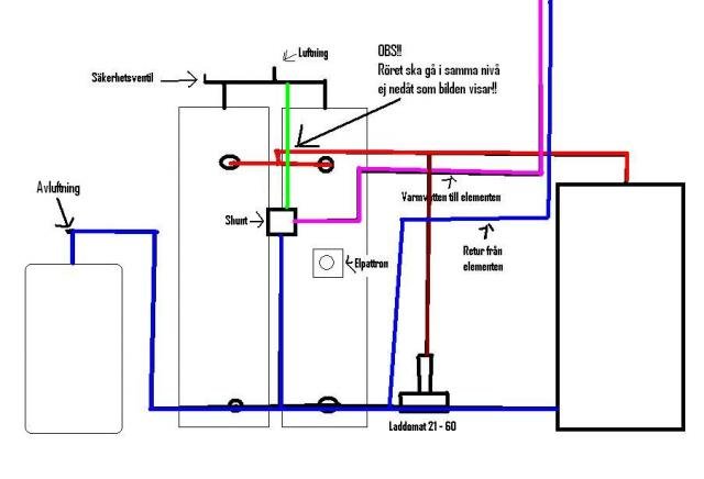
Dra från pannan till acktank sida isf toppen?
Expanstionskärl kopplad på returen?
Räcker det man sätter så att tank1 och tank2 får lika långa rör från pannan där uppe eller måste man även göra så att det blir lika där nere?
Ska man köpa en bivalent shunt? Hur kopplar man in den och är det värt pengarna?
Kan jag använda min Thermomatic ERA 10 på den?
Funderar på att dra blåa 1 1/4rör för det är mycket billigare än kopparrören, eller är det för krångligt för en ovan med gängning och unionsventiler m.m?
Bifogar en bild på hur jag tänkt, skriv gärna vad som är bra och dåligt.
Tack för hjälpen på förhand
Viktor
Jag har idag en CTC V35 och två stycken 750L tankar kopplade av rörfirma som
inte kan ett dugg om att koppla in vedpannor.
Dom har inte satt någon avluftning och istället för en laddomat 21,
så satte dom en 4030 och shunten på pannan.
Som ni förstår så fungerar det inte alls bra, blir luft och 4030 orkar inte med att
ta hand om värmen, pannan stannar, det puffar och ryker och tjärar.
Har jag tur får jag upp knappt 80grader i hela tankarna efter många pannstopp.
Jag kommer dra om detta så fort det börjar bli lite varmare och vill göra det så bra och rätt som möjligt.
Jag vet här finns väldigt många med stor kunskap av just vedanläggningar och
skulle behöva er hjälp.
Har sökt flera kvällar här men inte hittat direkt hur det bästa sättet är.
Några frågor:
Dra från pannan till acktank sida isf toppen?
Expanstionskärl kopplad på returen?
Räcker det man sätter så att tank1 och tank2 får lika långa rör från pannan där uppe eller måste man även göra så att det blir lika där nere?
Ska man köpa en bivalent shunt? Hur kopplar man in den och är det värt pengarna?
Kan jag använda min Thermomatic ERA 10 på den?
Funderar på att dra blåa 1 1/4rör för det är mycket billigare än kopparrören, eller är det för krångligt för en ovan med gängning och unionsventiler m.m?
Bifogar en bild på hur jag tänkt, skriv gärna vad som är bra och dåligt.
Tack för hjälpen på förhand
Viktor
min anläggning laddar i sidan av tanken, funkar klockrent.Får värme till både element & varmvatten så fort laddningen startar.Jag har element + expansion i toppen. Har aldrig haft nå problem med luft i systemet & har inte en ända avluftare. Sen har jag lika avstånd både uppe & nere på tankarna med rören.
Kan tänka mig att blårör är lte jobbigare att dra.
Sen undrar jag hur fan rörmokarutbildningen funkar i dagens läge, handlar allt om att koppla in värmepumpar & skethusstolar?
Kan tänka mig att blårör är lte jobbigare att dra.
Sen undrar jag hur fan rörmokarutbildningen funkar i dagens läge, handlar allt om att koppla in värmepumpar & skethusstolar?
Redigerat:
okej..inte en ända avluftare?
men det är kanske så att om du har elementen kopplade till toppen så åker luften ut i elementen och då får du lufta dom ist?
Jag läste att exp.kärlet skulle hålla längre om man koppla det nere på tanken för då blir inte gummiblåsan utsatt för så varmtvatten och håller längre, verkar rimligt.
Hur varmt får du i dina tankar uppe,mitten,nere när du eldar ?
men det är kanske så att om du har elementen kopplade till toppen så åker luften ut i elementen och då får du lufta dom ist?
Jag läste att exp.kärlet skulle hålla längre om man koppla det nere på tanken för då blir inte gummiblåsan utsatt för så varmtvatten och håller längre, verkar rimligt.
Hur varmt får du i dina tankar uppe,mitten,nere när du eldar ?
knekten skrev:
Jag kanske hade fel benämning på den, jag menar övertrycksventilen och
läste någonstans här på forumet att den skulle sitta överst.
Syr-ventilen som du nog menade tänkte jag sätta på ett T-rör direkt vid utloppet från pannan, undrar om det finns någonrisk att den blockerar för mycket för flödet?
Var har ni placerat syr-ventilen?
Medlem
· Västerbotten, Skellefteå
· 416 inlägg
turmenator,
Om rörkillarna inte har gjort en fungerande installation måste du väl säga åt dom o komma tillbaka o fixa det?!?
Om rörkillarna inte har gjort en fungerande installation måste du väl säga åt dom o komma tillbaka o fixa det?!?
Jo jag hade gärna ringt och sakt precis hur mycket jag tycker dom är värda,imported_jo skrev:
men nu är det så att det va 6-7år sedan dom installerade anläggningen och jag köpte
huset för ett år sedan.
Så jag tror inte dom kommer och gör om det, inte för att jag skulle vilja ha hit klåparna igen.
Så det blir väll att själv samla så mycket goda råd man kan och göra det så rätt som det bara går att göra själv.
Kan omöjligt bli i närheten av så fel som det är nu
Brukar sitta vid pannan oxå,om du nu måste ha någon?Den går in o kyler panna redan vid 90-95c,brukar va svårt o "tokfylla sina ackar då,man lär sig snart hur mycket ved man kan lägga in för att undvika kok.turmenator skrev:
jag har varit uppe i 95 och lite mer än det och där har inte kommit något vatten från ventilen.knekten skrev:
Men berätta gärna var ni har satt grejerna och hur det är kopplat, fungerar det bra osv.
Syrventilen skickar mig veterligen kallvatten i en slinga genom pannan, vilken töms ut utanför, där ska det spruta om det funkar.
Du behöver inte ha lika långa rör, du kan gå in i din bild vid den högra tanken och ta ut returen där nere vid den vänstra, så att man så att säga kopplar diagonalt. (Men det blir ju lika mycket rör, så det kvittar väl iofs...)
Du behöver inte ha lika långa rör, du kan gå in i din bild vid den högra tanken och ta ut returen där nere vid den vänstra, så att man så att säga kopplar diagonalt. (Men det blir ju lika mycket rör, så det kvittar väl iofs...)
Nej jag har aldrig provat Syr-ventil eller varit med om att den sprutar vatten.
Är det bara att trycka på den röda korken så ska där komma vatten?
Men givaren från pannan till Syrventilen kanske inte funkar då?
Hur varmt ska det vara när den ska öppna sig?
Är det bara att trycka på den röda korken så ska där komma vatten?
Men givaren från pannan till Syrventilen kanske inte funkar då?
Hur varmt ska det vara när den ska öppna sig?
