Vi bygger nu två sovrum i källaren (tidigare oinredd), men eftersom de ligger i princip helt under mark finns ingen möjlighet att sätta fönster i yttervägg. Önskemålet är därför att att sätta in fönster in mot huset, i den bärande mittväggen, i stället, för att få in lite ljus och minska akvariekänslan. Den väggen är murad av leca. Vad krävs vid håltagning för att inte riskera bärigheten?
Det vore bra om du har en planlösning att visa så man ser var du tänkte göra håltagning.
Annars är allt möjligt, men det kostar därefter. Mindre håltagningar tror jag det går att göra utan att behöva förstärka men vid kritiska håltagningar, oftast större håltagningar, så brukar man fräsa spår på ena sidan av den bärande väggen och sätta dit en U-balk. därefter fräsa spår på andra sidan och sätta dit nästa U-balk, och sedan skruva eller nita ihop balkarna. När båda U-balkarna är ihopsatta så ser det ut som H-balk.
Annars är allt möjligt, men det kostar därefter. Mindre håltagningar tror jag det går att göra utan att behöva förstärka men vid kritiska håltagningar, oftast större håltagningar, så brukar man fräsa spår på ena sidan av den bärande väggen och sätta dit en U-balk. därefter fräsa spår på andra sidan och sätta dit nästa U-balk, och sedan skruva eller nita ihop balkarna. När båda U-balkarna är ihopsatta så ser det ut som H-balk.
När man bygger en ny källarvägg med ett större fönster krävs att man avväxlar öppningen samt att man armerar extra för avväxlingens stöd.
Hur detta ska åstadkommas för en befintlig vägg kan en konstruktör upplysa om.
Hur detta ska åstadkommas för en befintlig vägg kan en konstruktör upplysa om.
End skrev:Det vore bra om du har en planlösning att visa så man ser var du tänkte göra håltagning.
Annars är allt möjligt, men det kostar därefter. Mindre håltagningar tror jag det går att göra utan att behöva förstärka men vid kritiska håltagningar, oftast större håltagningar, så brukar man fräsa spår på ena sidan av den bärande väggen och sätta dit en U-balk. därefter fräsa spår på andra sidan och sätta dit nästa U-balk, och sedan skruva eller nita ihop balkarna. När båda U-balkarna är ihopsatta så ser det ut som H-balk.
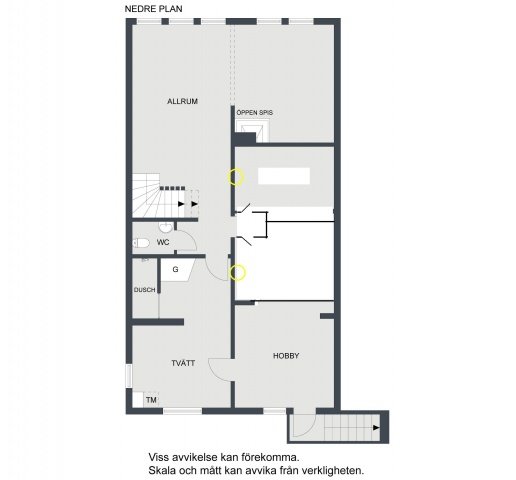
Tog ett tag innan jag fick tag i den digitala planlösningen. De gula cirklarna markerar på ett grovt ungefär var fönstrena skulle kunna sitta. Gärna runda, om det inte försvårar det hela avsevärt. What do you think?
Jag tolkar det som sekundär bärverk då väggarna i mitten är tunnare än ytterväggarna. Om det nu är en korrekt ritning, och om gula ringarna motsvarar storleken på öppningen så tror jag inte det ska vara några problem att lägga till öppningar där.
Runda öppningar är självklart svårare än fyrkantiga men med en tigersåg och rätt blad ska det gå bra, exempelvis Lenox Demoliton. Dock tar det lite tid.
Hade det varit fyrkantiga hörn, så hade en större vinkelslip varit bättre.
Runda öppningar är självklart svårare än fyrkantiga men med en tigersåg och rätt blad ska det gå bra, exempelvis Lenox Demoliton. Dock tar det lite tid.
Hade det varit fyrkantiga hörn, så hade en större vinkelslip varit bättre.
Klicka här för att svara
Liknande trådar
-
Bärande innerväggar i villa från 1936?
Byggmaterial & Byggteknik -
Bärande innerväggar,eller
Attefallshus, friggebod, garage & andra småhus -
Håltagning i bärande delar
Byggmaterial & Byggteknik -
"Självbärande" fackverksstolar över delvis yttervägg/delvis innervägg.
Byggmaterial & Byggteknik -
Håltagning i bärande tegelvägg från sekelskiftet?
Byggmaterial & Byggteknik
